GM Service Manual Online
For 1990-2009 cars only
Makes
🢒
HUMMER
🢒
2006
🢒
H3
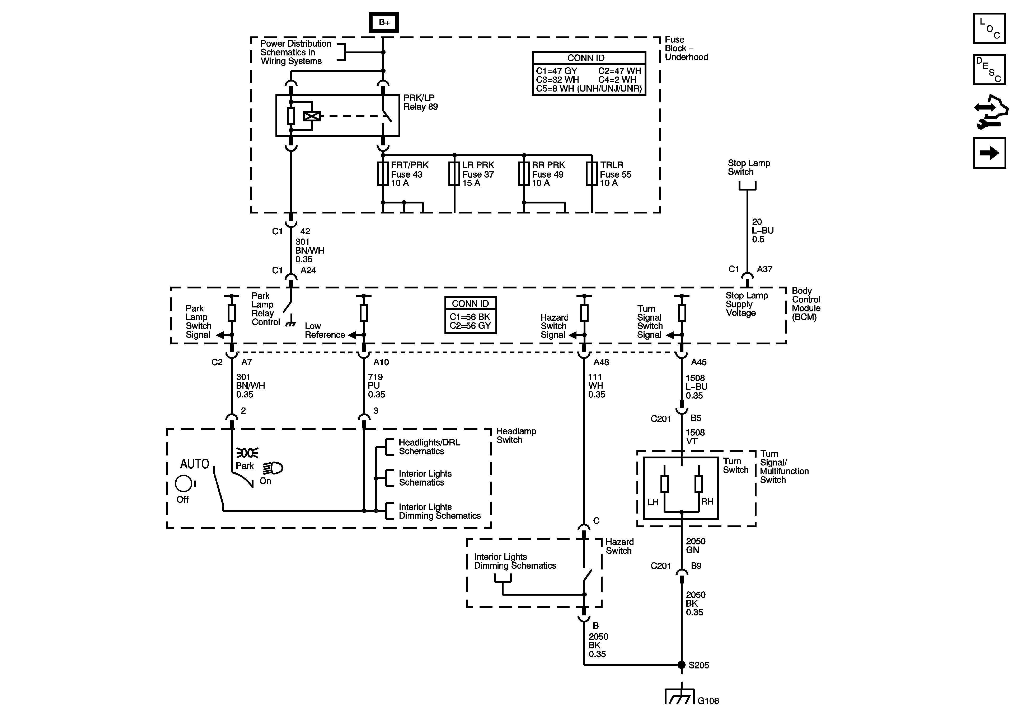
🢒 Hazard Switch, Park Lamp Control, and Turn Signal/Stop Lamp Inputs
Hazard Switch, Park Lamp Control, and Turn Signal/Stop Lamp Inputs
Hazard Switch, Park Lamp Control, and Turn Signal/Stop Lamp Inputs
Master Electrical Component List
Exterior Lighting Systems Description and Operation
Control Module References
Roof Marker Lamps (UNH), License Lamp and Park Lamps
B+ Bus - Underhood Fuse Block - 2 of 2
Center High Mount Stop Lamps (CHMSL) and Stop Lamp Switch
Ambient Light Sensor, Headlamp Controls and Switches
Dome Lamp, Footwell Courtesy Lamps, and Vanity Mirror Lamps
Interior Lights Dimming Schematics
Interior Lights Dimming Schematics
G106