GM Service Manual Online
For 1990-2009 cars only
Makes
🢒
HUMMER
🢒
2006
🢒
H3
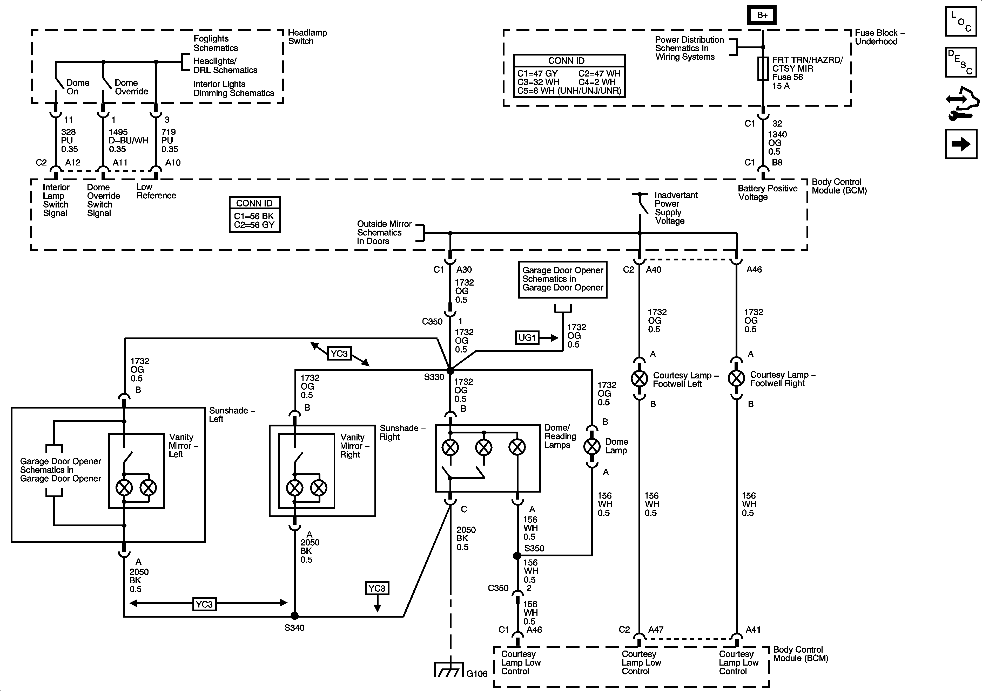
🢒 Dome Lamp, Footwell Courtesy Lamps, and Vanity Mirror Lamps
Dome Lamp, Footwell Courtesy Lamps, and Vanity Mirror Lamps
Dome Lamp, Footwell Courtesy Lamps, and Vanity Mirror Lamps
Master Electrical Component List
Exterior Lighting Systems Description and Operation
Control Module References
Door Lock and Window Switches
Fog Lights Schematics
Ambient Light Sensor, Headlamp Controls and Switches
Interior Lights Dimming Schematics
Outside Mirror Schematics
B+ Bus - Underhood Fuse Block - 1 of 2
Garage Door Opener Schematic
Garage Door Opener Schematic
G106