GM Service Manual Online
For 1990-2009 cars only
Makes
🢒
HUMMER
🢒
2007
🢒
H3
🢒
Driver Information and Entertainment
🢒
Displays and Gages
🢒 Instrument Cluster Schematics
Figure
1:
Power, Ground, MIL, and Security
Master Electrical Component List
Instrument Cluster Description and Operation
Control Module References
Gages
B+ Bus - Underhood Fuse Block - 1 of 2
Module Power, Ground, Serial Data, MIL, and DLC
Vehicle Theft Deterrent
Data Link Connector (DLC) Schematics
G300, G310, and G320
Figure
2:
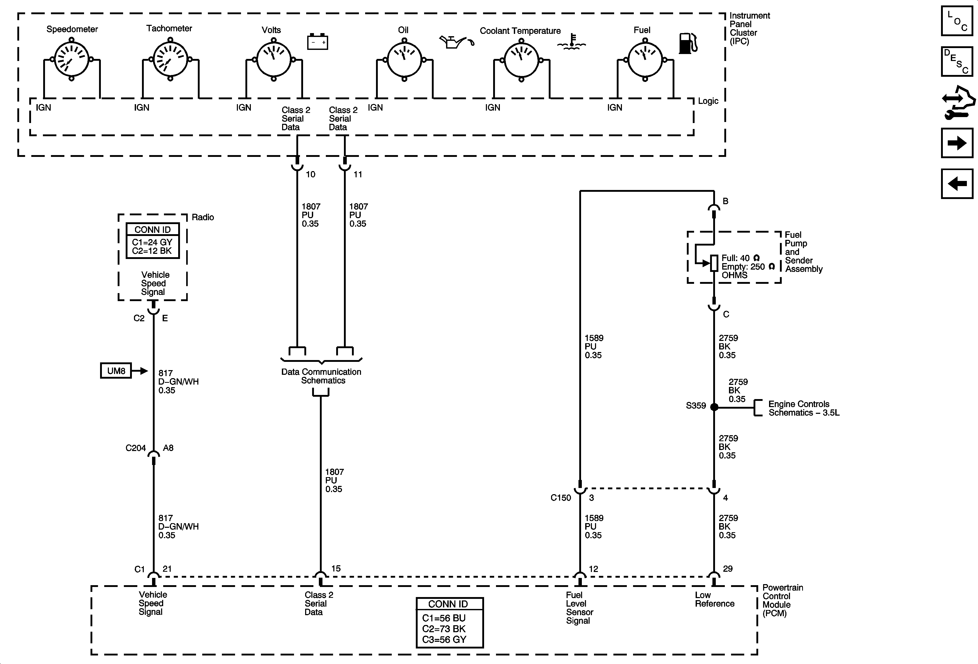
Gages
Master Electrical Component List
Instrument Cluster Description and Operation
Control Module References
Indicators
Power, Ground, MIL, and Security
Data Link Connector (DLC) Schematics
Fuel and EVAP Controls
Figure
3:
Indicators
Master Electrical Component List
Instrument Cluster Description and Operation
Control Module References
Gages
Turn Signal/Stop Lamps
Data Link Connector (DLC) Schematics
Seat Belt Schematics