GM Service Manual Online
For 1990-2009 cars only
Makes
🢒
HUMMER
🢒
2007
🢒
H3
🢒
Roof
🢒
Sunroof
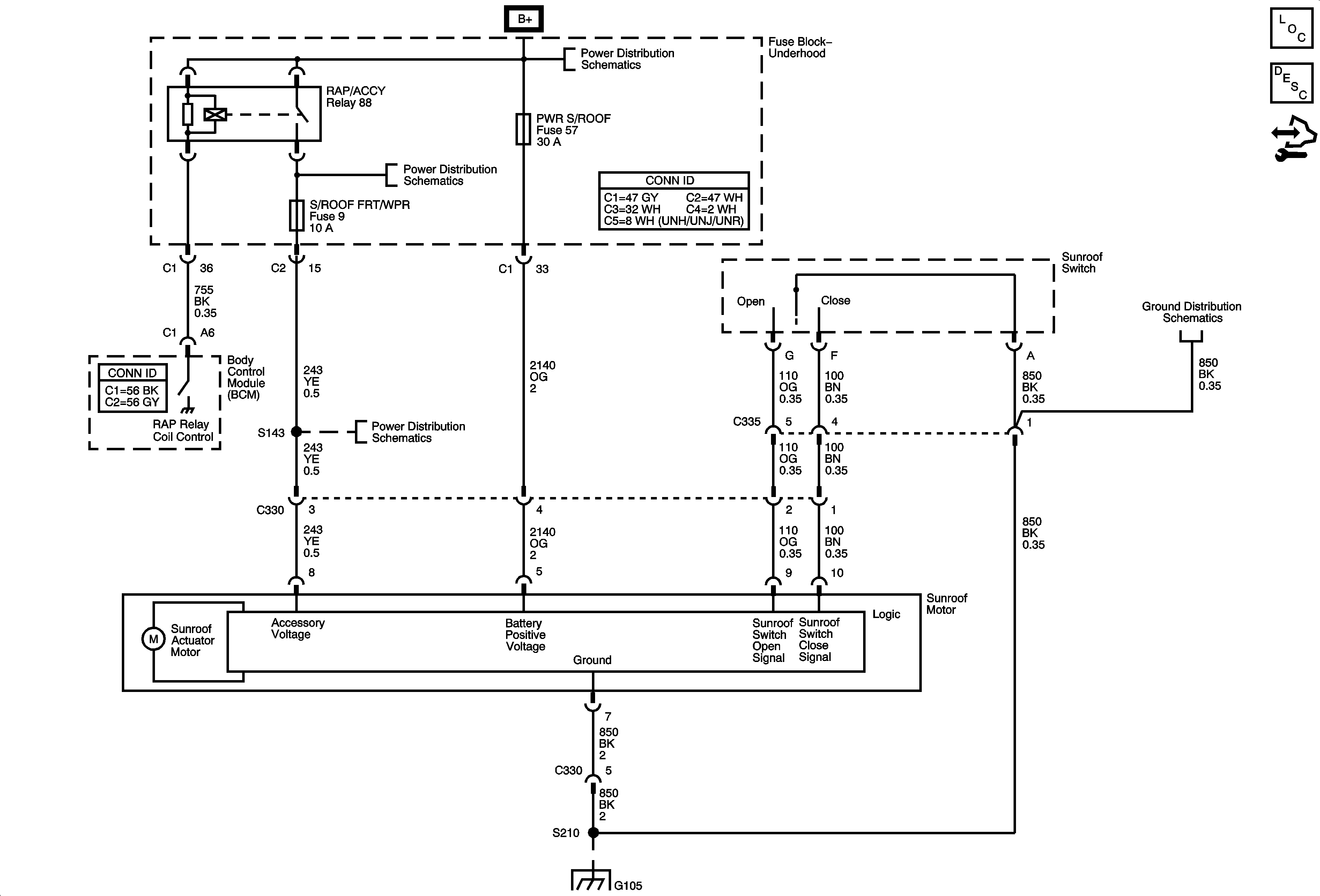
🢒 Sunroof Schematics
Master Electrical Component List
Sunroof Description and Operation
Control Module References
B+ Bus - Underhood Fuse Block - 1 of 2
ETC, LT PWR WNDW, O2 SNSR, REAR/WPR MTR, REAR WPR SWTCH/PUMP, RT PWR WNDW, SPO, AND S/ROOF FRT/WPR Fuses
ETC, LT PWR WNDW, O2 SNSR, REAR/WPR MTR, REAR WPR SWTCH/PUMP, RT PWR WNDW, SPO, AND S/ROOF FRT/WPR Fuses
G105
G105