GM Service Manual Online
For 1990-2009 cars only
Makes
🢒
HUMMER
🢒
2007
🢒
H3
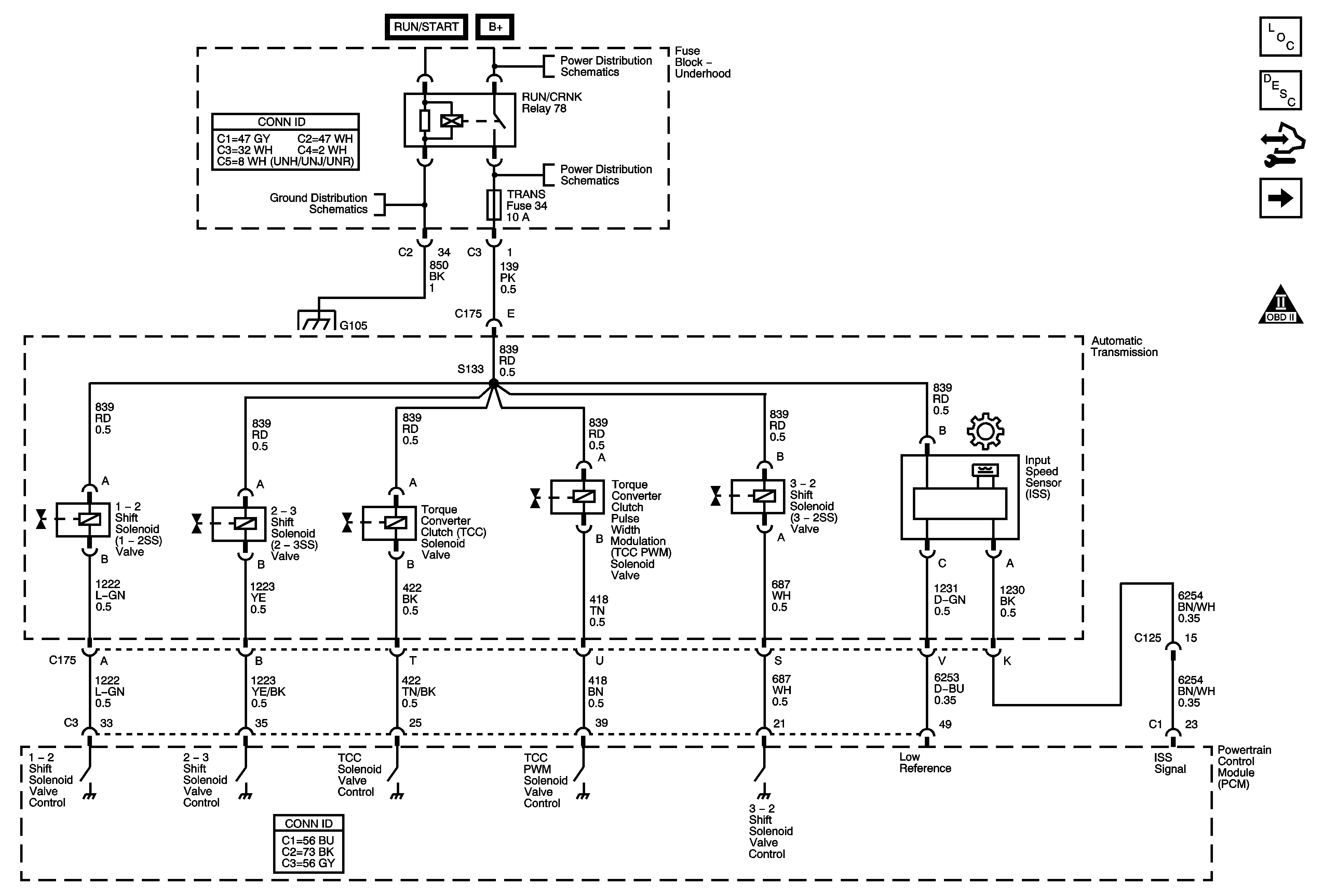
🢒 Transmission Controls
Transmission Controls
Transmission Controls
Master Electrical Component List
Electronic Component Description
Control Module References
Switches
Automatic Transmission Schematic Icons
B+ Bus - Underhood Fuse Block - 1 of 2
RUN/CRNK Relay Bus - 1 of 3, AIRBAG, CRUISE/MISC, and TRANS Fuses
G105
G105