GM Service Manual Online
For 1990-2009 cars only
Makes
🢒
HUMMER
🢒
2007
🢒
H3
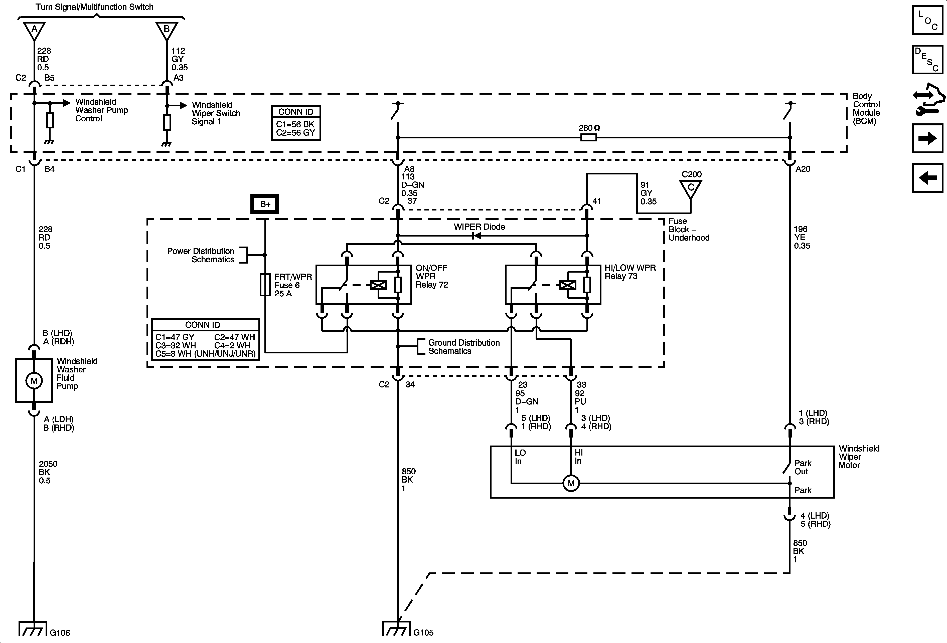
🢒 Windshield Washer Fluid Pump and Windshield Wiper Motor
Windshield Washer Fluid Pump and Windshield Wiper Motor
Windshield Washer Fluid Pump and Windshield Wiper Motor
Master Electrical Component List
Wiper/Washer System Description and Operation
Control Module References
Rear Wiper
Windshield Wiper/Washer Switch
Windshield Wiper/Washer Switch
Windshield Wiper/Washer Switch
B+ Bus - Underhood Fuse Block - 1 of 2
G105
G106
G105
G105