GM Service Manual Online
For 1990-2009 cars only
Makes
🢒
HUMMER
🢒
2007
🢒
H3
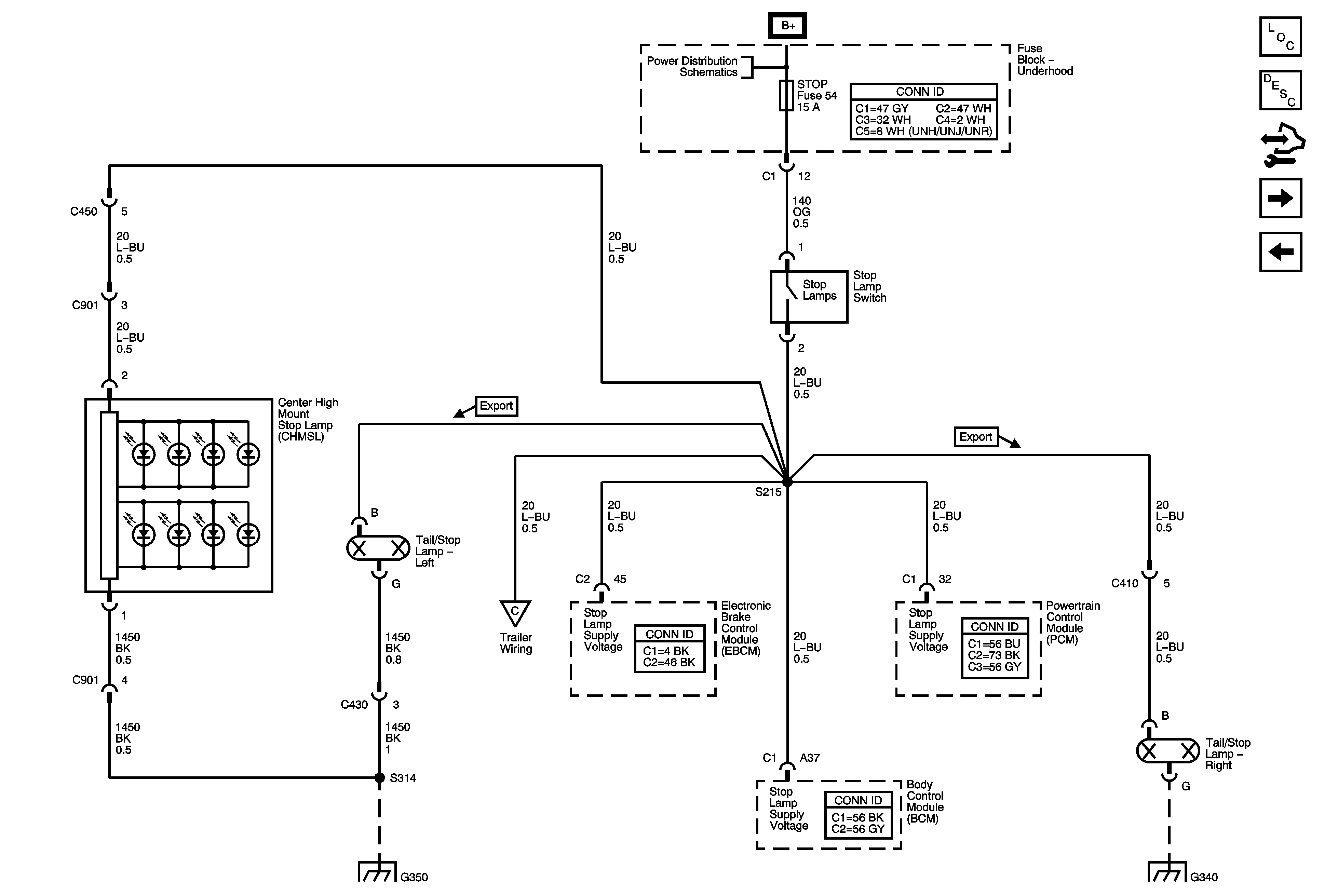
🢒 Center High Mount Stop Lamps (CHMSL) and Stop Lamp Switch
Center High Mount Stop Lamps (CHMSL) and Stop Lamp Switch
Center High Mount Stop Lamps (CHMSL) and Stop Lamp Switch
Master Electrical Component List
Exterior Lighting Systems Description and Operation
Control Module References
Grille Mounted Off Road Lamps - UNR
Turn Signal/Stop Lamps
B+ Bus - Underhood Fuse Block - 1 of 2
Trailer Wiring
G350