GM Service Manual Online
For 1990-2009 cars only

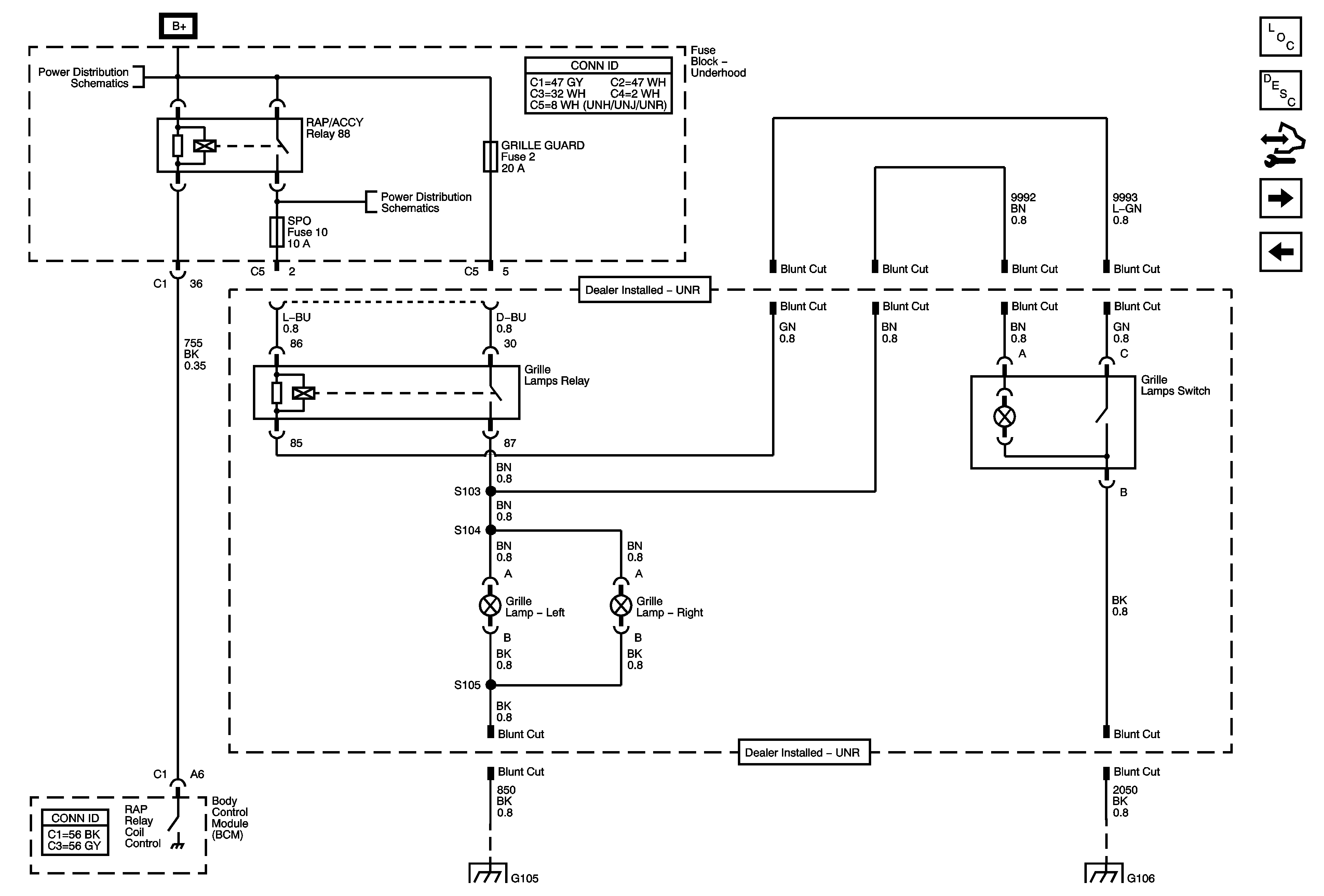
Grille Mounted Off Road Lamps - UNR

Grille Mounted Off Road Lamps - UNR


Object Number: 1778364  Size: FS
Master Electrical Component List
Exterior Lighting Systems Description and Operation
Control Module References
Roof Mounted Off Road Lamps - UNJ
Center High Mount Stop Lamps (CHMSL) and Stop Lamp Switch
B+ Bus - Underhood Fuse Block - 1 of 2
B+ Bus - Underhood Fuse Block - 2 of 2
G105
G106