GM Service Manual Online
For 1990-2009 cars only

Vent Hose Replacement 5.3L

Removal Procedure

  1. Raise and support the vehicle. Refer to Lifting and Jacking the Vehicle .
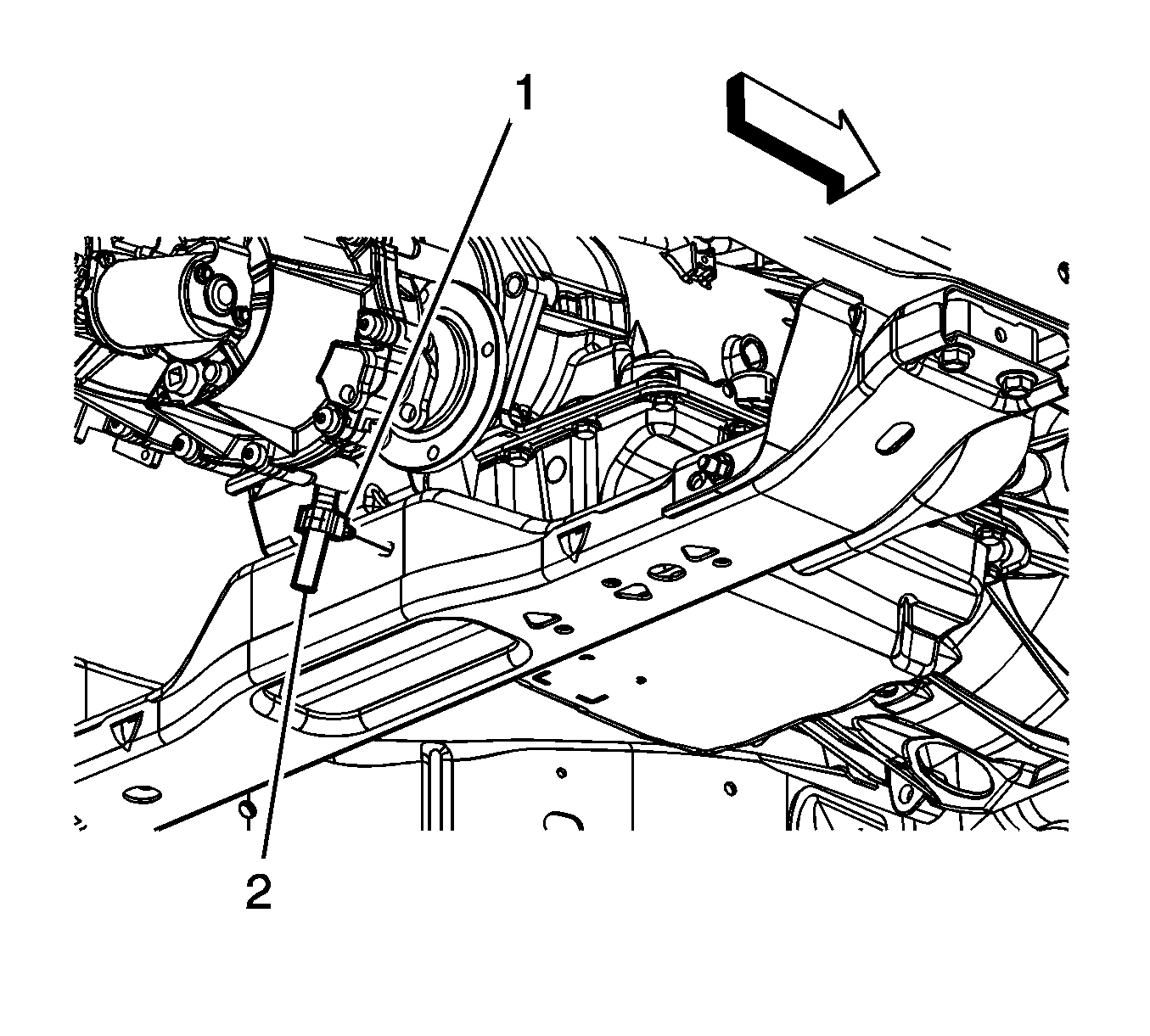
  2. Important: Make a note of the routing in order to aid during reassembly.


    Object Number: 2038372  Size: SH
  3. Disconnect the transmission vent hose retainer (1) from the transmission crossmember.
  4. Remove the transmission support cross member. Refer to Transmission Support Crossmember Replacement .
  5. Remove the left catalytic converter. Refer to Catalytic Converter Replacement - Right Side .

  6. Object Number: 2038375  Size: SH
  7. Disconnect the transfer case vent hose (1) from the transfer case.

  8. Object Number: 2038377  Size: SH
  9. Disconnect the transmission vent hose (3) from the transmission.
  10. Disconnect the transmission vent hose retainer (1) from the transmission.
  11. Remove the transmission and transfer case vent hose assembly (2) from the transmission.

Installation Procedure

    Important: 

       • Ensure the vent is not plugged.
       • Route the vent hose the same way as removed.
       • Ensure the vent hose is free of kinks and is routed clear of sharp objects.


    Object Number: 2038377  Size: SH
  1. Position the transmission and transfer case vent hose assembly (2) to the transmission.
  2. Connect the transmission vent hose retainer (1) to the transmission.
  3. Connect the transmission vent hose (3) to the transmission.

  4. Object Number: 2038375  Size: SH
  5. Connect the transfer case vent hose (1) to the transfer case.
  6. Install the left catalytic converter. Refer to Catalytic Converter Replacement - Right Side .
  7. Install the transmission support cross member. Refer to Transmission Support Crossmember Replacement .
  8. Important: Make a note of the routing in order to aid during reassembly.


    Object Number: 2038372  Size: SH
  9. Connect the transmission vent hose retainer (1) to the transmission crossmember.
  10. Lower the vehicle.

Vent Hose Replacement 3.7L

Removal Procedure

  1. Raise and support the vehicle. Refer to Lifting and Jacking the Vehicle .
  2. Important: Make a note of the routing in order to aid during reassembly.


    Object Number: 1302098  Size: SH
  3. Disconnect the transmission vent hose retainer (1, 6) from the following:
  4. • The heater pipe bracket (2)
    • The transmission range selector cable bracket (5)
  5. Disconnect the transmission vent hose (3) from the transmission vent tube (4).
  6. Remove the transmission vent hose (3).

Installation Procedure


    Object Number: 1302098  Size: SH

    Important: 

       • Ensure the vent is not plugged.
       • Route the vent hose the same way as removed.
       • Ensure the vent hose is free of kinks and is routed clear of sharp objects.

  1. Connect the transmission vent hose (3) to the transmission vent tube (4).
  2. Connect the transmission vent hose retainer (1, 6) to the following:
  3. • The heater pipe bracket (2)
    • The transmission range selector cable bracket (5)
  4. Lower the vehicle.