GM Service Manual Online
For 1990-2009 cars only
Makes
🢒
Holden
🢒
2009
🢒
WM Sedan
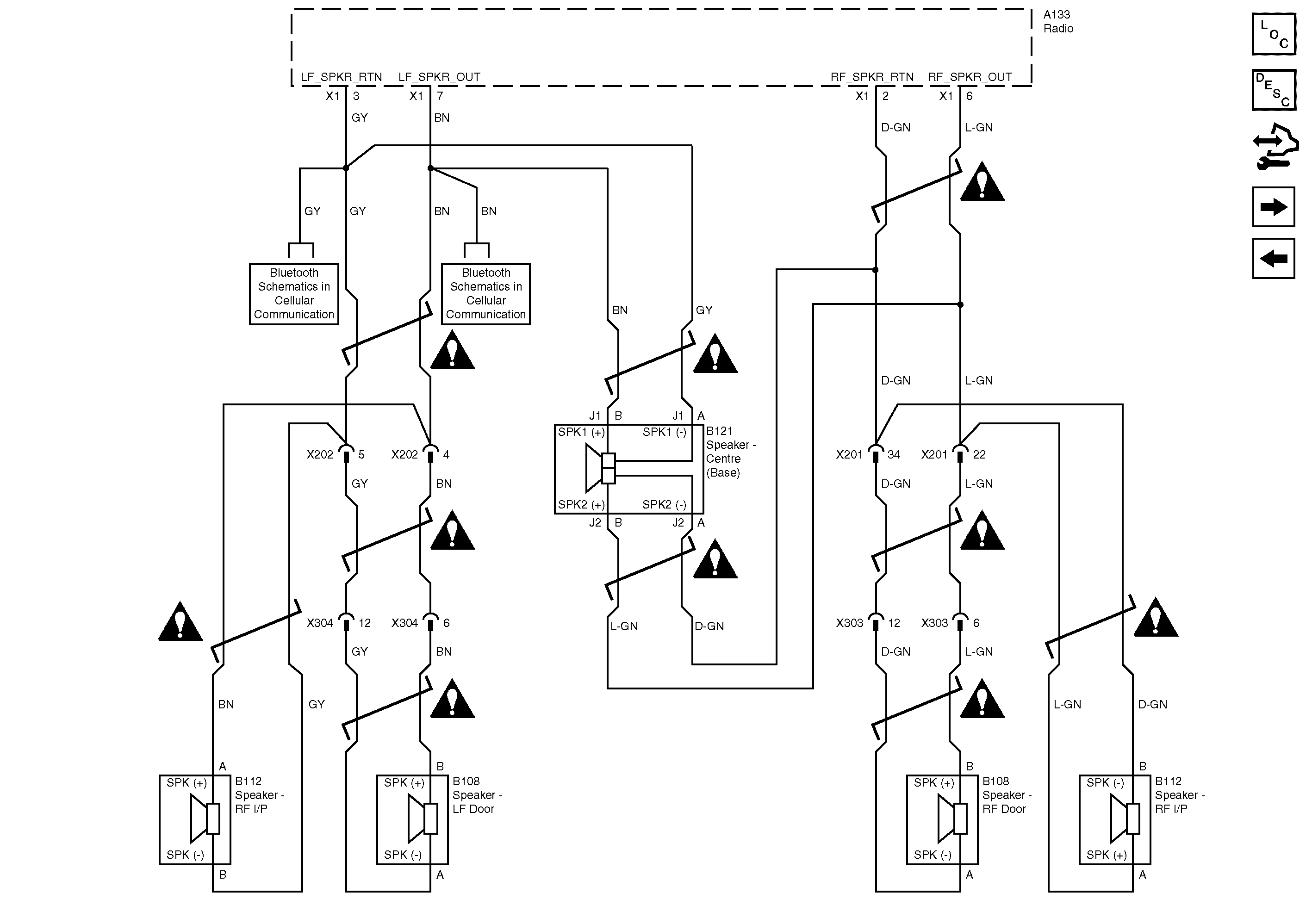
🢒 Speaker Inputs and Outputs
Speaker Inputs and Outputs
Speaker Inputs and Outputs
Master Electrical Component List
Radio/Audio System Description and Operation SWBRHD
Control Module References
Speaker Inputs and Outputs
Radio and AM/FM Antenna
Bluetooth System
Bluetooth System
Entertainment/Communication Schematic Icons
Entertainment/Communication Schematic Icons
Entertainment/Communication Schematic Icons
Entertainment/Communication Schematic Icons
Entertainment/Communication Schematic Icons
Entertainment/Communication Schematic Icons
Entertainment/Communication Schematic Icons
Entertainment/Communication Schematic Icons
Entertainment/Communication Schematic Icons
Entertainment/Communication Schematic Icons