GM Service Manual Online
For 1990-2009 cars only
Figure 1:

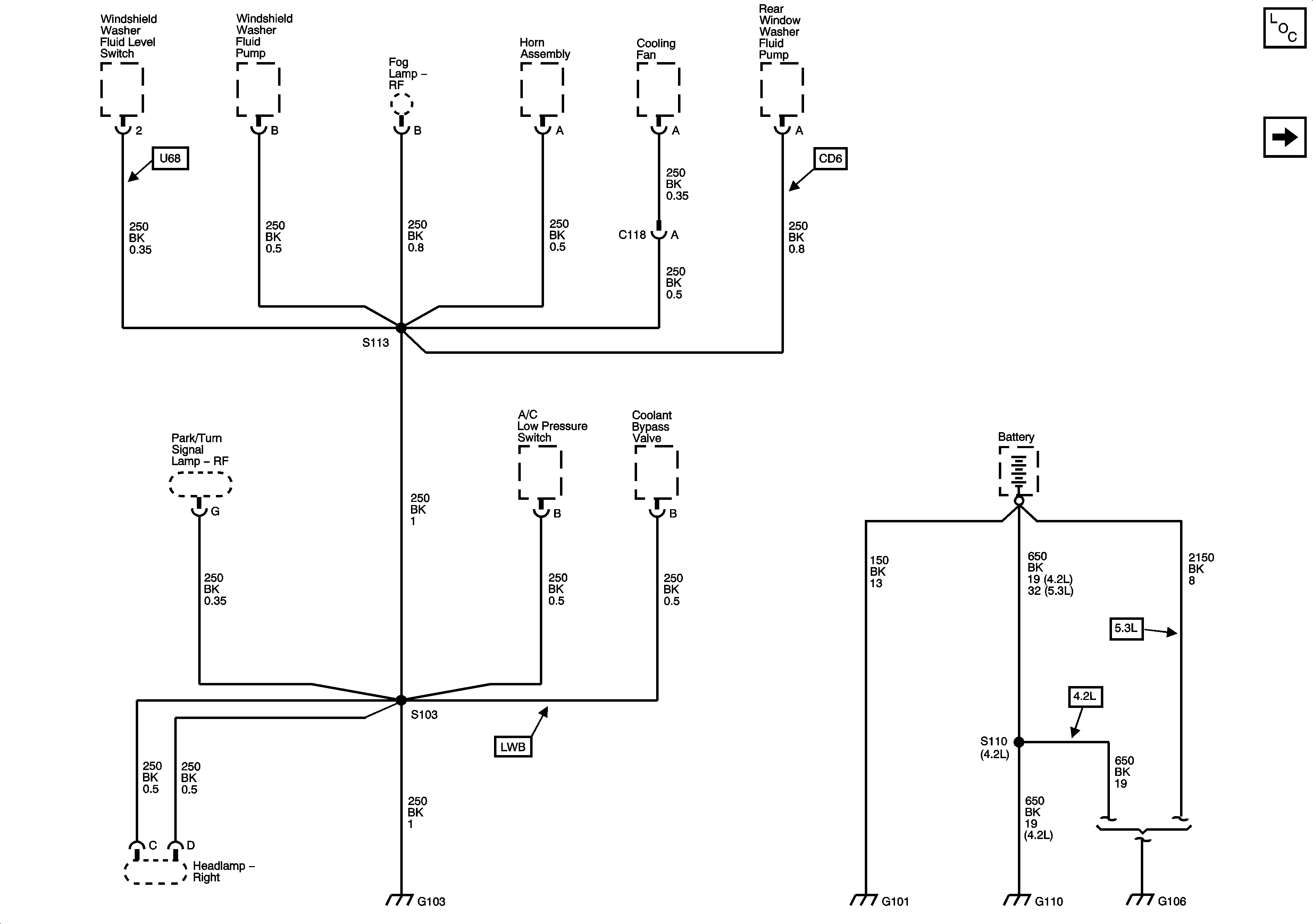
G101, G103, G106, and G110


Object Number: 1350062  Size: FS
Master Electrical Component List
G102
Figure 2:

G102


Object Number: 1350064  Size: FS
Master Electrical Component List
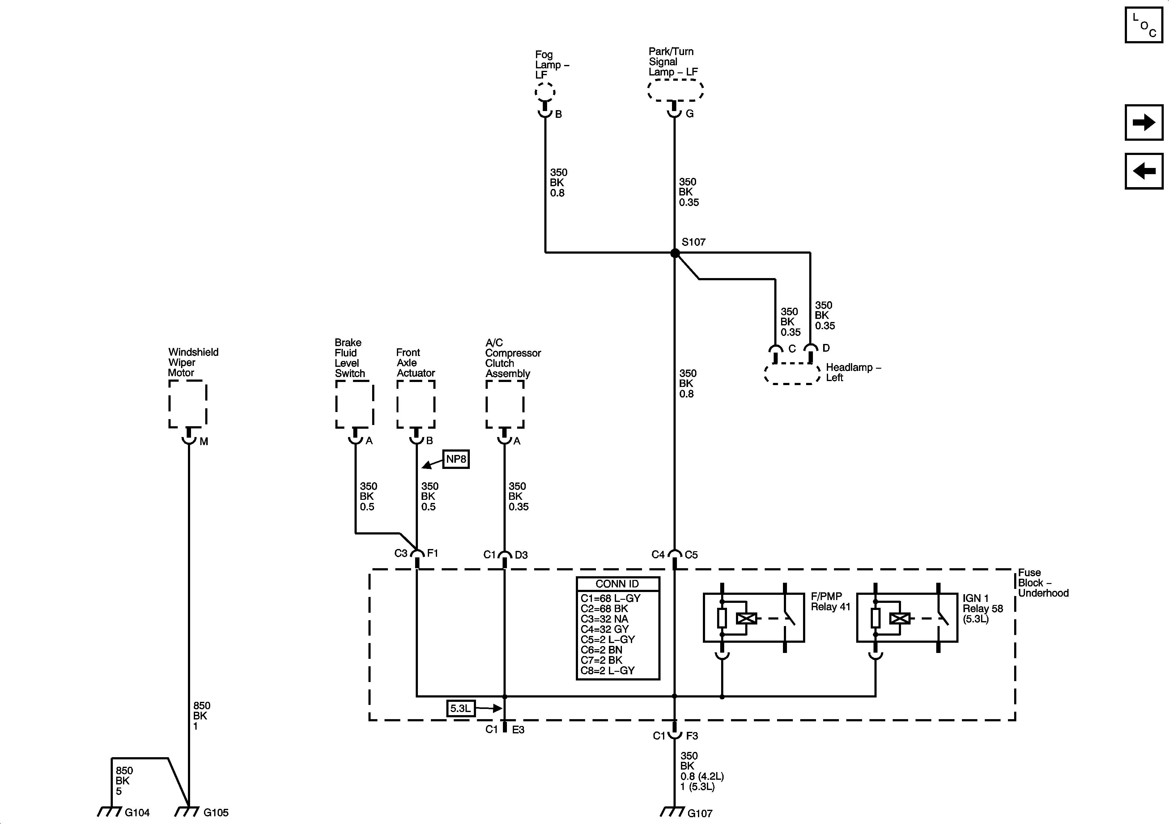
G104, G105, and G107
G101, G103, G106, and G110
SIR Caution for Zoning
Figure 3:

G104, G105, and G107


Object Number: 1350066  Size: FS
Master Electrical Component List
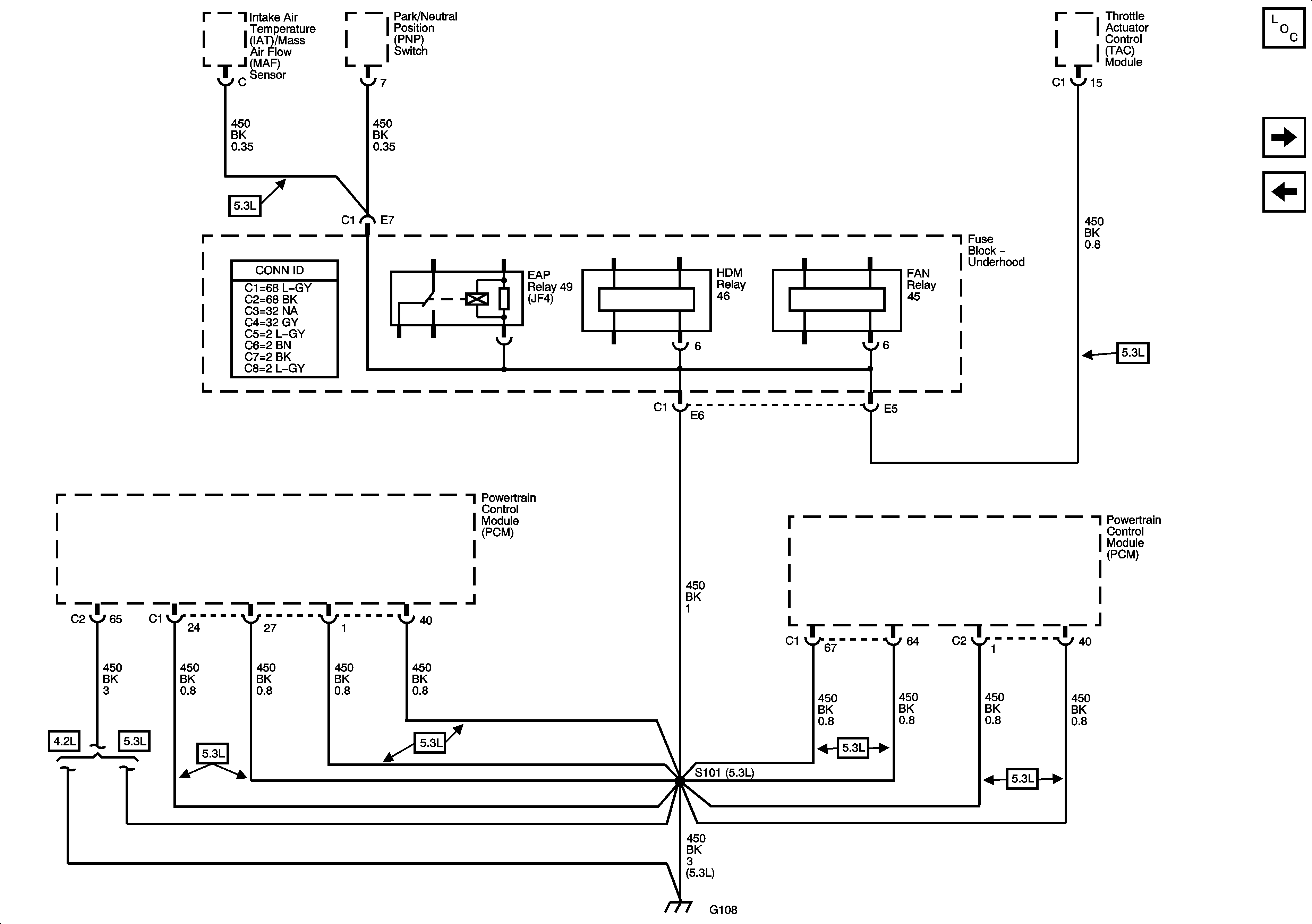
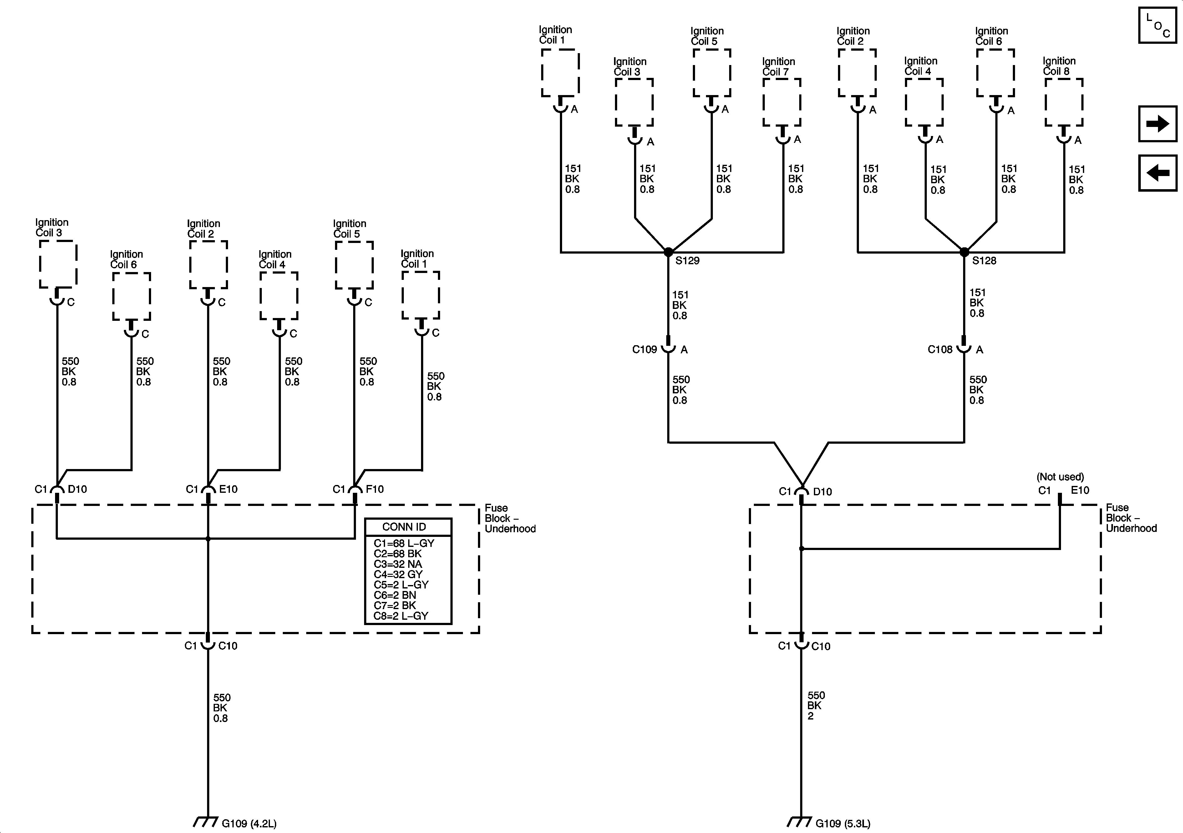
G108
G102
Figure 4:

G108


Object Number: 1284659  Size: FS
Master Electrical Component List
G109
G104, G105, and G107
Figure 5:

G109


Object Number: 1284660  Size: FS
Master Electrical Component List
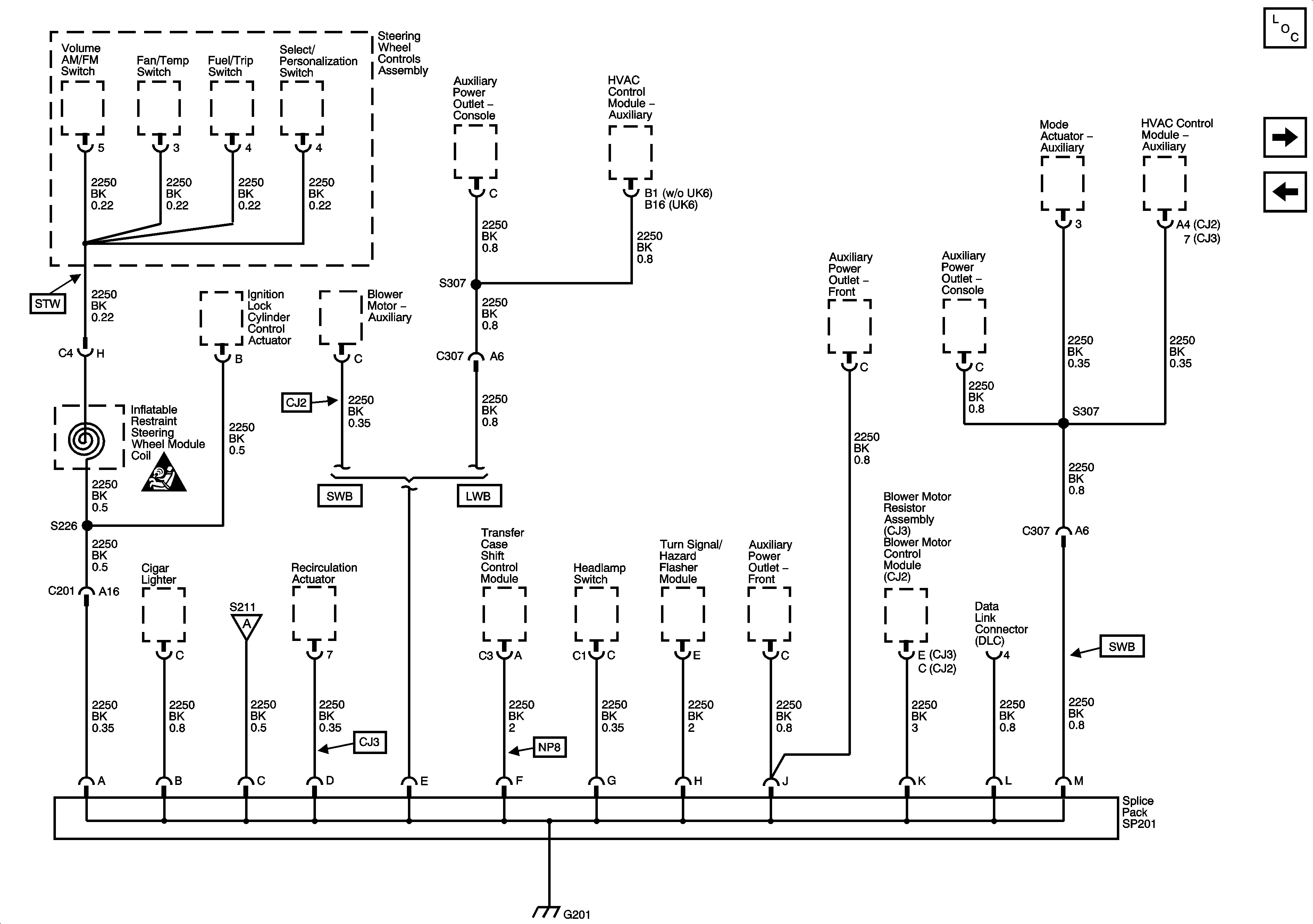
G201 - 1 of 2
G108
Figure 6:

G201 - 1 of 2


Object Number: 1350069  Size: FS
Master Electrical Component List
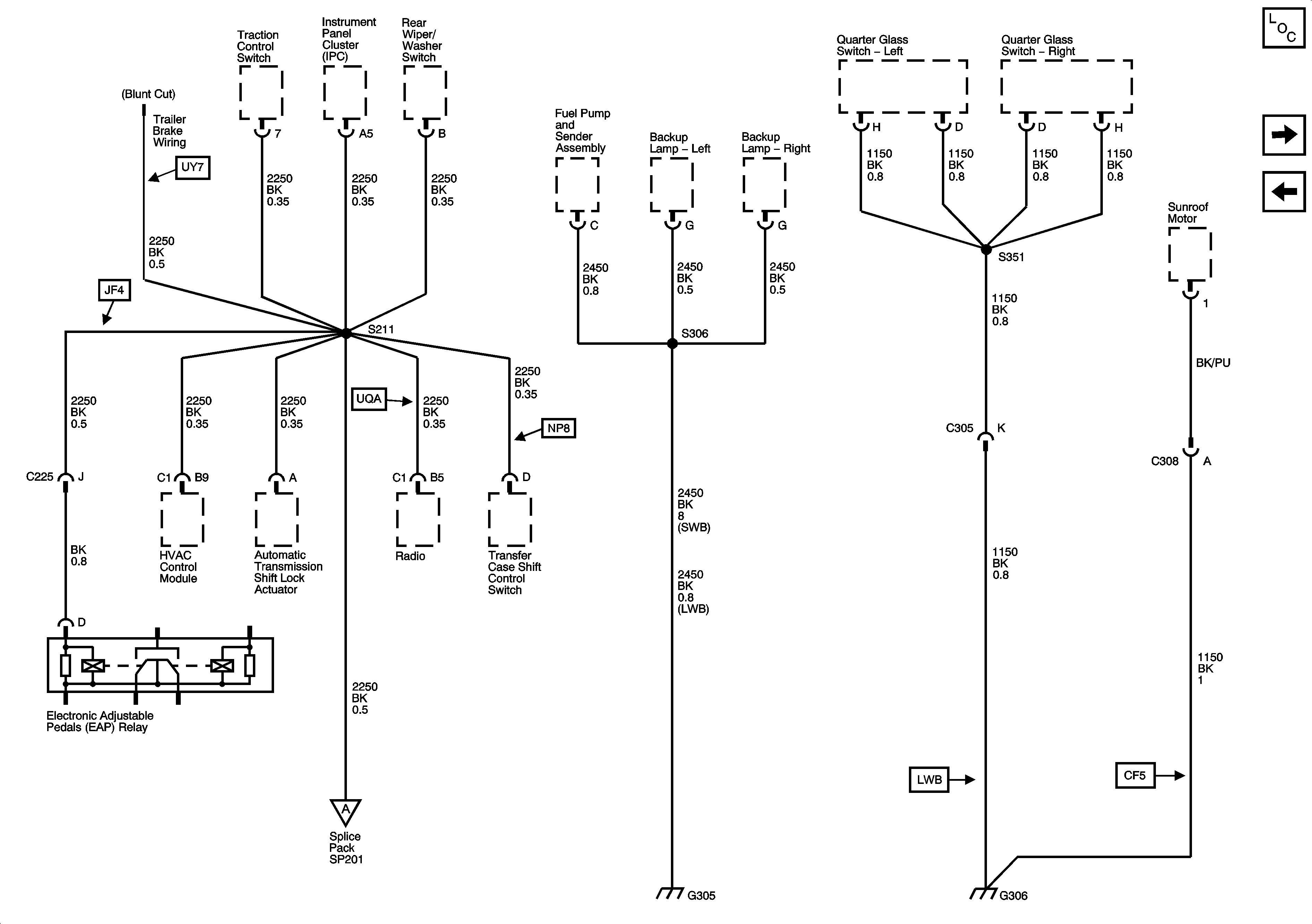
G201 - 2 of 2, G305, and G306
G109
SIR Caution for Zoning
G201 - 2 of 2, G305, and G306
Figure 7:

G201 - 2 of 2, G305, and G306


Object Number: 1350073  Size: FS
Master Electrical Component List
G302 - 1 of 2, G303, and G304
G201 - 1 of 2
G201 - 1 of 2
Figure 8:

G302 - 1 of 2, G303, and G304


Object Number: 1284663  Size: FS
Master Electrical Component List
G302 - 2 of 2
G201 - 2 of 2, G305, and G306
G302 - 2 of 2
Figure 9:

G302 - 2 of 2


Object Number: 1350078  Size: FS
Master Electrical Component List
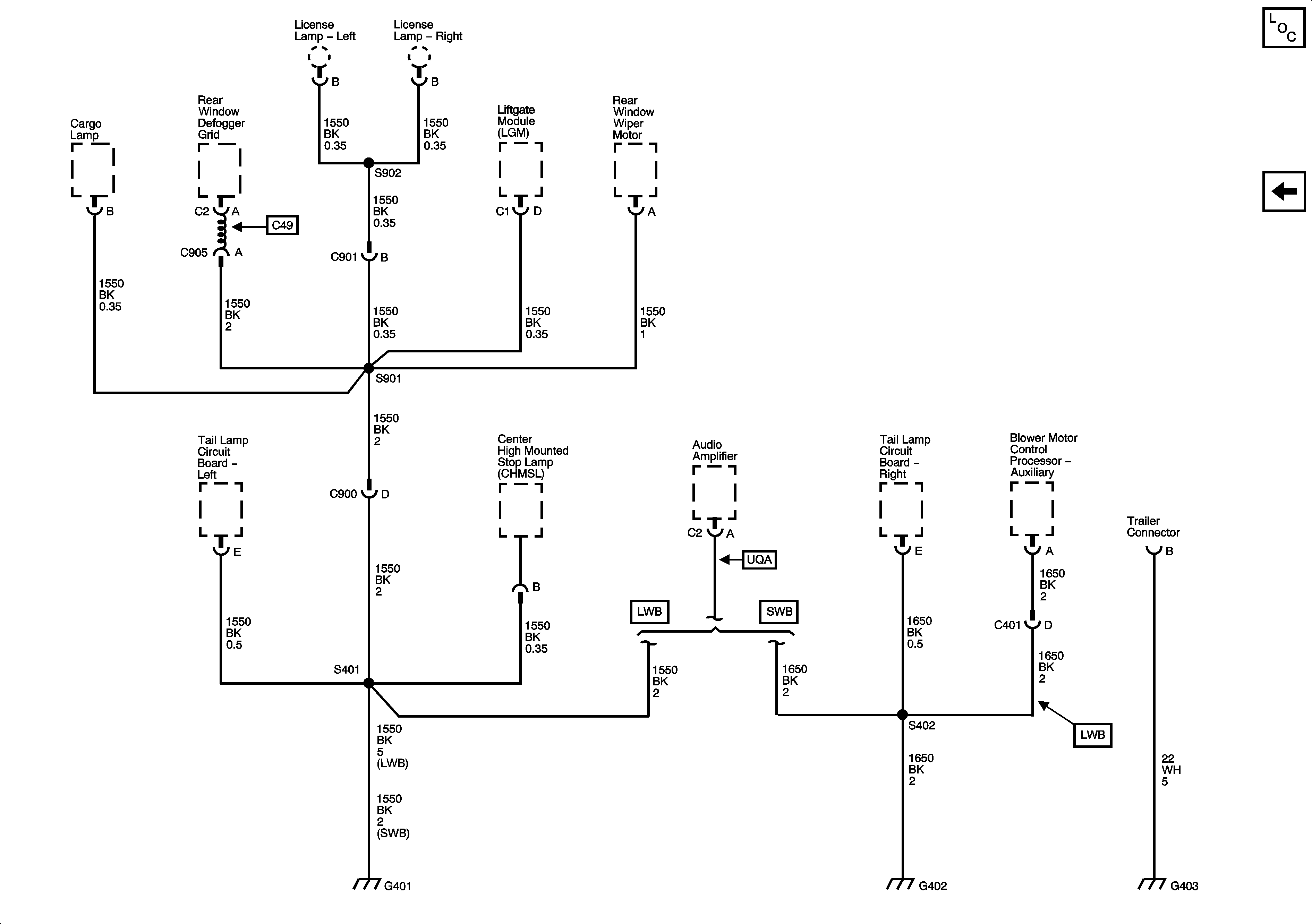
G401, G402, and G403
G302 - 1 of 2, G303, and G304
G302 - 1 of 2, G303, and G304
Figure 10:

G401, G402, and G403


Object Number: 1350081  Size: FS
Master Electrical Component List
G302 - 2 of 2