GM Service Manual Online
For 1990-2009 cars only
Makes
🢒
Isuzu
🢒
2004
🢒
Ascender - 2WD
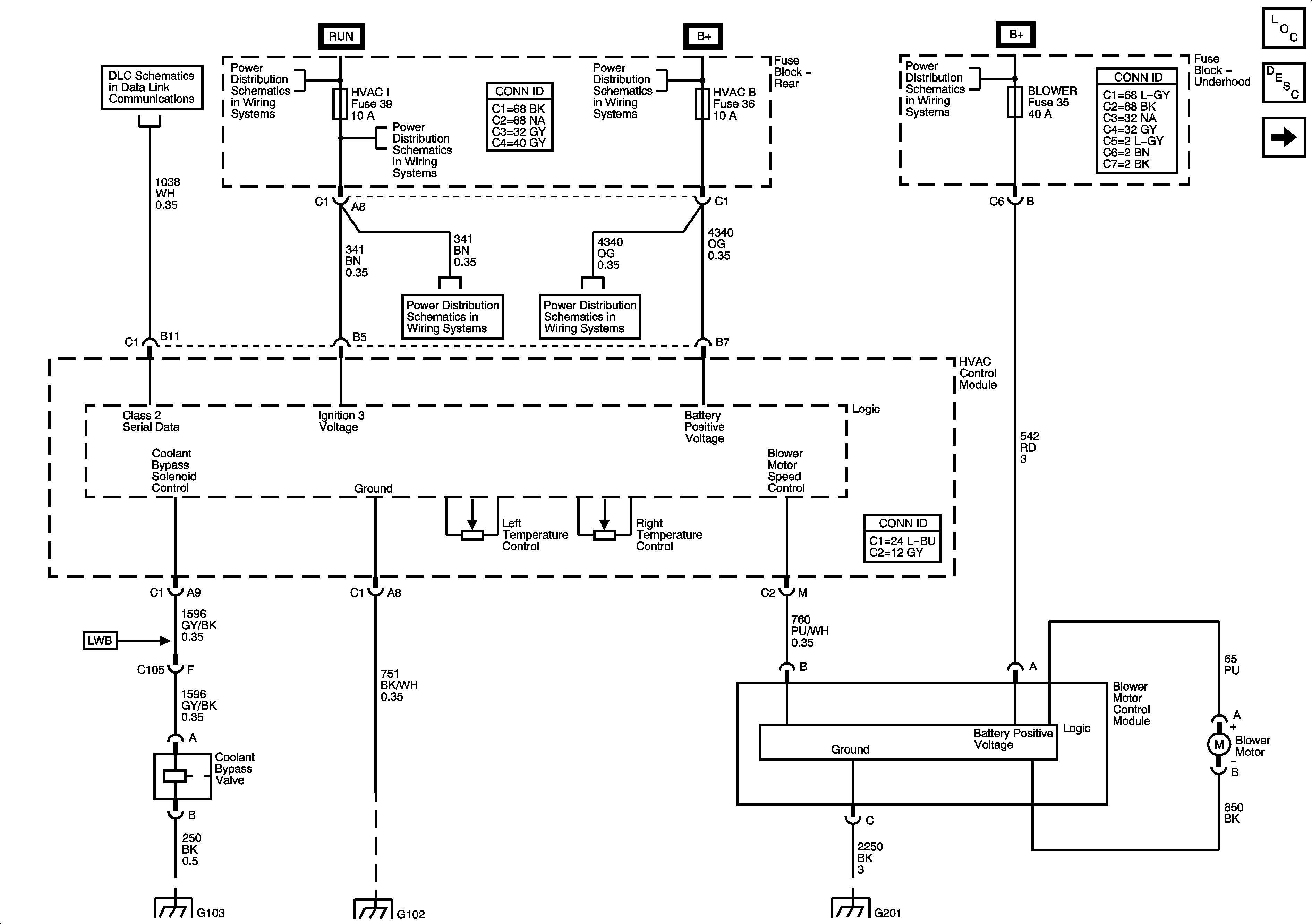
🢒 Module Power, Ground, Serial Data, Blower Motor, and Coolant Bypass Valve
Module Power, Ground, Serial Data, Blower Motor, and Coolant Bypass Valve
Master Electrical Component List
Air Temperature Description and Operation
Compressor Controls
Power, Ground, Data Link Connector, and SP205
ACCY/RUN/START, RUN, and START Bus Bars
B+ Bus - Rear Fuse Block
B+ Bus - Underhood Fuse Block
HVAC I, BRAKE, and TBC RUN Fuses
HVAC I, BRAKE, and TBC RUN Fuses
LGM/DSM, OH BATT/ONSTAR, RADIO, and HVAC B Fuses
G101, G103, G106, and G110
G102
G201 - 1 of 2