GM Service Manual Online
For 1990-2009 cars only
Makes
🢒
Isuzu
🢒
2004
🢒
Ascender - 2WD
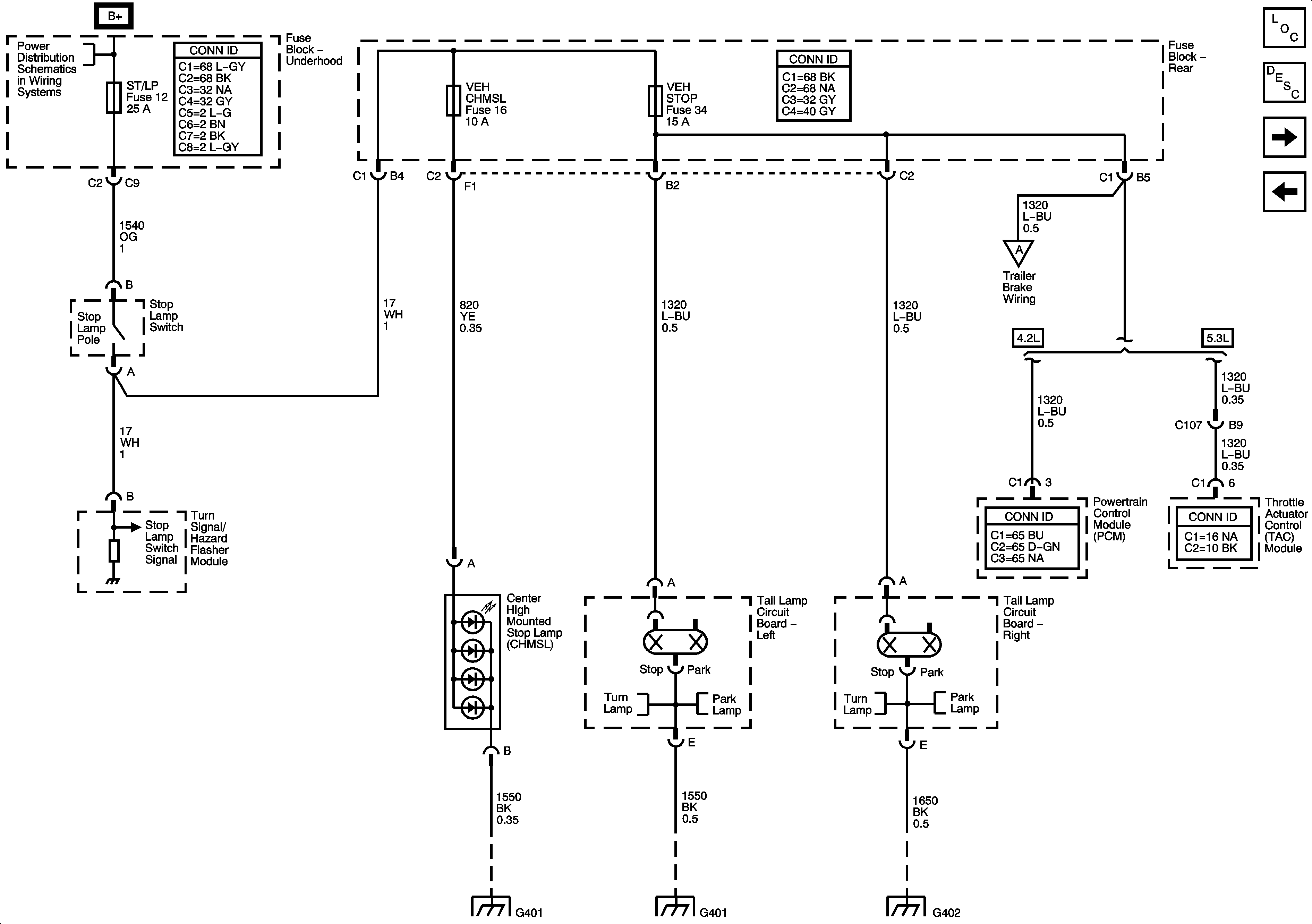
🢒 Stop Lamps
Stop Lamps
Stop Lamps
Master Electrical Component List
Exterior Lighting Systems Description and Operation
Turn Signal Multifunction
Clearance, License, and Rear Park Lamps
B+ Bus - Underhood Fuse Block
Trialer Wiring
Left Turn Signals
Clearance, License, and Rear Park Lamps
Right Turn Signals
Clearance, License, and Rear Park Lamps
G401, G402, and G403
G401, G402, and G403
G401, G402, and G403