GM Service Manual Online
For 1990-2009 cars only
Makes
🢒
Isuzu
🢒
2004
🢒
Ascender - 2WD
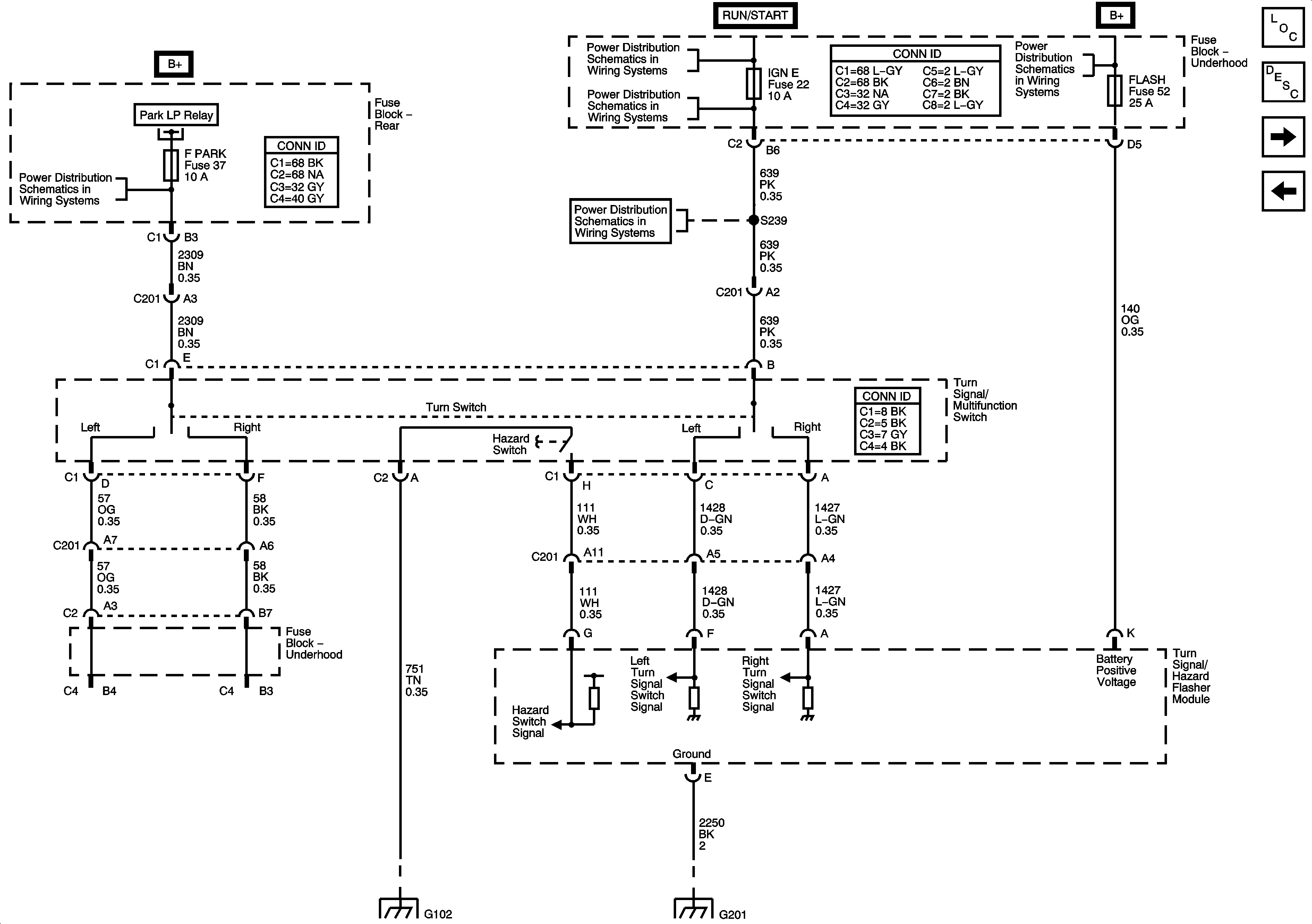
🢒 Turn Signal Multifunction
Turn Signal Multifunction
Turn Signal Multifunction
Master Electrical Component List
Exterior Lighting Systems Description and Operation
Left Turn Signals
Stop Lamps
RR FOG, LR PARK, RR PARK, F PARK, TR PARK, LGM #2 Fuses, and RR WIPER Circuit Breaker
Park Lamp Relay
ACCY/RUN and RUN/START Bus Bars
IGN E, TBC IGN 1, BACKUP, BTSI, and TRLR B/U Fuses
IGN E, TBC IGN 1, BACKUP, BTSI, and TRLR B/U Fuses
B+ Bus - Underhood Fuse Block
G102
G201 - 1 of 2