GM Service Manual Online
For 1990-2009 cars only
Makes
🢒
Isuzu
🢒
2005
🢒
Ascender - 2WD
🢒
Suspension
🢒
Air Suspension
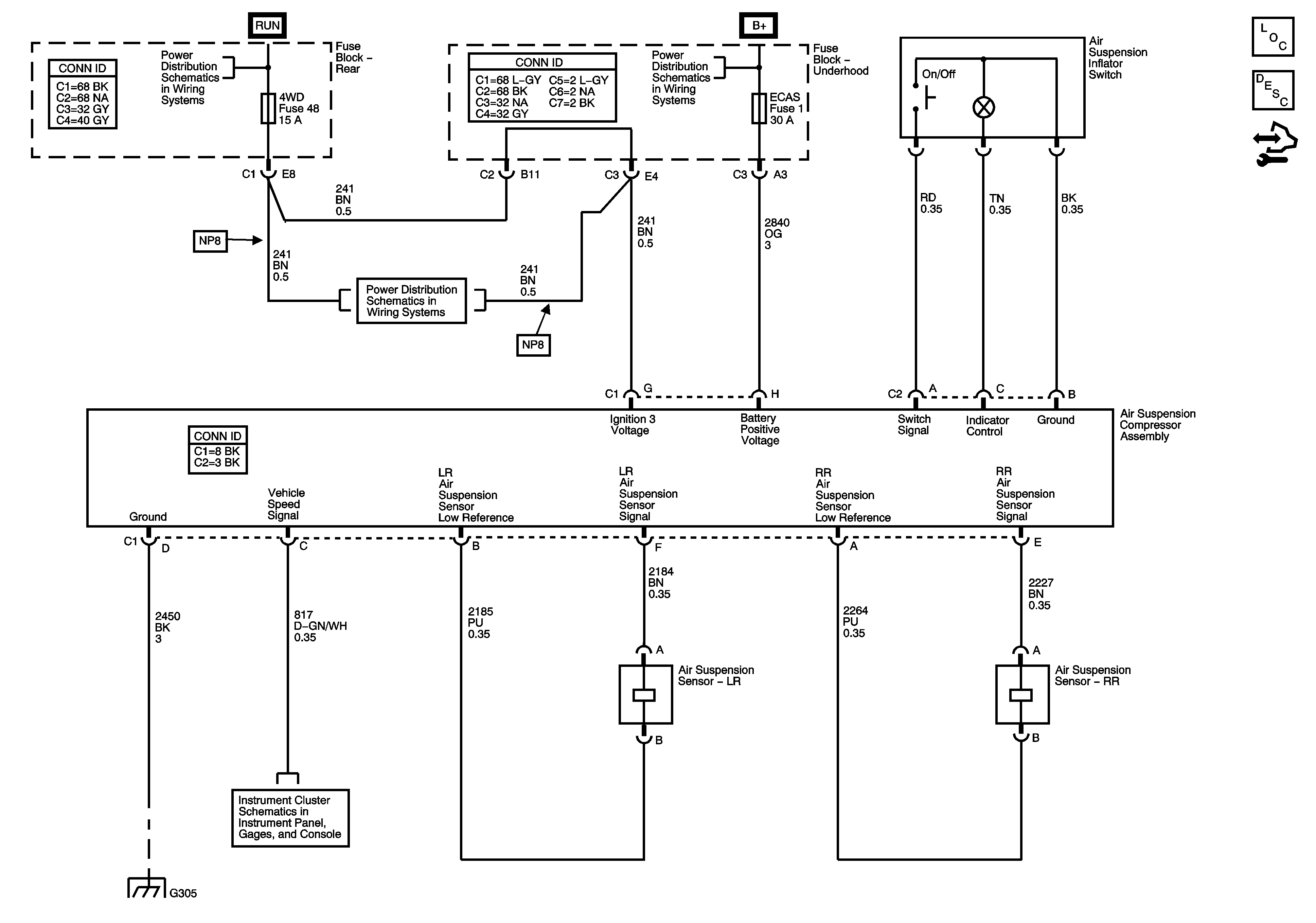
🢒 Suspension Controls Schematics
Master Electrical Component List
Air Suspension Description and Operation
Control Module References
Ignition Switch - ACCY/RUN/START, RUN, and START Bus Bars, IGN A and CRANK Fuses
G201 - 2 of 2 and G305
4WD, ENG I, HVAC, O2, SIR, and TAC Fuses
Gages
G201 - 2 of 2 and G305