GM Service Manual Online
For 1990-2009 cars only
Makes
🢒
Isuzu
🢒
2005
🢒
Ascender - 2WD
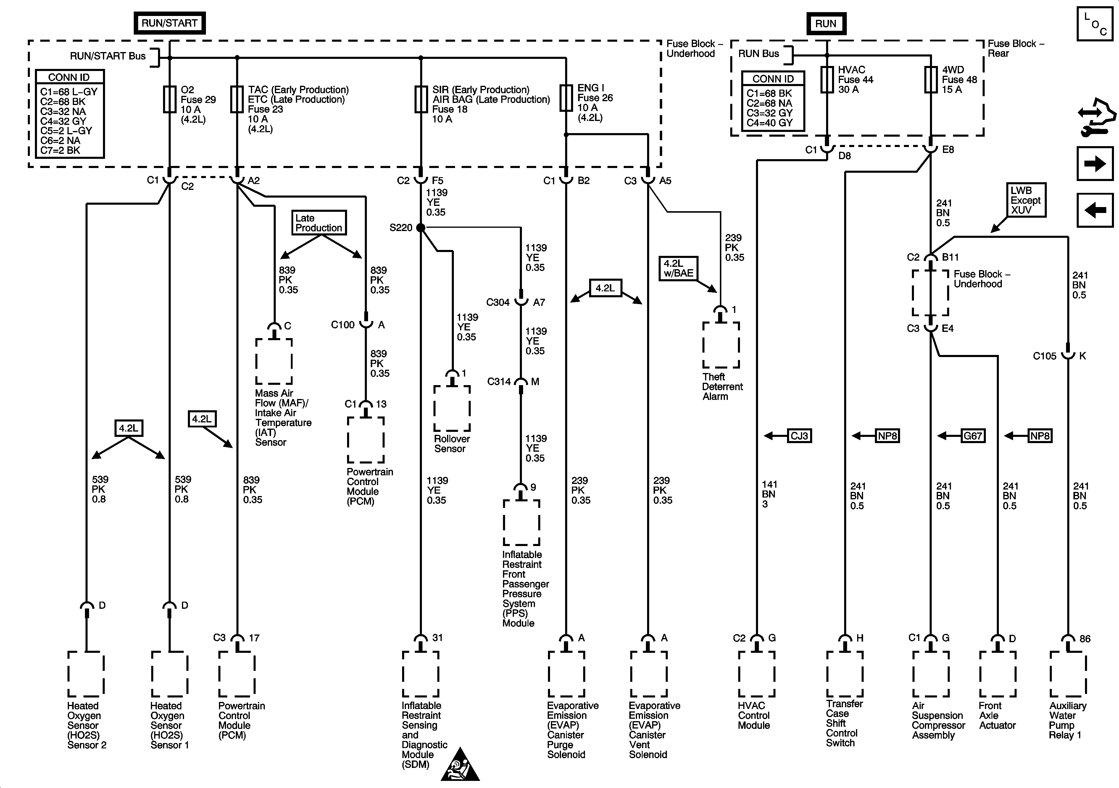
🢒 4WD, ENG I, HVAC, O2, SIR, and TAC Fuses
4WD, ENG I, HVAC, O2, SIR, and TAC Fuses
4WD, ENG I, HVAC, 02, SIR, and TAC Fuses
Master Electrical Component List
Control Module References
BRAKE, HVAC I, and TBC RUN Fuses
ECMI and TRANS Fuses - 5.3L
Ignition Switch - ACCY/RUN and RUN/START Bus Bars, IGN B Fuse
SIR Caution for Zoning