GM Service Manual Online
For 1990-2009 cars only

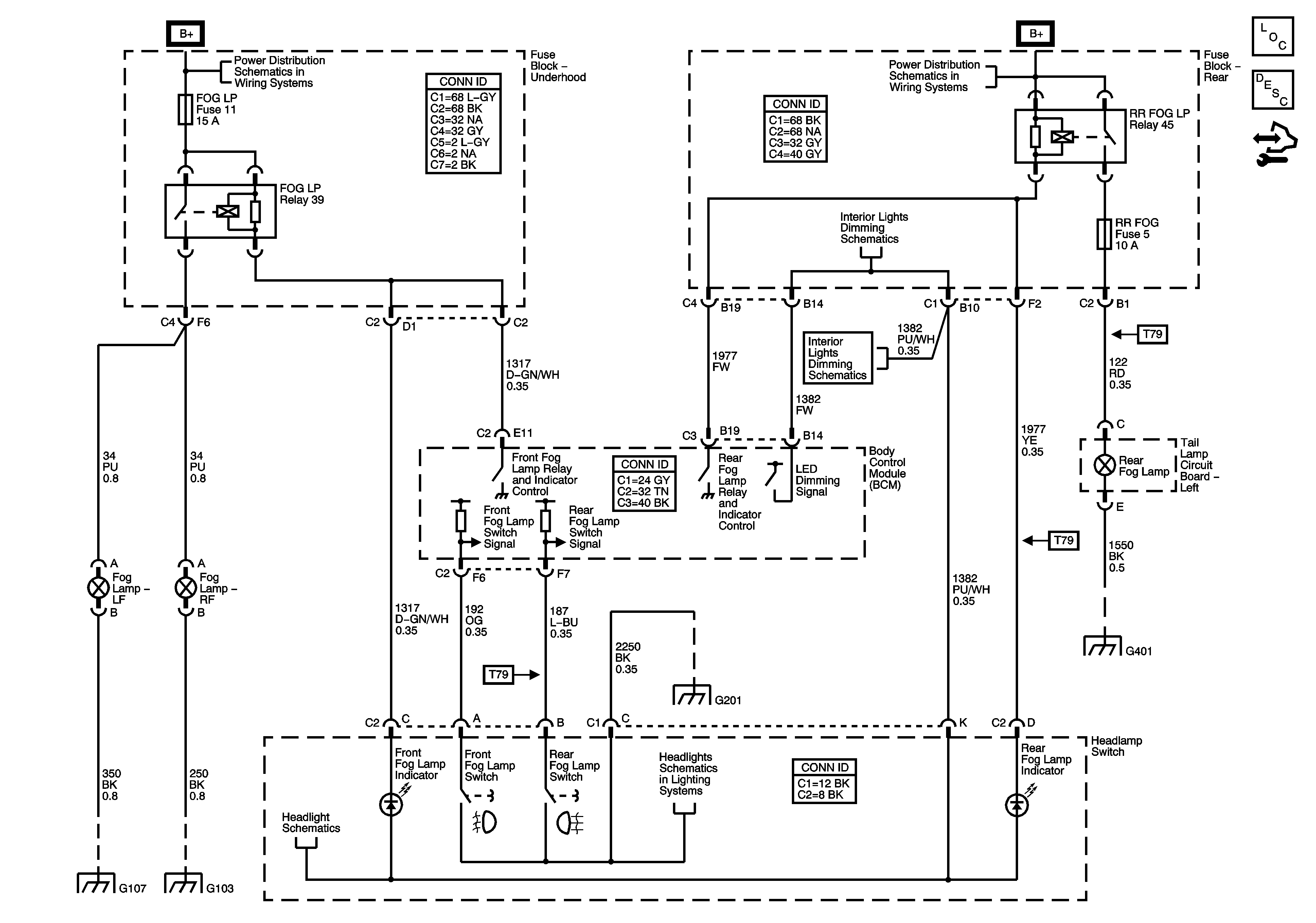
Object Number: 1429808  Size: FS
Master Electrical Component List
Exterior Lighting Systems Description and Operation
Control Module References
B+ Bus - Underhood Fuse Block
B+ Bus - Rear Fuse Block
Courtesy Lamp Supply - 2 of 2
Courtesy Lamp Supply - 2 of 2
G201 - 1 of 2
G401, G402, and G403 - Except XUV
G101, G103, G106, and G110
G101, G103, G106, and G110
Headlamp Switch
Headlamp Switch