GM Service Manual Online
For 1990-2009 cars only
Makes
🢒
Isuzu
🢒
2005
🢒
Ascender - 2WD
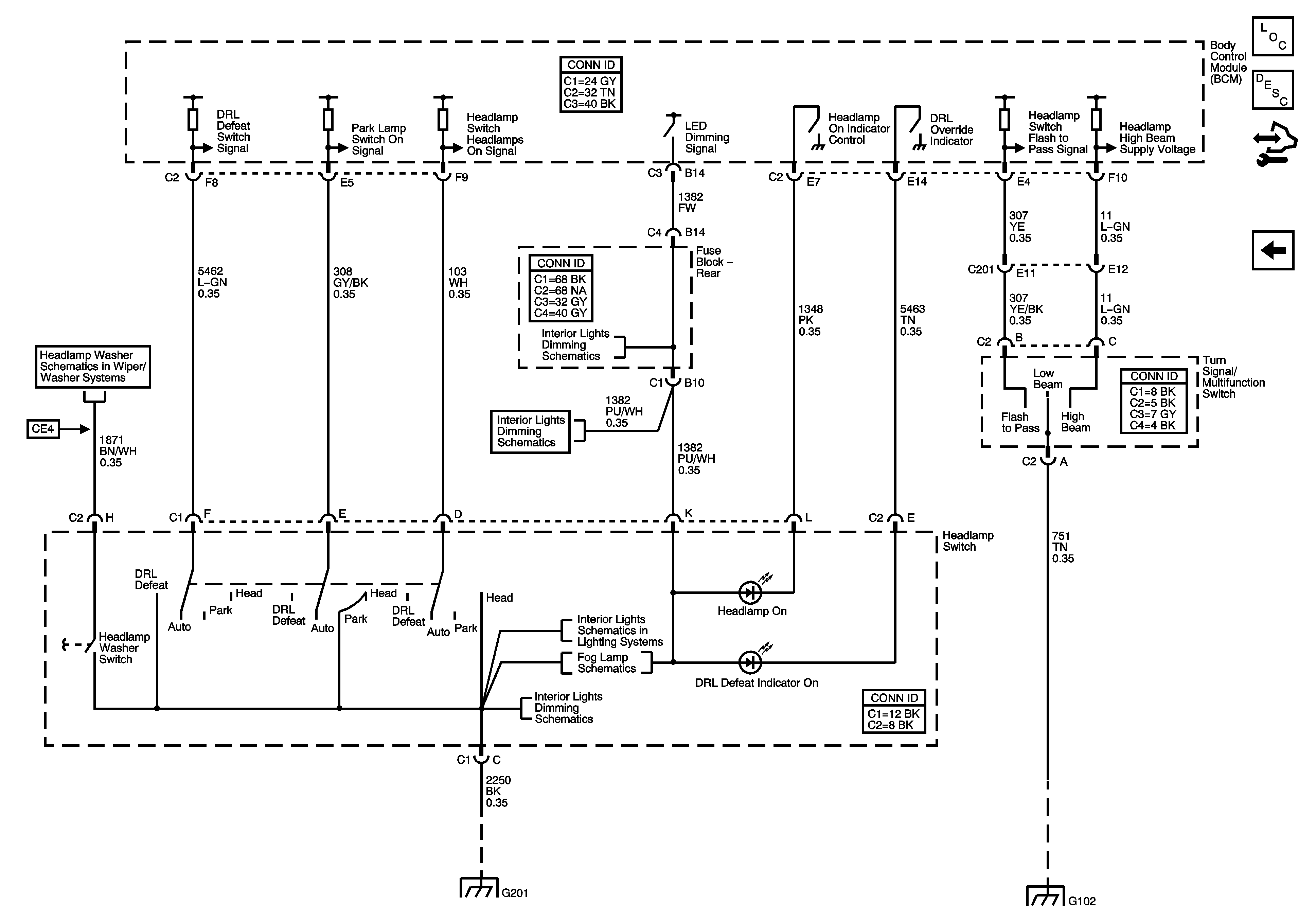
🢒 Headlamp Switch
Headlamp Switch
Headlamp Switch
Master Electrical Component List
Exterior Lighting Systems Description and Operation
Control Module References
Headlamps
Headlamp Washer (CE4)
Courtesy Lamp Supply - 2 of 2
Courtesy Lamp Supply - 2 of 2
Interior Lamps Controls
Fog Lamps
I/P Dimming Supply - 2 of 2
G201 - 1 of 2
G102