GM Service Manual Online
For 1990-2009 cars only
Makes
🢒
Isuzu
🢒
2005
🢒
Ascender - 2WD
🢒
Body
🢒
Wiring Systems
🢒 Sunroof Schematics
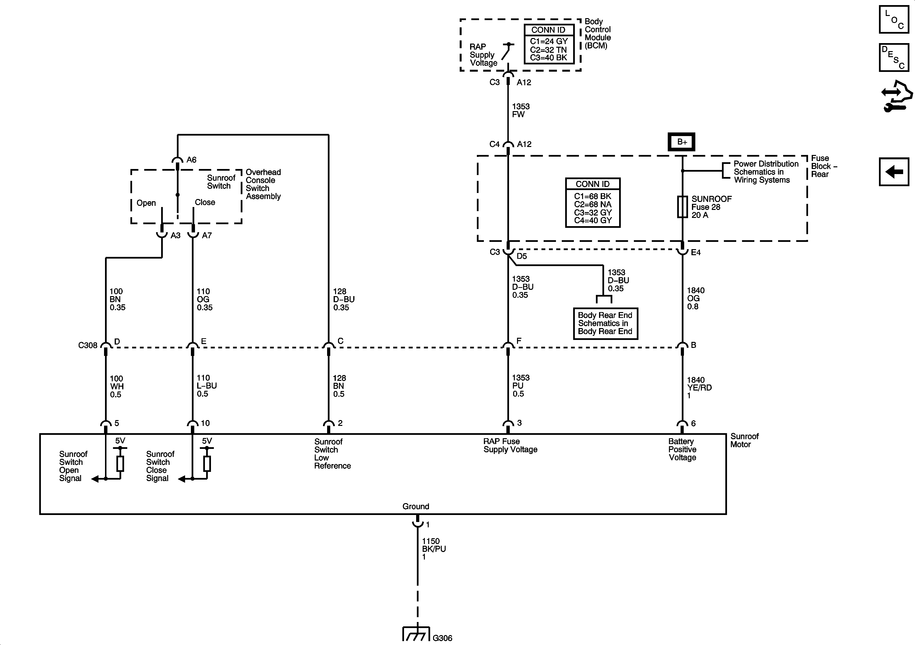
Figure
1:
Power Sunroof - Except XUV
Master Electrical Component List
Sunroof Description and Operation
Control Module References
Roof -XUV
G302 - 2 of 2
B+ Bus - Rear Fuse Block
G302 - 1 of 2, G303, and G304
Quarter Glass Windows
G306
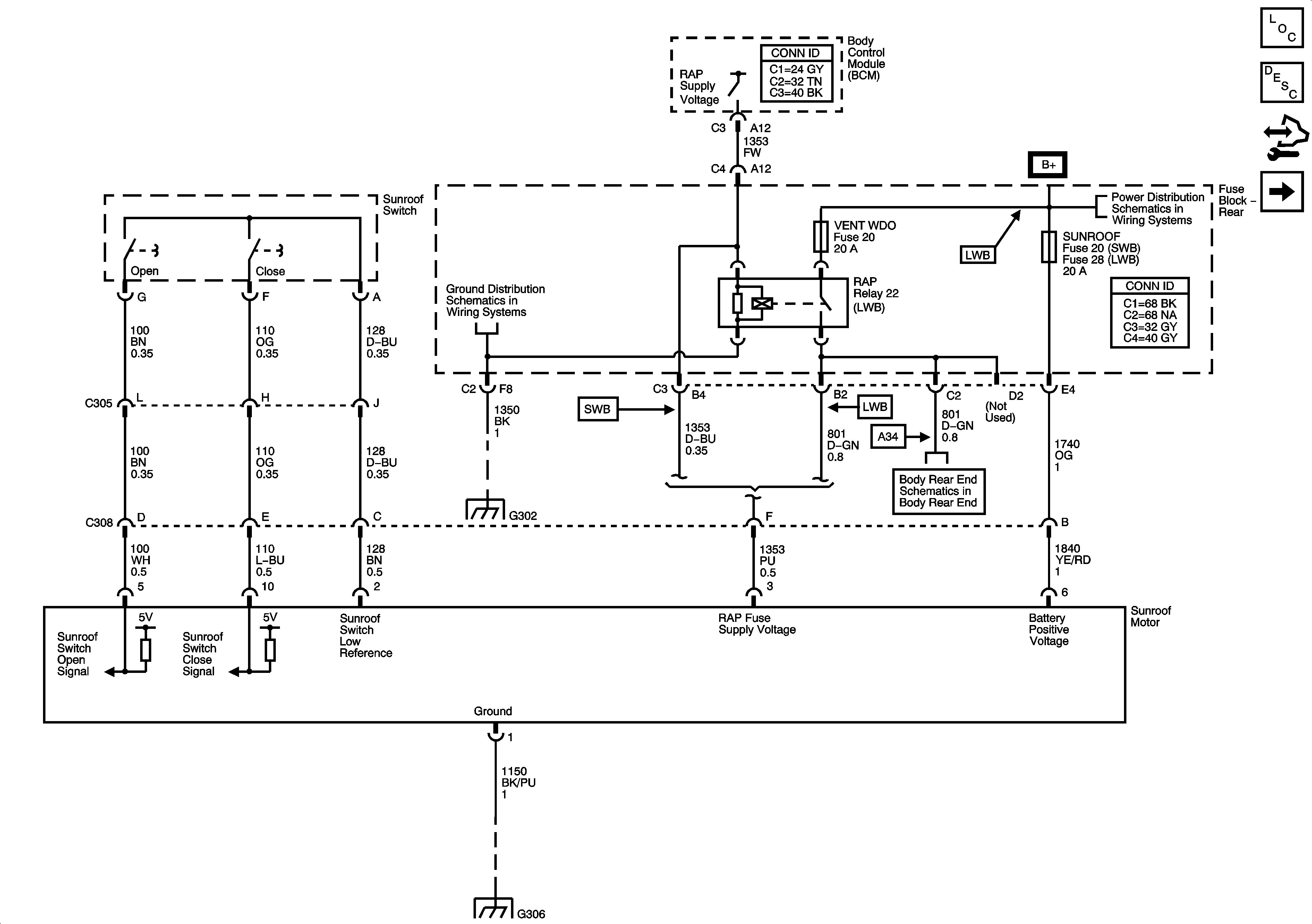
Figure
2:
Power Sunroof - XUV
Master Electrical Component List
Sunroof Description and Operation
Control Module References
Roof - Except XUV
B+ Bus - Rear Fuse Block
Midgate - XUV
G306