GM Service Manual Online
For 1990-2009 cars only
Makes
🢒
Isuzu
🢒
2005
🢒
Ascender - 2WD
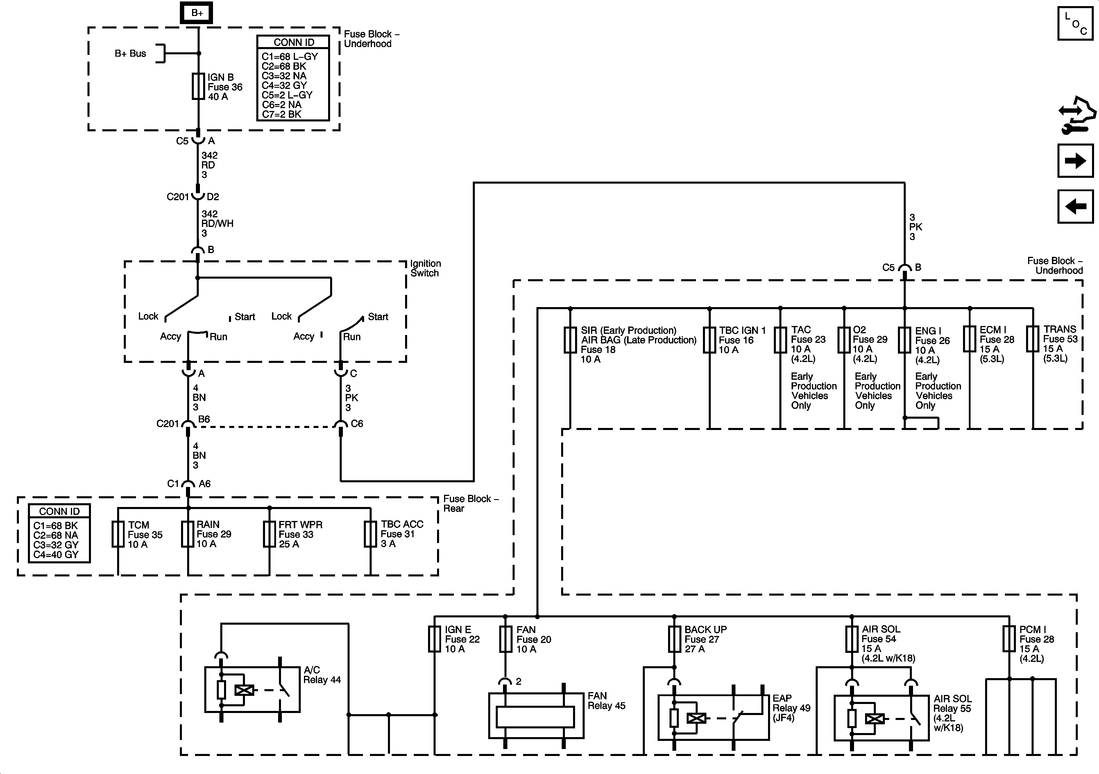
🢒 Ignition Switch - ACCY/RUN andRUN/START Bus Bars, IGN B Fuse
Ignition Switch - ACCY/RUN andRUN/START Bus Bars, IGN B Fuse
Ignition Switch - ACCY/RUN, and RUN/START Bus Bars, and IGN B Fuse
Master Electrical Component List
Control Module References
FRT WPR, IGN 0, RAIN, TBC ACC, TBC IG, and TCM Fuses
Ignition Switch - ACCY/RUN/START, RUN, and START Bus Bars, IGN A and CRANK Fuses
B+ Bus - Underhood Fuse Block