GM Service Manual Online
For 1990-2009 cars only
Makes
🢒
Isuzu
🢒
2005
🢒
Ascender - 2WD
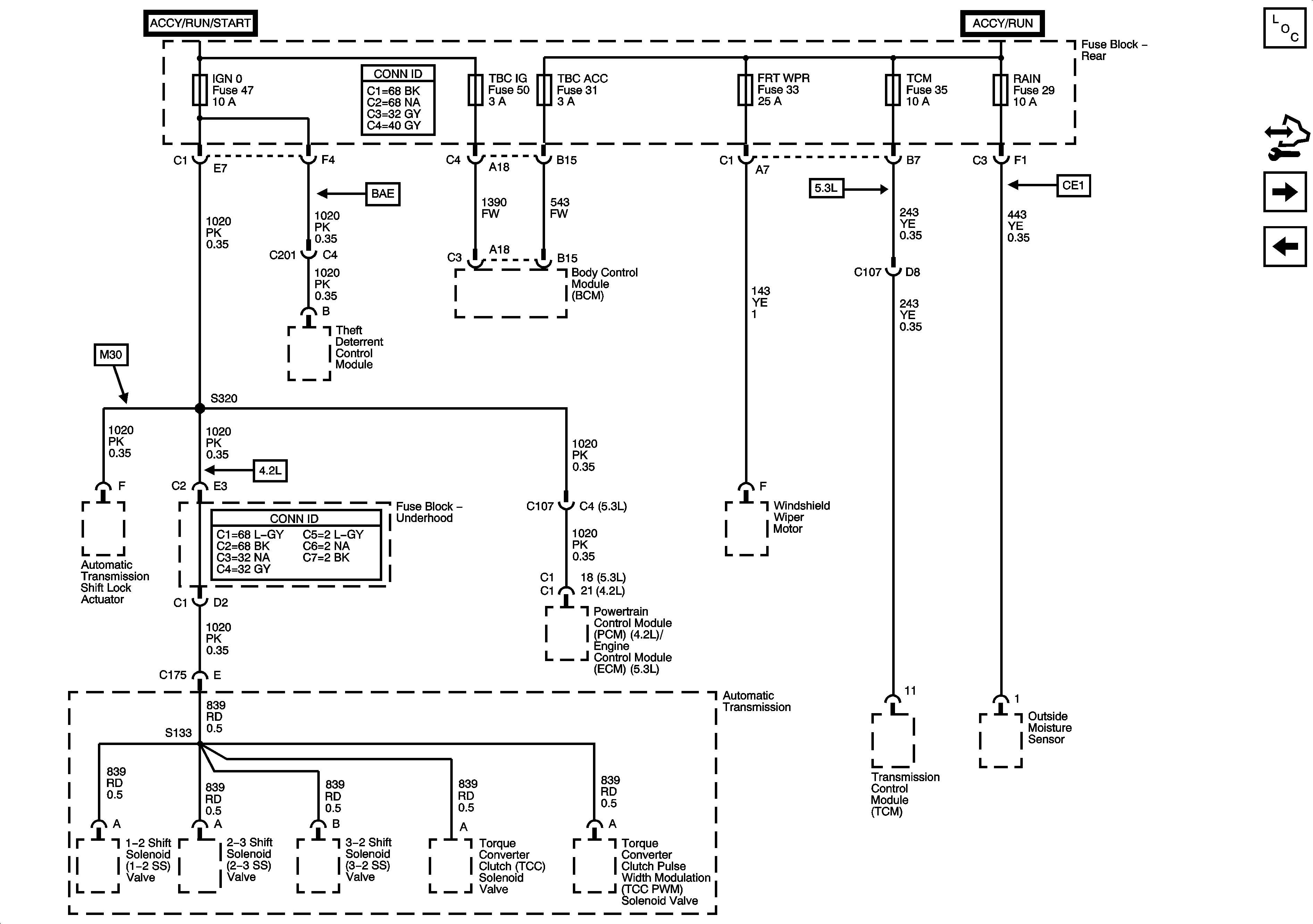
🢒 FRT WPR, IGN 0, RAIN, TBC ACC, TBC IG, and TCM Fuses
FRT WPR, IGN 0, RAIN, TBC ACC, TBC IG, and TCM Fuses
FRT WPR, IGN0, RAIN, TBC ACC, TBC IG, and TCM Fuses
Master Electrical Component List
Control Module References
BACK UP, BTSI, IGNE, TBC IGN1, and TRLR B/U Fuses
Ignition Switch - ACCY/RUN and RUN/START Bus Bars, IGN B Fuse