GM Service Manual Online
For 1990-2009 cars only
Makes
🢒
Isuzu
🢒
2005
🢒
Ascender - 2WD
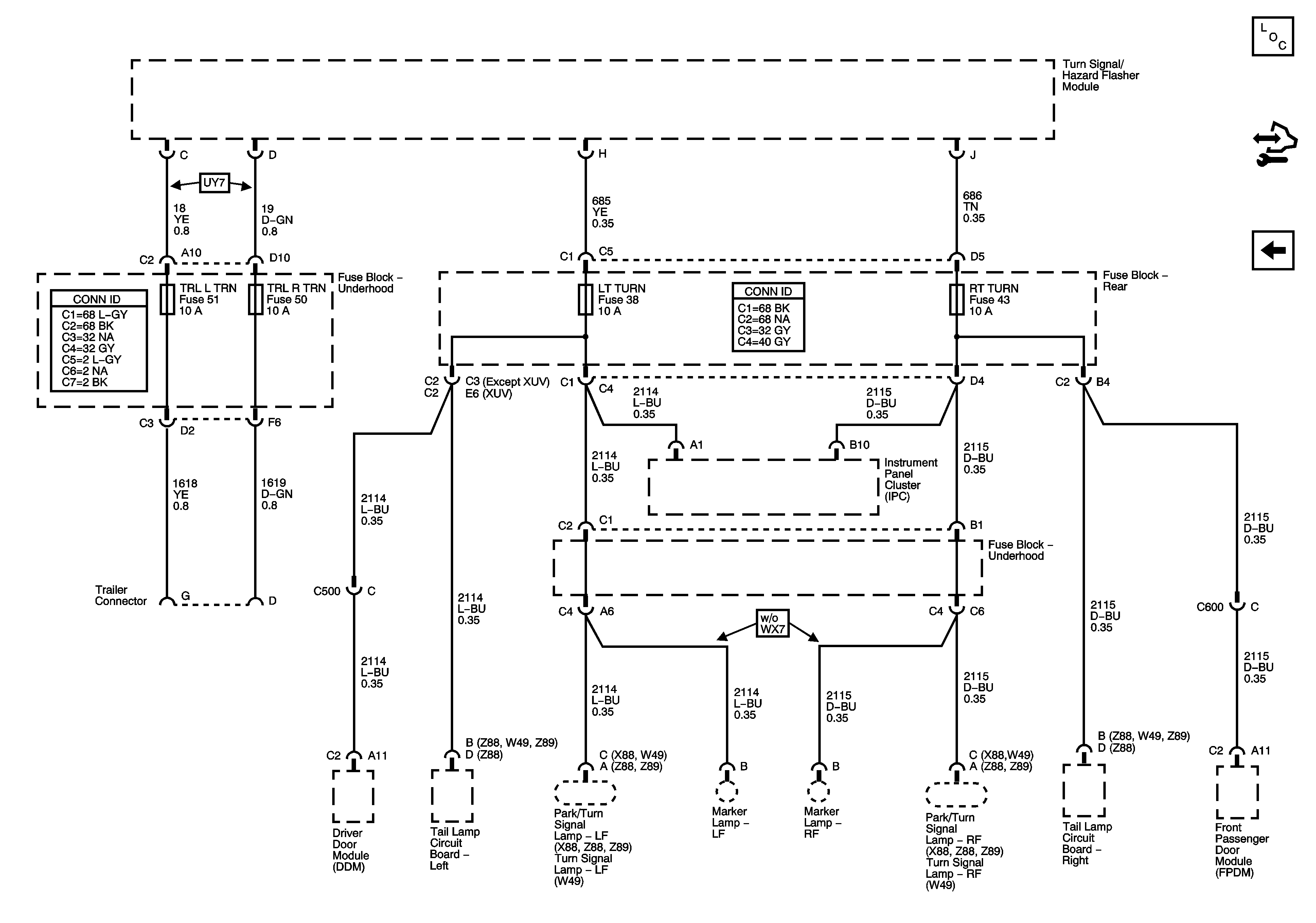
🢒 LT TURN, RT TURN, TRL LTURN, and TRL RTURN Fuses
LT TURN, RT TURN, TRL LTURN, and TRL RTURN Fuses
LT TURN, RT TURN, TRL LTURN, and TRL RTURN Fuses
Master Electrical Component List
Control Module References
ENG 1, INJA, INJB, O2A, O2B, and TAC Fuses - 5.3L