GM Service Manual Online
For 1990-2009 cars only
Makes
🢒
Isuzu
🢒
2005
🢒
Ascender - 2WD
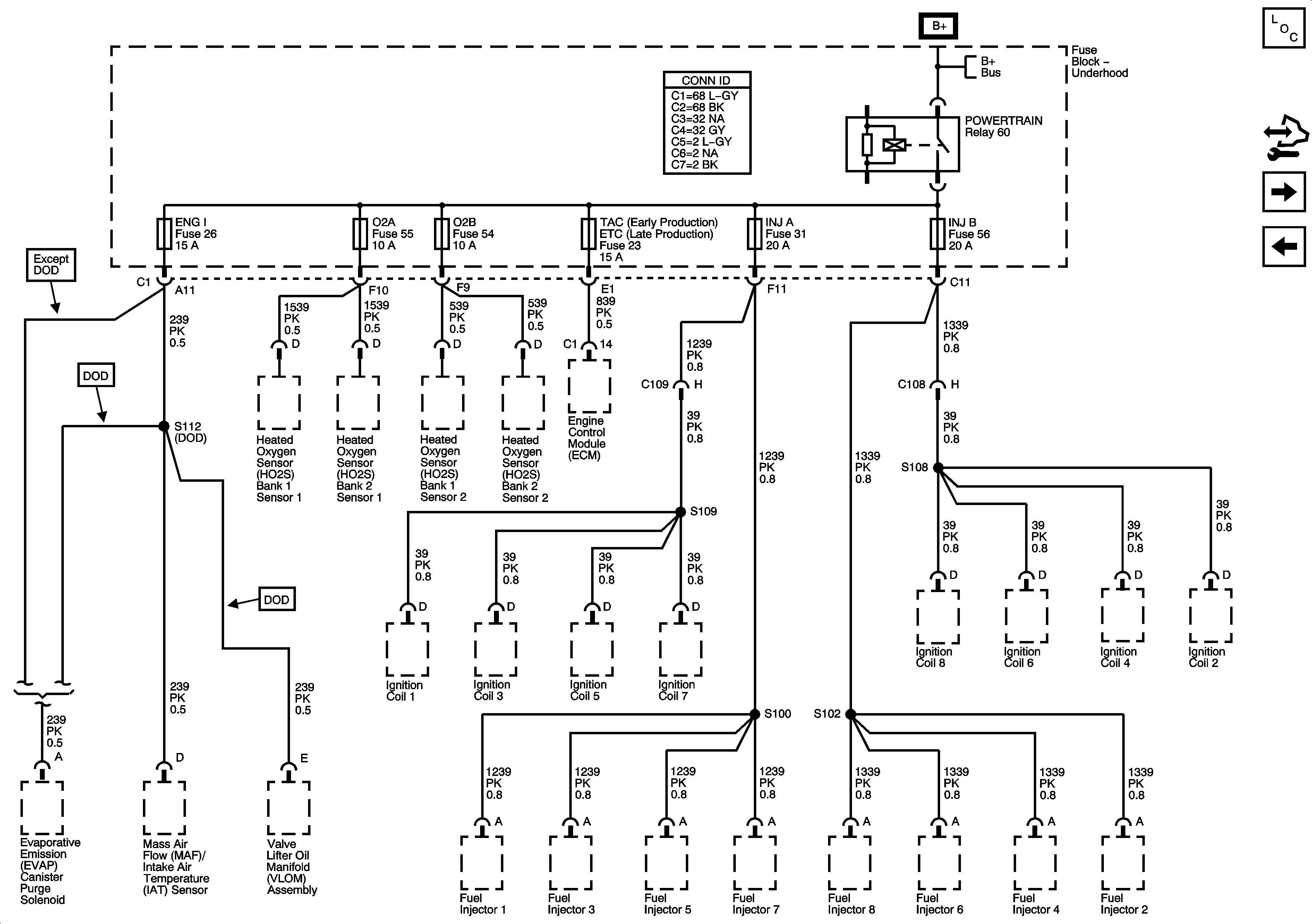
🢒 ENG 1, INJA, INJB, O2A, O2B, and TAC Fuses - 5.3L
ENG 1, INJA, INJB, O2A, O2B, and TAC Fuses - 5.3L
ENG1, INS A, INS B, 02A, 02B, and TAC Fuses - 5.3L
Master Electrical Component List
Control Module References
LT TURN, RT TURN, TRL LTURN, and TRL RTURN Fuses
BRAKE, HVAC I, and TBC RUN Fuses
B+ Bus - Underhood Fuse Block