GM Service Manual Online
For 1990-2009 cars only
Makes
🢒
Isuzu
🢒
2005
🢒
Ascender - 2WD
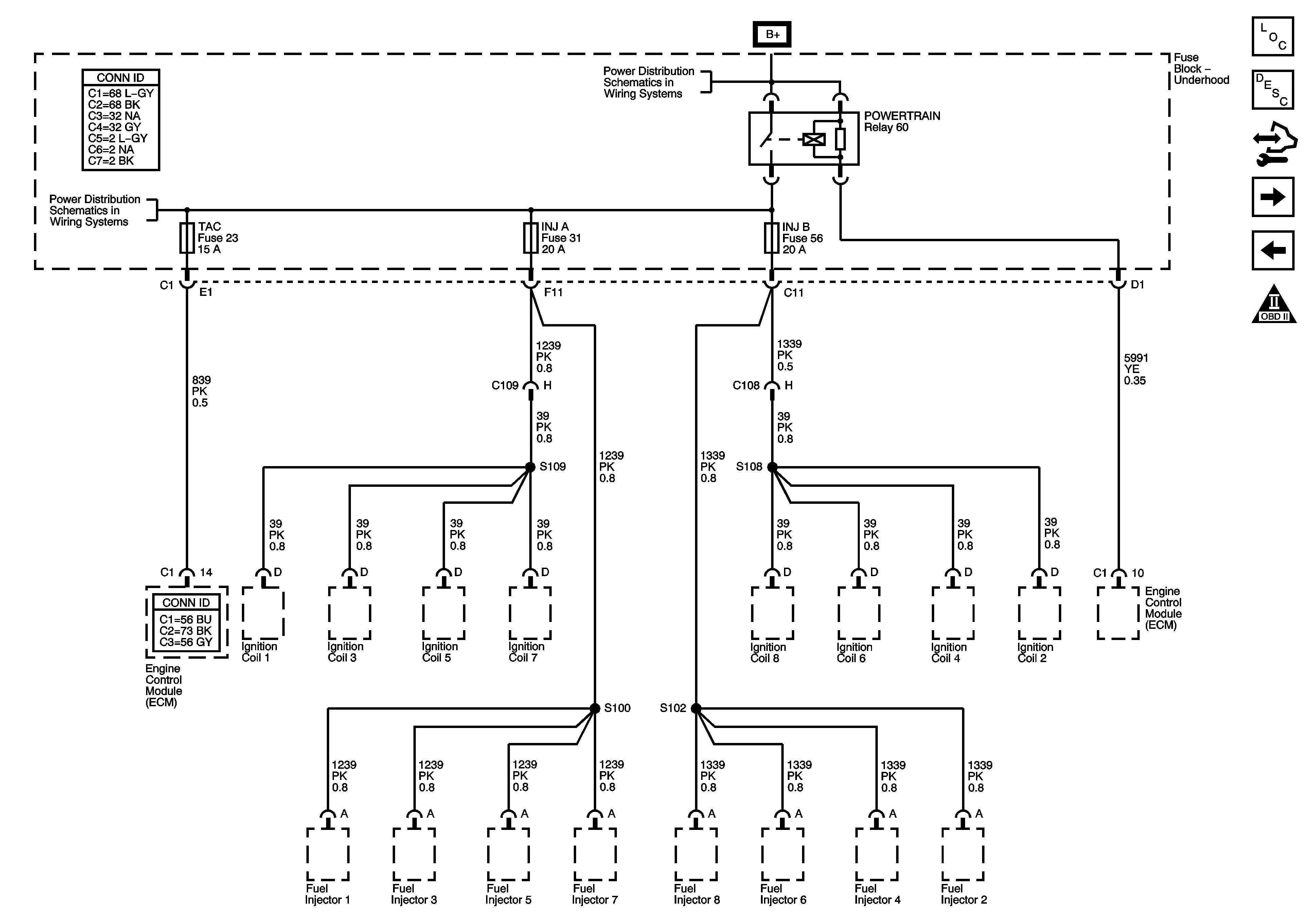
🢒 Fuse Block - Underhood Powertrain Relay - 1 of 2
Fuse Block - Underhood Powertrain Relay - 1 of 2
Fuse Block - Underhood Powertrain Relay - 1 of 2
Master Electrical Component List
Engine Control Module Description
Control Module References
Fuse Block - Underhood Powertrain Relay - 2 of 2
Module Power, Ground, Serial Data, and MIL
OBD II Symbol Description Notice
ENG 1, INJA, INJB, O2A, O2B, and TAC Fuses - 5.3L
B+ Bus - Underhood Fuse Block