GM Service Manual Online
For 1990-2009 cars only
Makes
🢒
Isuzu
🢒
2005
🢒
Ascender - 2WD
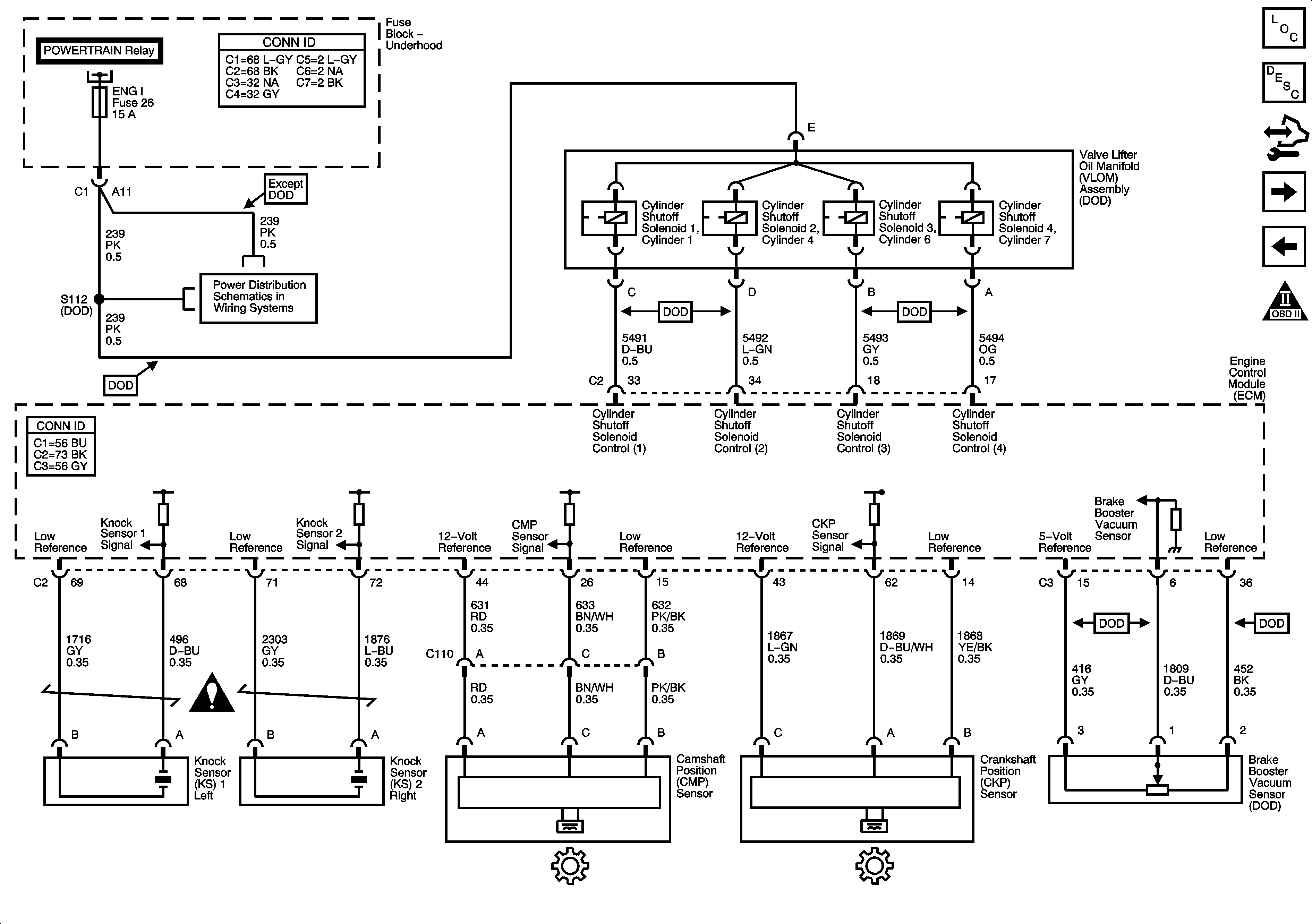
🢒 Ignition Controls - Sensors and Displacement On Demand Controls
Ignition Controls - Sensors and Displacement On Demand Controls
Ignition Controls - Sensors and Displacement on Demand
Master Electrical Component List
Engine Control Module Description
Control Module References
Fuel Controls - Fuel Pump Controls and Fuel Injectors
Ignition Controls - Ignition System Coils 2, 4, 6, 8
OBD II Symbol Description Notice
Fuse Block - Underhood Powertrain Relay - 2 of 2
ENG 1, INJA, INJB, O2A, O2B, and TAC Fuses - 5.3L
Engine Controls Schematic Icons