GM Service Manual Online
For 1990-2009 cars only
Makes
🢒
Isuzu
🢒
2005
🢒
Ascender - 2WD
🢒 Fuel Controls - EVAP Controls
Fuel Controls - EVAP Controls
Fuel Controls - EVAP Controls
Master Electrical Component List
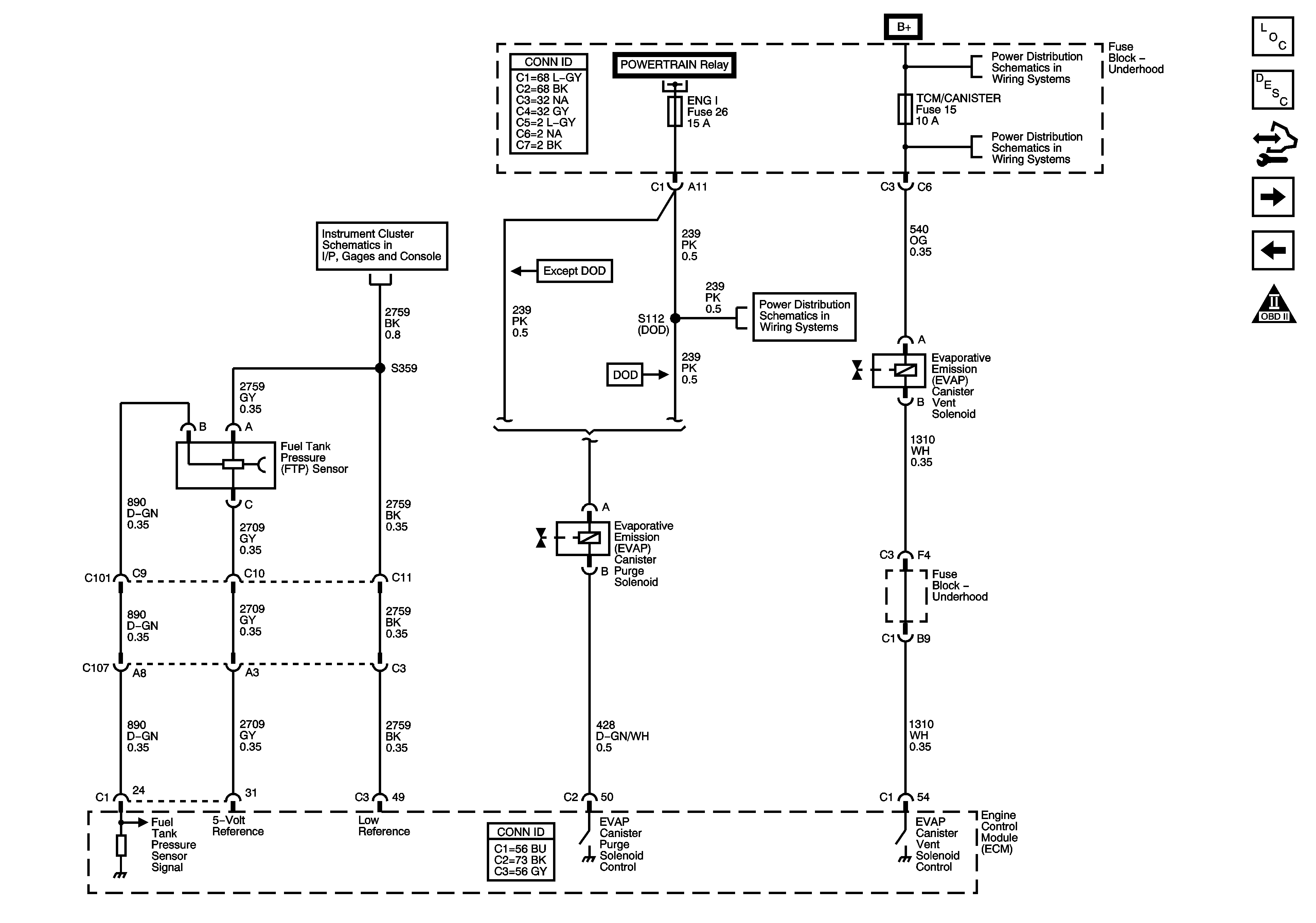
Evaporative Emission Control System Description
Control Module References
Controlled/Monitored Subsystem References
Fuel Controls - Fuel Pump Controls and Fuel Injectors
OBD II Symbol Description Notice
Fuse Block - Underhood Powertrain Relay - 2 of 2
B+ Bus - Underhood Fuse Block
AUX PWR1, AUX PWR2, RRHVAC, SUNROOF, TBC2, TBC3, TBC4, TBC5, and TCM/CANISTER Fuses
Fuel Gage
ENG 1, INJA, INJB, O2A, O2B, and TAC Fuses - 5.3L