GM Service Manual Online
For 1990-2009 cars only
Makes
🢒
Isuzu
🢒
2005
🢒
Ascender - 2WD
🢒 Cooling Fan Controls
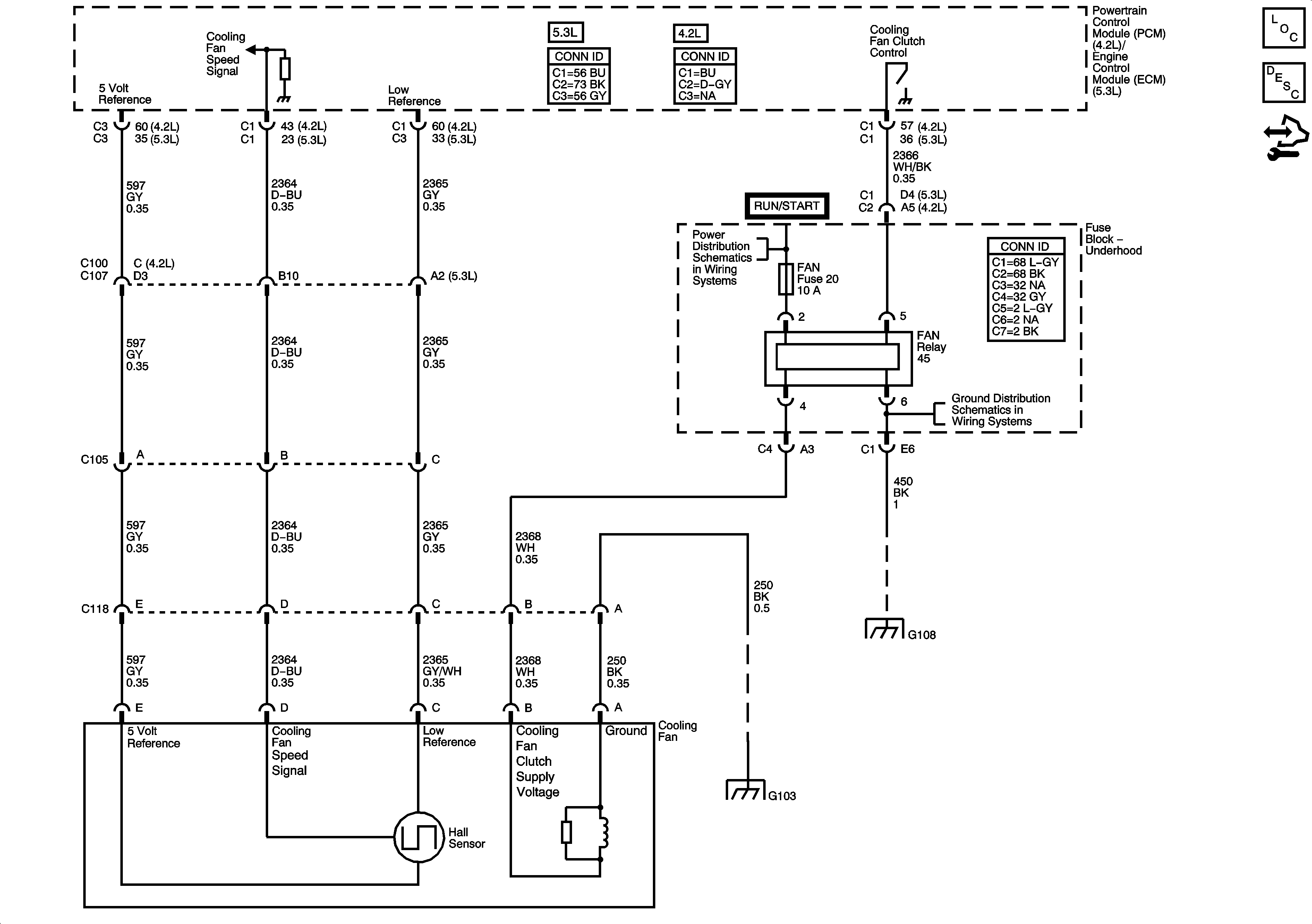
Cooling Fan Controls
Master Electrical Component List
Cooling System Description and Operation
Control Module References
Ignition Switch - ACCY/RUN and RUN/START Bus Bars, IGN B Fuse
G108
G108
G101, G103, G106, and G110