GM Service Manual Online
For 1990-2009 cars only
Makes
🢒
Isuzu
🢒
2005
🢒
Ascender - 2WD
🢒 Transmission Controls
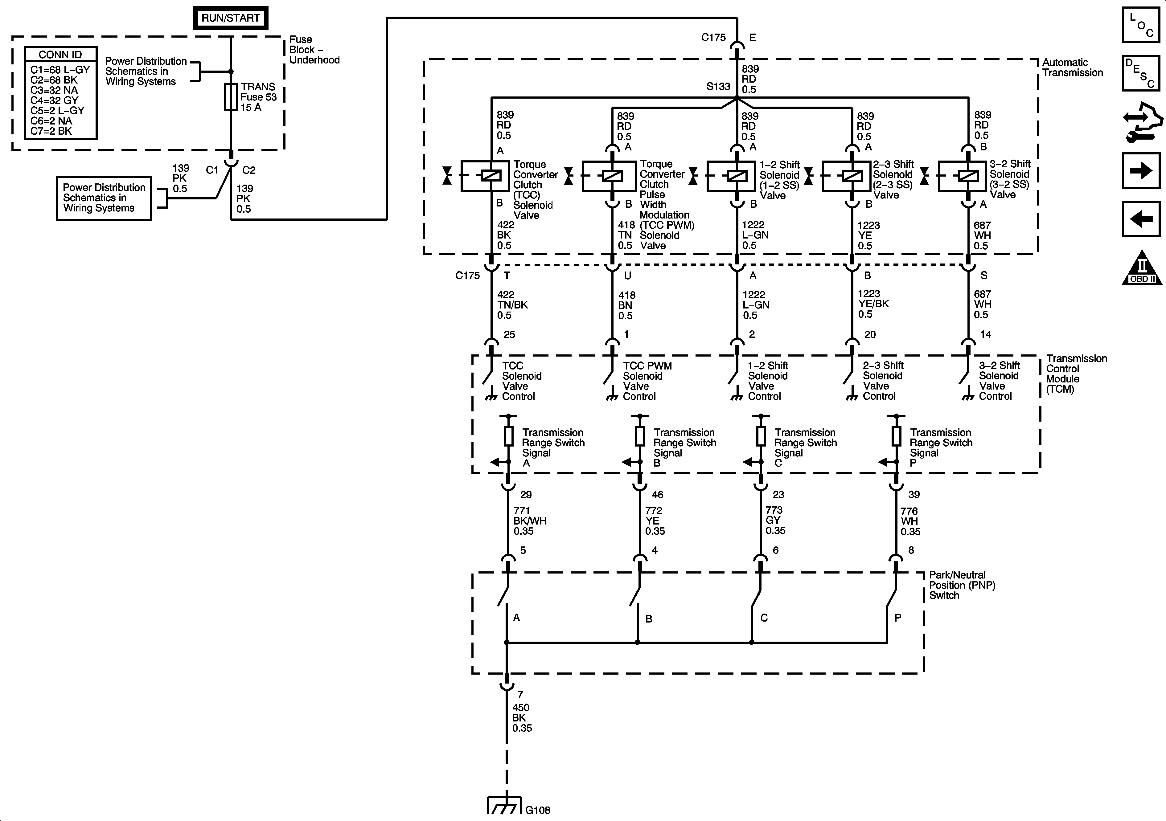
Transmission Controls
Shift Controls and PNP Switch
Master Electrical Component List
Transmission General Information
Control Module References
Pressure Controls, Temperature, and VSS
Module Power, Ground, Serial Data, and Stop Lamp Switch
OBD II Symbol Description Notice
Ignition Switch - ACCY/RUN and RUN/START Bus Bars, IGN B Fuse
ECMI and TRANS Fuses - 5.3L
G108