GM Service Manual Online
For 1990-2009 cars only
Makes
🢒
Isuzu
🢒
2005
🢒
Ascender - 2WD
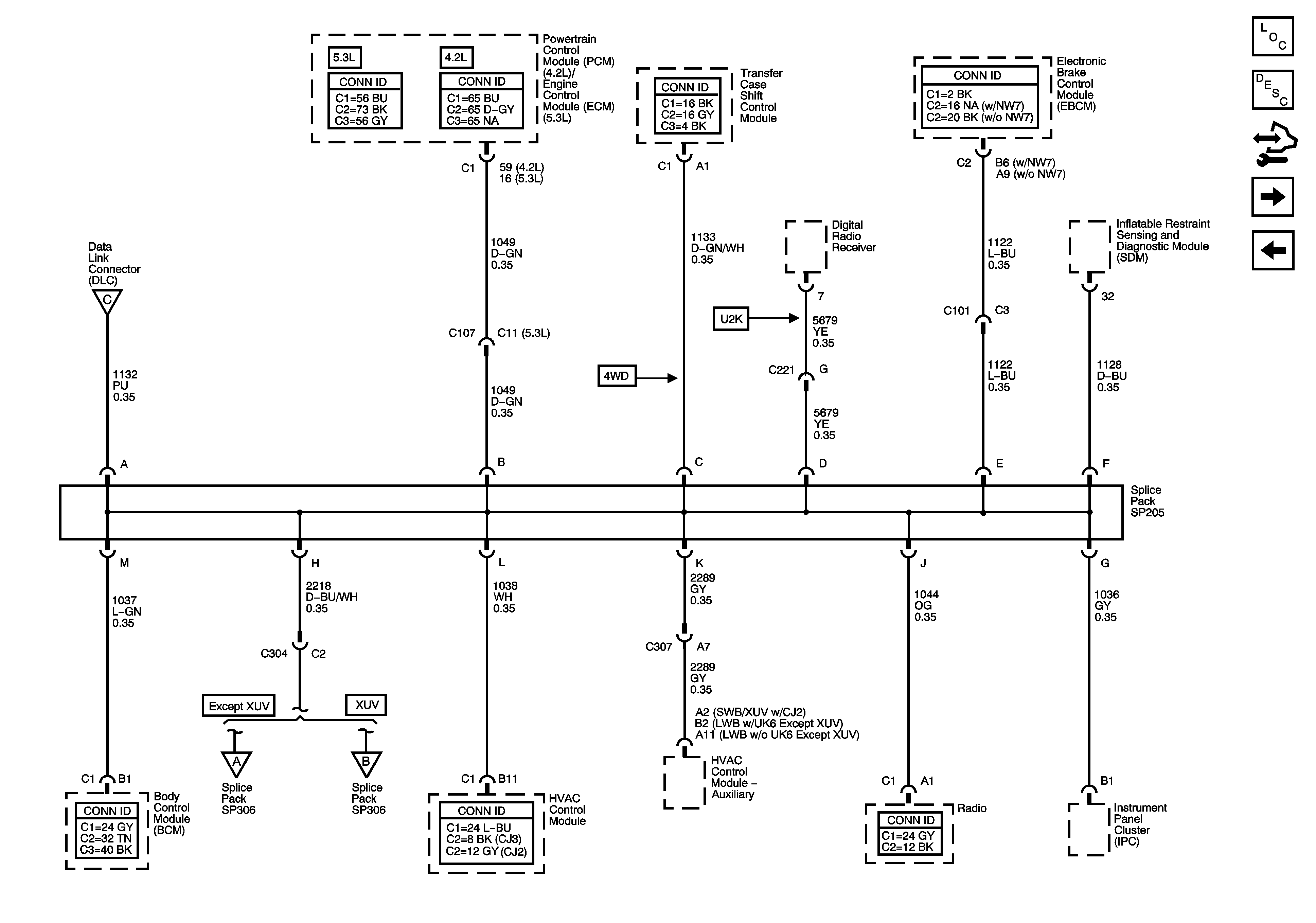
🢒 SP205
SP205
SP205
Master Electrical Component List
Data Link Communications Description and Operation
Control Module References
SP306 - except XUV
Power, Ground, Data Link Connector
Power, Ground, Data Link Connector
SP306 - except XUV
SP306 - XUV