GM Service Manual Online
For 1990-2009 cars only
Makes
🢒
Isuzu
🢒
2005
🢒
Ascender - 2WD
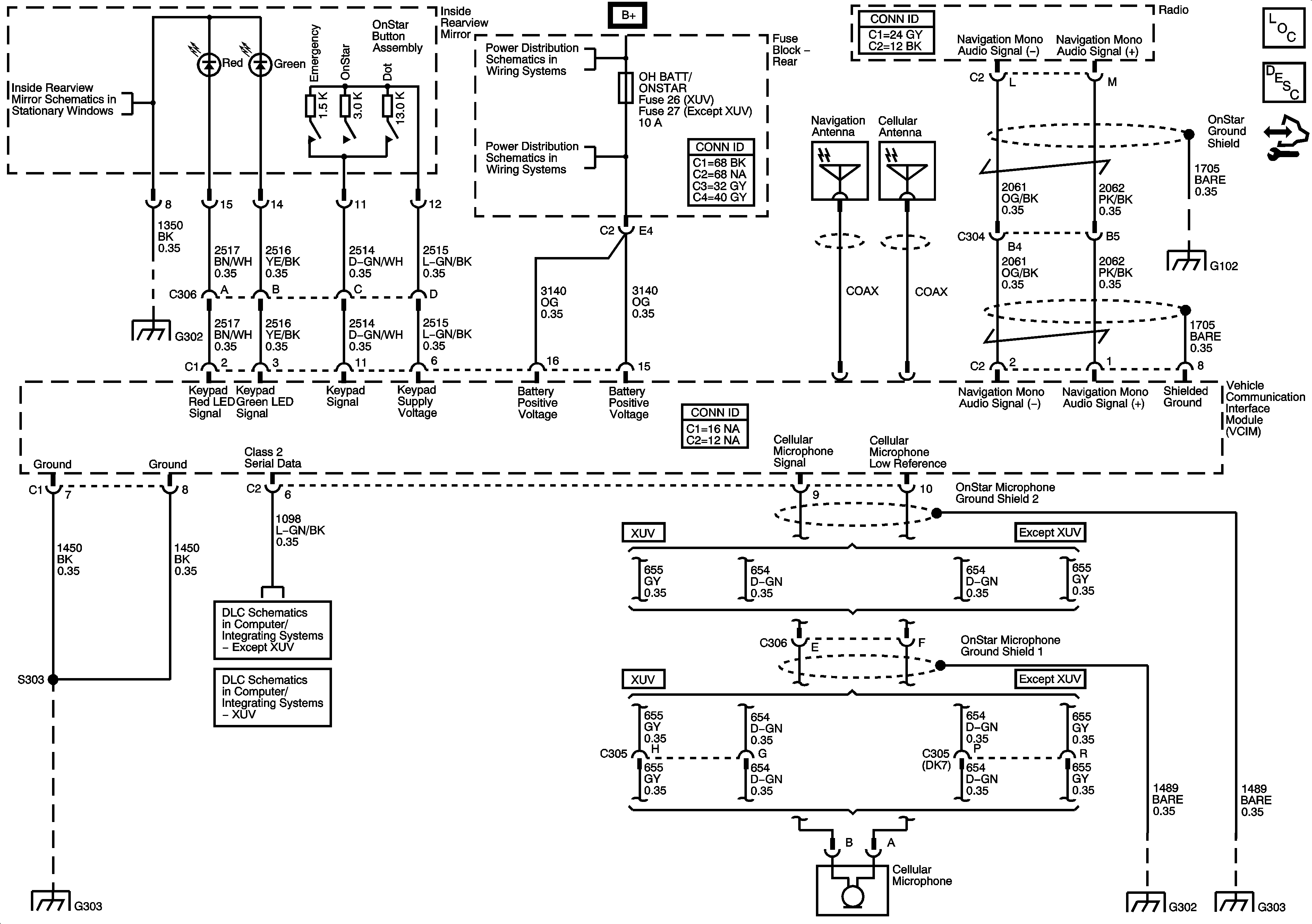
🢒 OnStar
OnStar
Master Electrical Component List
OnStar Description and Operation
Control Module References
Auto Day/Night Mirrors
B+ Bus - Rear Fuse Block
HVAC B, LGM/DSM, OHBATT/ONSTAR, and RADIO Fuses
G102
G302 - 1 of 2, G303, and G304
SP306 - except XUV
SP306 - XUV
G302 - 1 of 2, G303, and G304
G302 - 1 of 2, G303, and G304
G302 - 1 of 2, G303, and G304