GM Service Manual Online
For 1990-2009 cars only
Makes
🢒
Isuzu
🢒
2005
🢒
Ascender - 2WD
🢒 Seat Belts
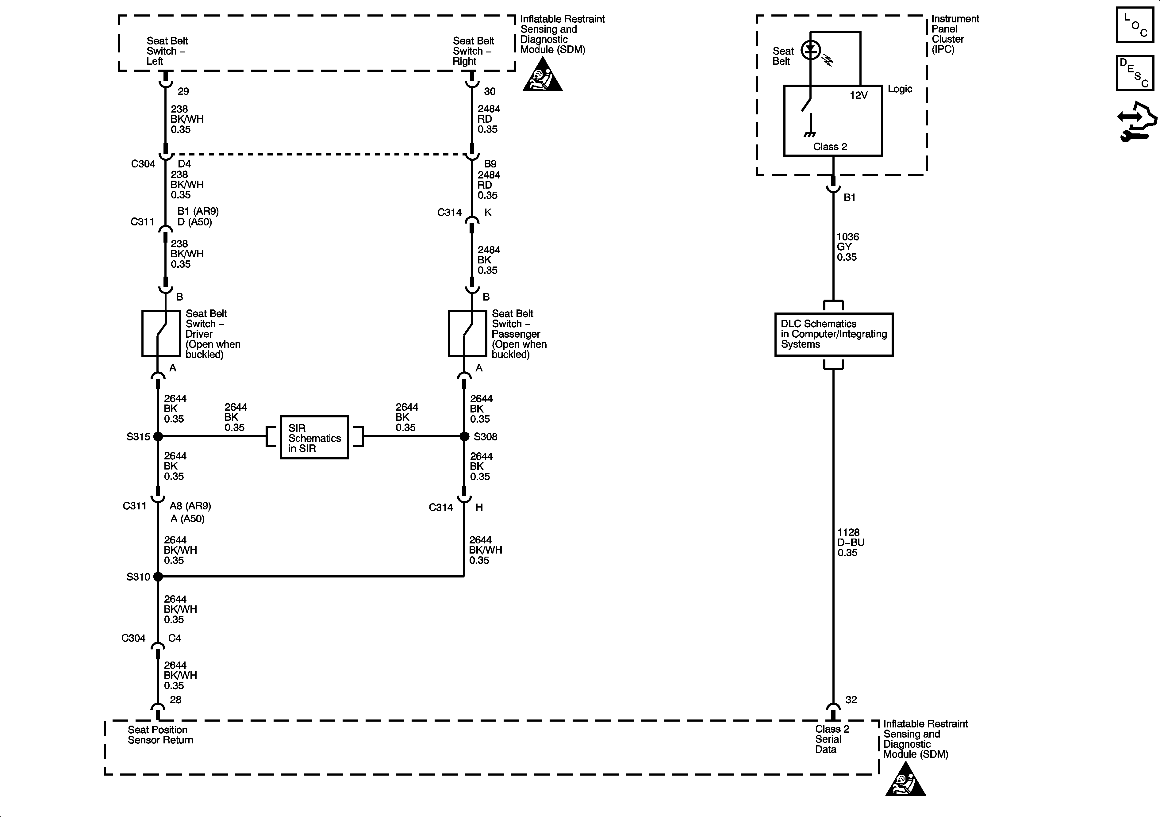
Seat Belts
Master Electrical Component List
Seat Belt System Description and Operation
Control Module References
SIR Caution for Zoning
Seat Position Sensors, Rollover Sensor, PPS Module and Seat Belt Pretensioners
SP205
SIR Caution for Zoning