GM Service Manual Online
For 1990-2009 cars only
Makes
🢒
Isuzu
🢒
2005
🢒
Ascender - 2WD
🢒 Outside Mirrors
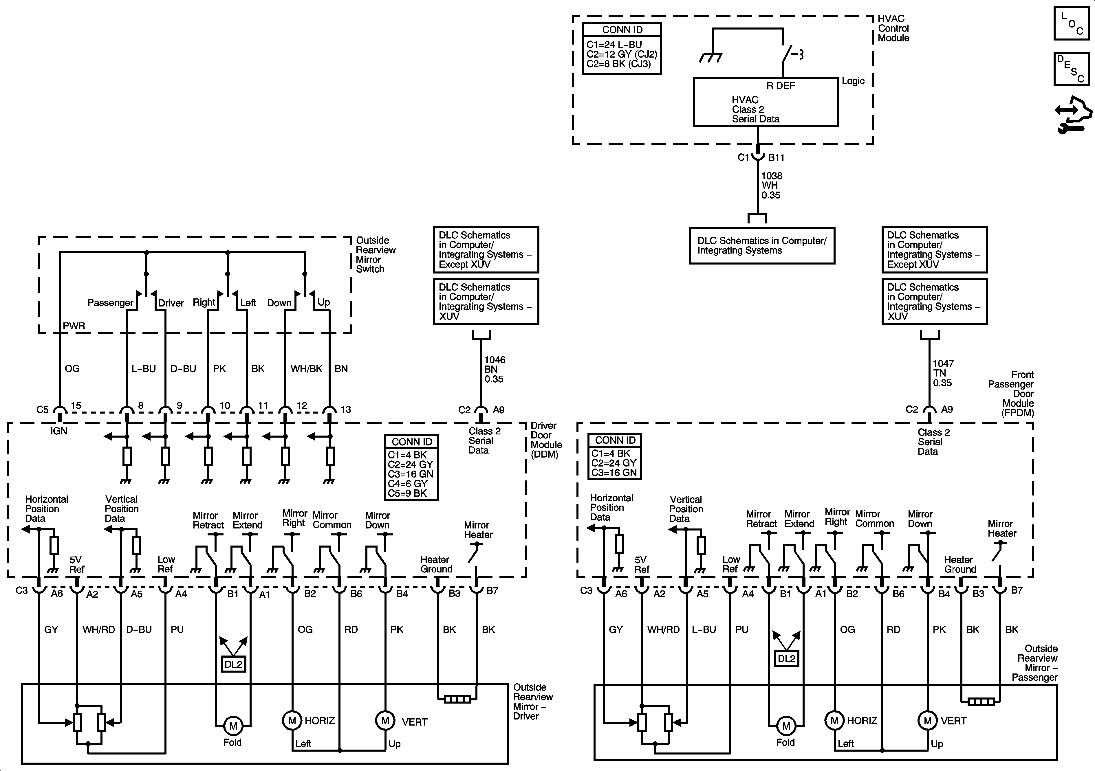
Outside Mirrors
Master Electrical Component List
Outside Mirror Description and Operation Power Mirrors
Control Module References
SP306 - except XUV
SP306 - XUV
SP205
SP306 - except XUV
SP306 - XUV