GM Service Manual Online
For 1990-2009 cars only
Makes
🢒
Isuzu
🢒
2006
🢒
Ascender - 2WD
🢒
Vehicle Control Systems
🢒
Vehicle DTC Information
🢒 Radio/Audio System Schematics
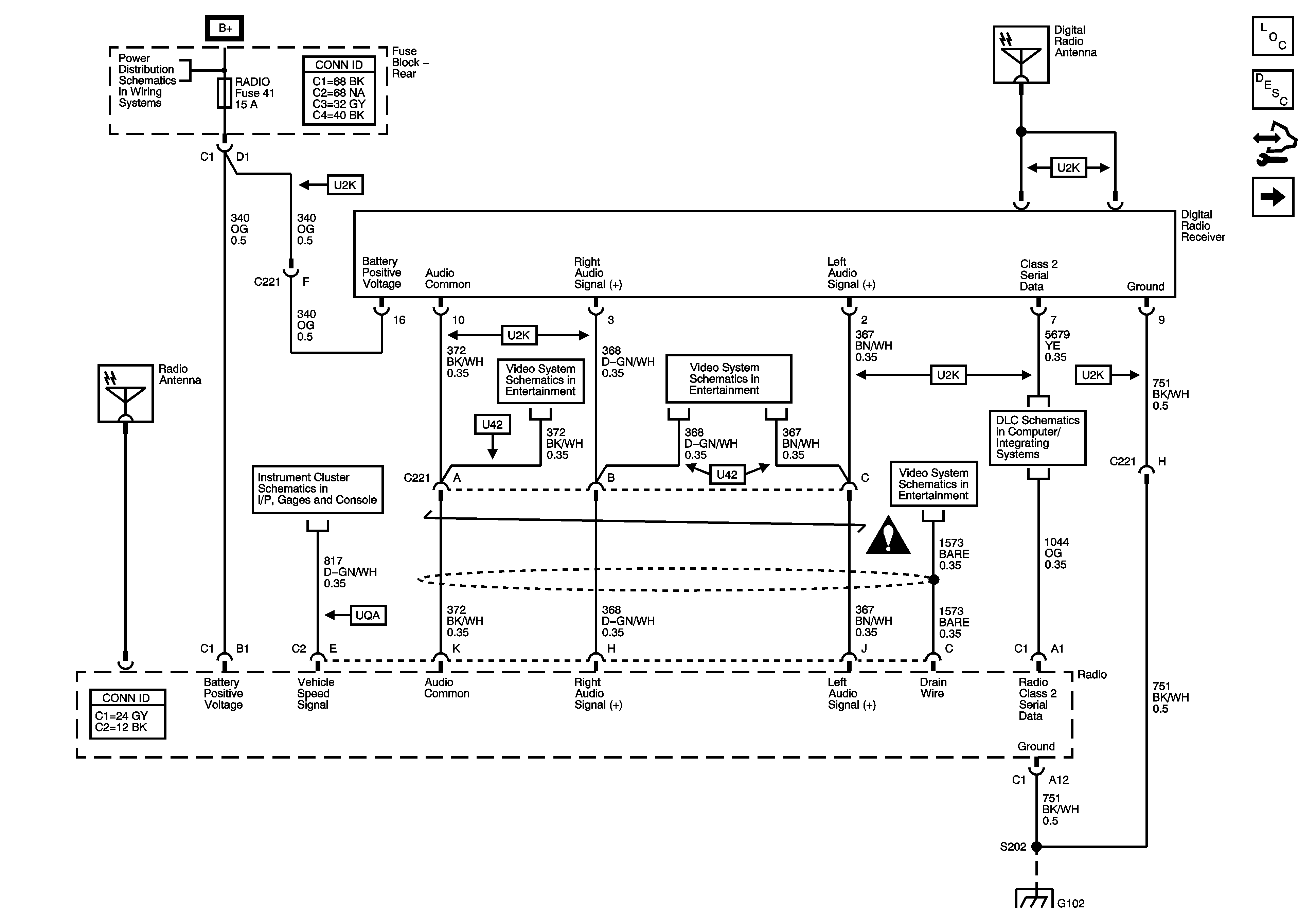
Figure
1:
Power, Ground, Serial Data, and Digital Radio Receiver
Master Electrical Component List
Radio/Audio System Description and Operation
Control Module References
Base Radio - w/o Rear Seat Audio Controls
HVAC B, LGM/DSM, OH BATT/ONSTAR, and RADIO FUSES
Gages
Video System Schematics
Video System Schematics
Entertainment Schematic Icons
Video System Schematics
SP205
G102
Figure
2:
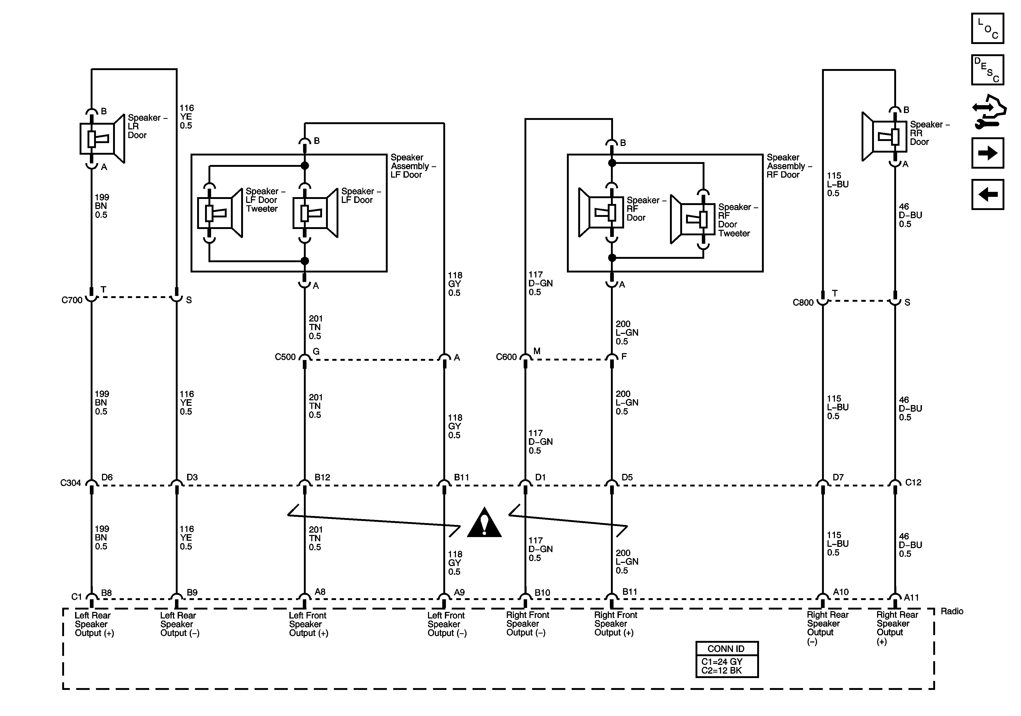
Base Radio - w/o Rear Seat Audio Controls
Master Electrical Component List
Radio/Audio System Description and Operation
Control Module References
Base Radio - w/Rear Seat Audio Controls
Power, Ground, Serial Data, and Digital Radio Receiver
Entertainment Schematic Icons
Figure
3:
Base Radio - w/Rear Seat Audio Controls
Master Electrical Component List
Radio/Audio System Description and Operation
Control Module References
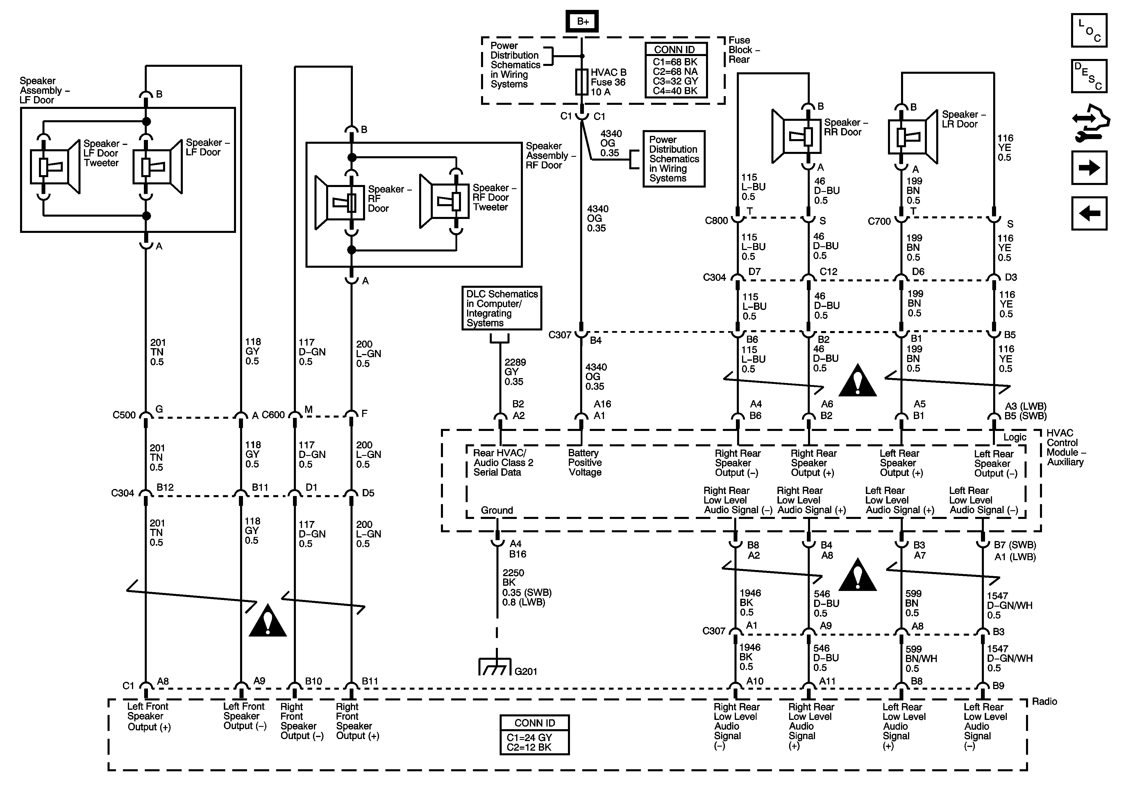
Audio Amplifier, Power, Ground, and Premium Radio Low Level Audio Outputs w/o Rear Seat Audio Controls
Base Radio - w/o Rear Seat Audio Controls
B+ Bus - Rear Fuse Block
HVAC B, LGM/DSM, OH BATT/ONSTAR, and RADIO FUSES
SP205
Entertainment Schematic Icons
Entertainment Schematic Icons
G201 - 1 of 2
Entertainment Schematic Icons
Figure
4:
Audio Amplifier, Power, Ground, and Premium Radio Low Level Audio Outputs w/o Rear Seat Audio Controls
Master Electrical Component List
Radio/Audio System Description and Operation
Control Module References
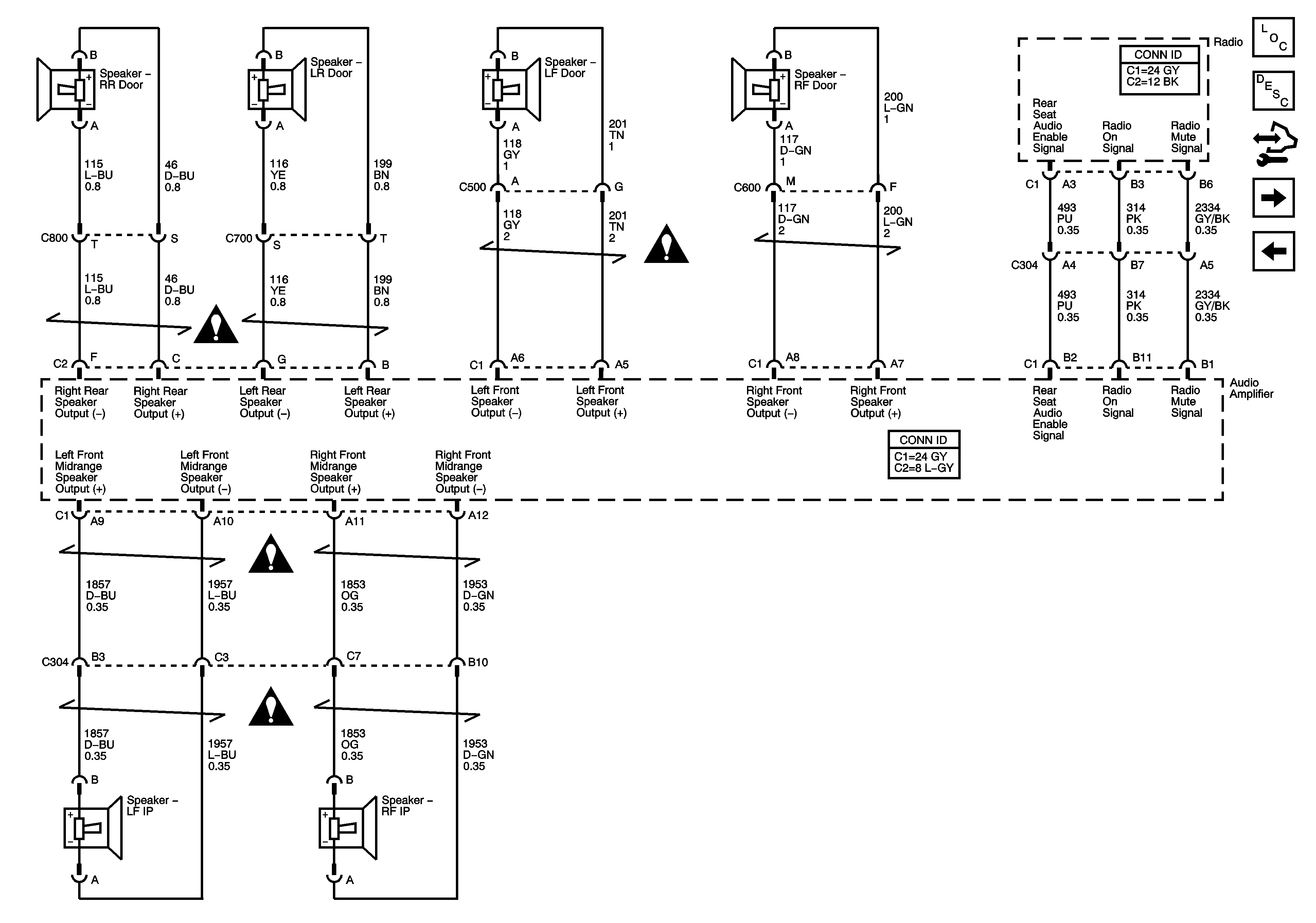
Audio Amplifier, Power, Ground, and Premium Radio Low Level Audio Outputs w/Rear Seat Audio Controls
B+ Bus - Rear Fuse Block
Entertainment Schematic Icons
Entertainment Schematic Icons
G102
G401, G402, and G403
Figure
5:
Audio Amplifier, Power, Ground, and Premium Radio Low Level Audio Outputs w/Rear Seat Audio Controls
Master Electrical Component List
Radio/Audio System Description and Operation
Control Module References
Premium Radio Amplifier Outputs
Audio Amplifier, Power, Ground, and Premium Radio Low Level Audio Outputs w/o Rear Seat Audio Controls
B+ Bus - Rear Fuse Block
Entertainment Schematic Icons
Entertainment Schematic Icons
Entertainment Schematic Icons
HVAC B, LGM/DSM, OH BATT/ONSTAR, and RADIO FUSES
Entertainment Schematic Icons
SP205
G201 - 1 of 2
Entertainment Schematic Icons
Entertainment Schematic Icons
G401, G402, and G403
Figure
6:
Premium Radio Amplifier Outputs
Master Electrical Component List
Radio/Audio System Description and Operation
Control Module References
Steering Wheel Controls - STW
Audio Amplifier, Power, Ground, and Premium Radio Low Level Audio Outputs w/Rear Seat Audio Controls
Entertainment Schematic Icons
Entertainment Schematic Icons
Entertainment Schematic Icons
Entertainment Schematic Icons
Figure
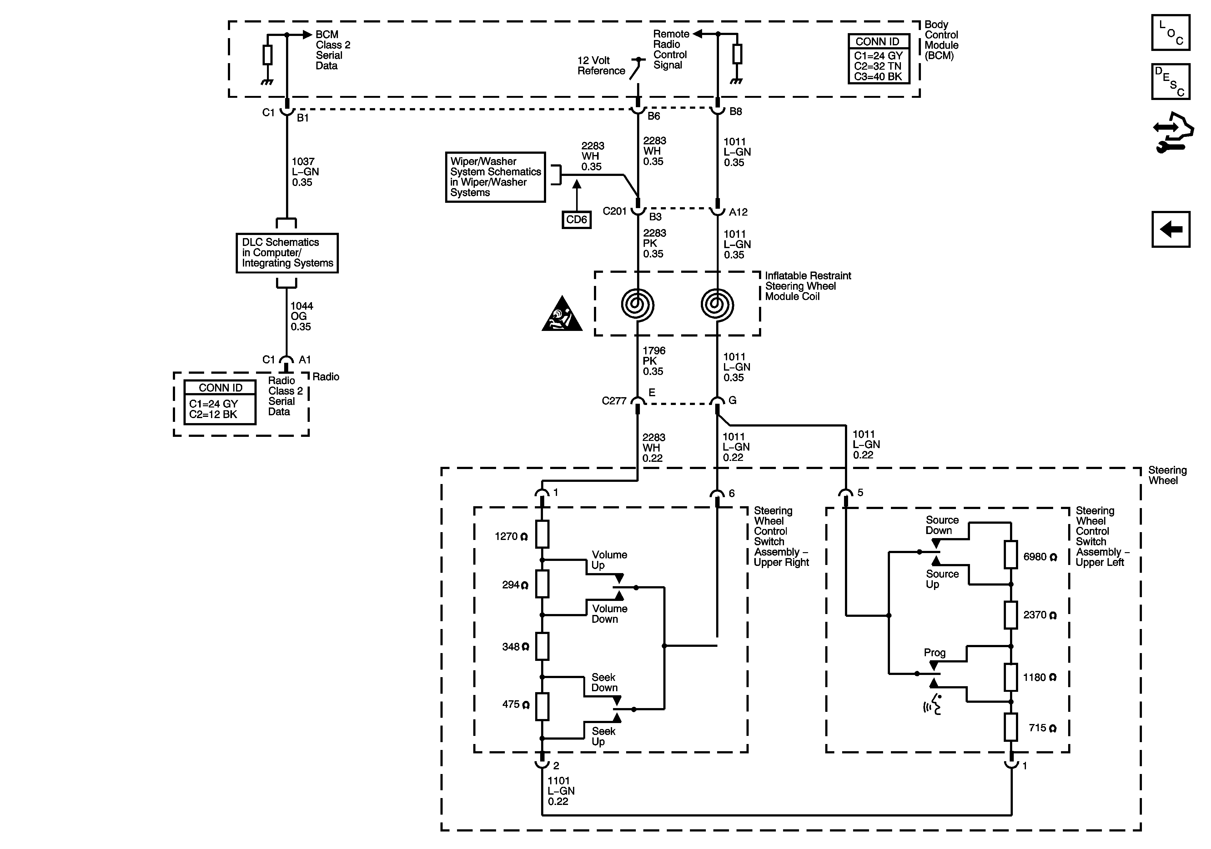
7:
Steering Wheel Controls - STW
Master Electrical Component List
Radio/Audio System Description and Operation
Control Module References
Premium Radio Amplifier Outputs
SP205
Rear Wiper/Washer Controls
Entertainment Schematic Icons