GM Service Manual Online
For 1990-2009 cars only
Makes
🢒
Isuzu
🢒
2007
🢒
Ascender - 2WD
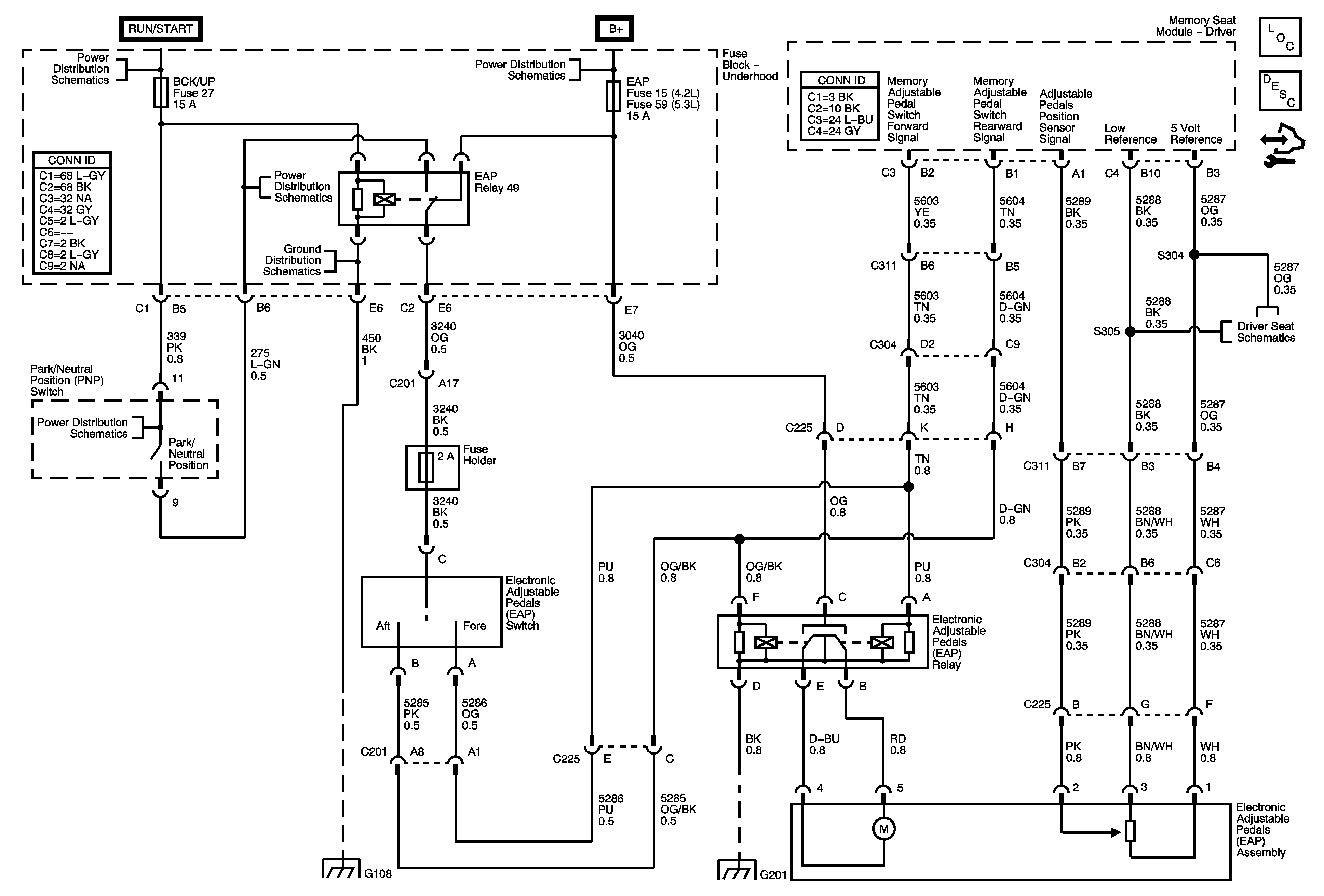
🢒 Adjustable Pedal Schematics
Adjustable Pedal Schematics
Master Electrical Component List
Adjustable Pedals Description and Operation
Control Module References
Ignition Switch - ACCY/RUN, RUN/START Bus Bars and IGN B Fuse
B+ Bus - Underhood Fuse Block
BCK/UP, BTSI, IGN E, TBC IGN 1, and TRLR BCK/UP Fuses
G108
BCK/UP, BTSI, IGN E, TBC IGN 1, and TRLR BCK/UP Fuses
Lumbar Controls - w/Memory
G108
G201 - 1 of 2