GM Service Manual Online
For 1990-2009 cars only
Makes
🢒
Isuzu
🢒
2007
🢒
Ascender - 2WD
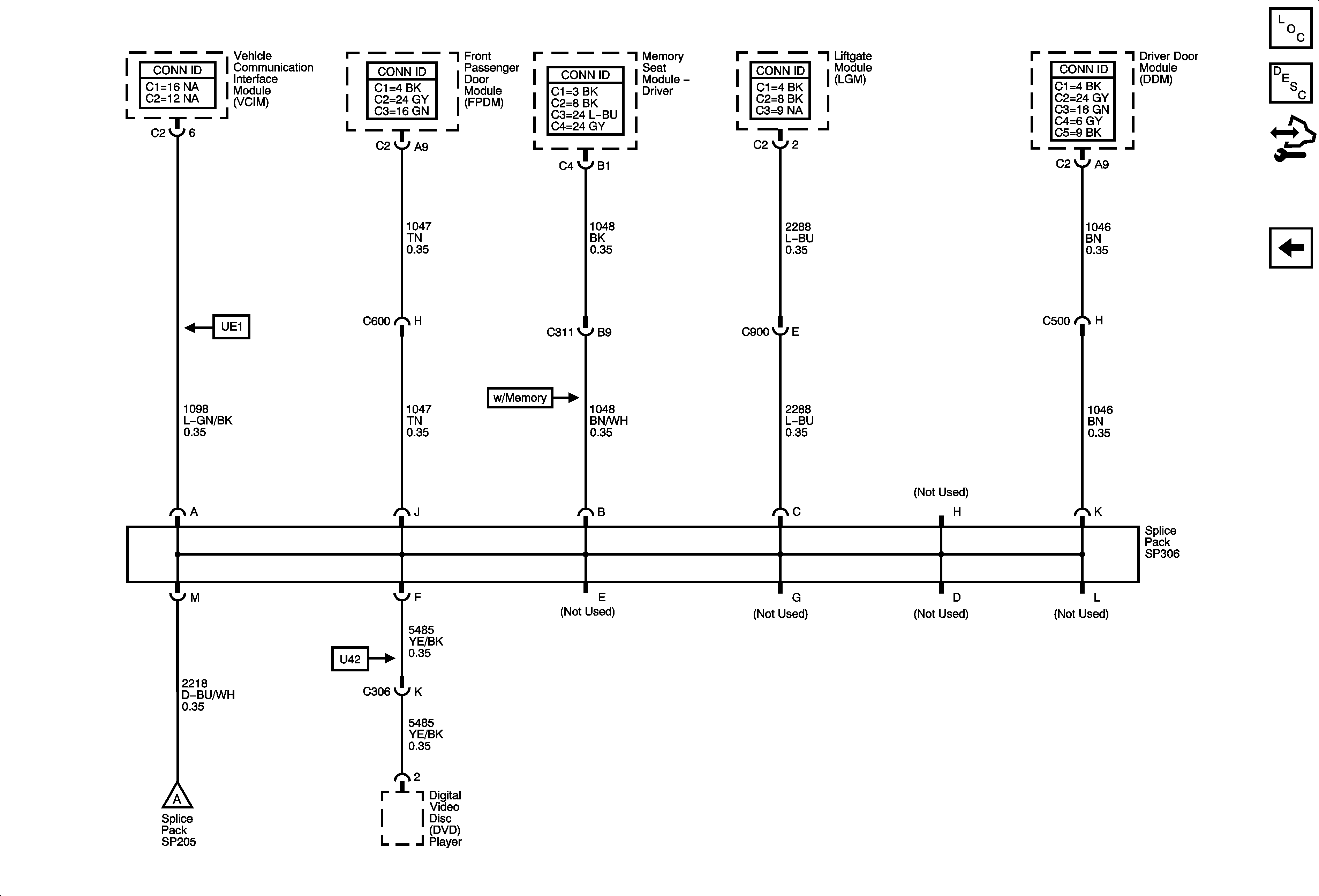
🢒 SP306
SP306
SP306
Master Electrical Component List
Data Link Communications Description and Operation
Control Module References
SP205
SP205