GM Service Manual Online
For 1990-2009 cars only
Makes
🢒
Isuzu
🢒
2007
🢒
Ascender - 2WD
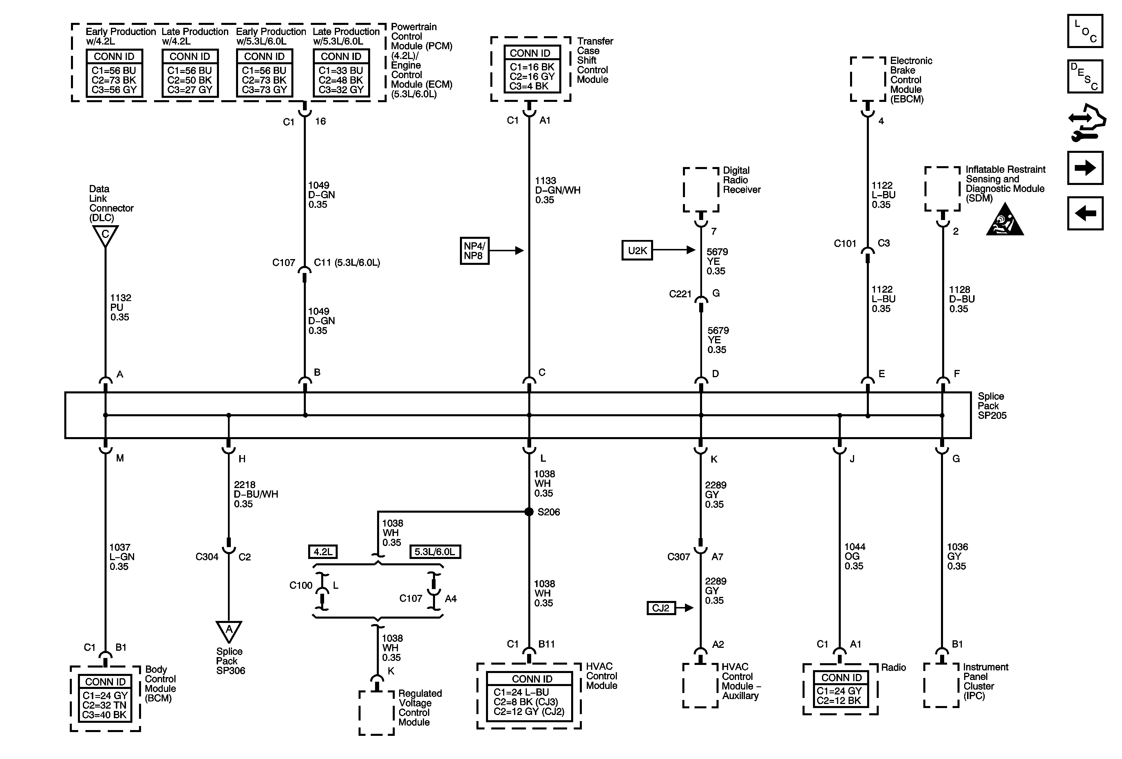
🢒 SP205
SP205
SP205
Master Electrical Component List
Data Link Communications Description and Operation
Control Module References
SP306
Power, Ground, and Data Link Connector
Power, Ground, and Data Link Connector
Data Communication Schematic Icons
SP306