GM Service Manual Online
For 1990-2009 cars only
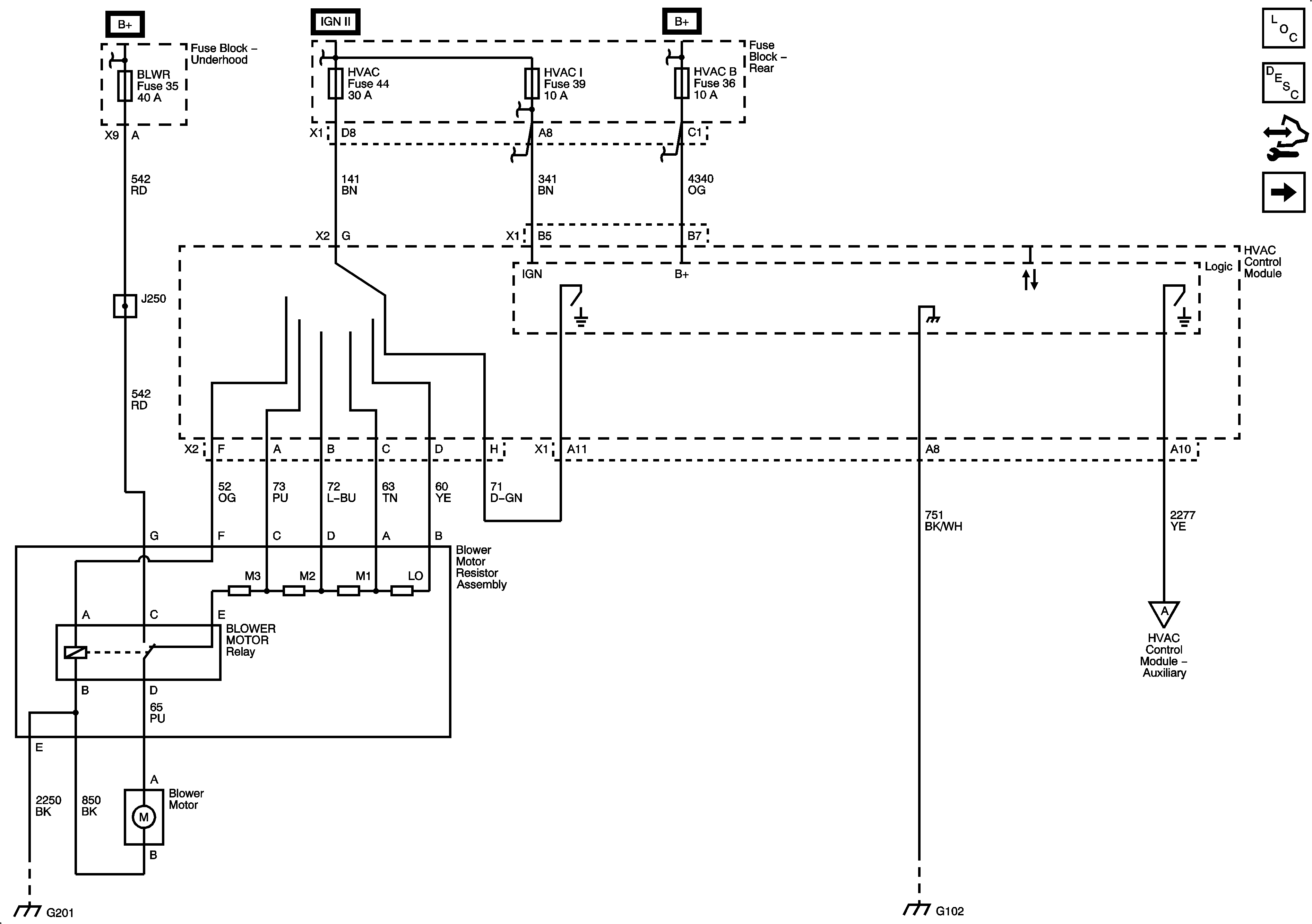
Figure 1:

Module Power, Ground, Serial Data, and Blower Motor


Object Number: 1923471  Size: FS
Master Electrical Component List
Air Delivery Description and Operation
Control Module References
Compressor Controls
Rear Auxiliary Controls
Figure 2:

Compressor Controls


Object Number: 1923475  Size: FS
Master Electrical Component List
Air Temperature Description and Operation
Control Module References
Air Delivery/Temperature Actuators
Module Power, Ground, Serial Data, and Blower Motor
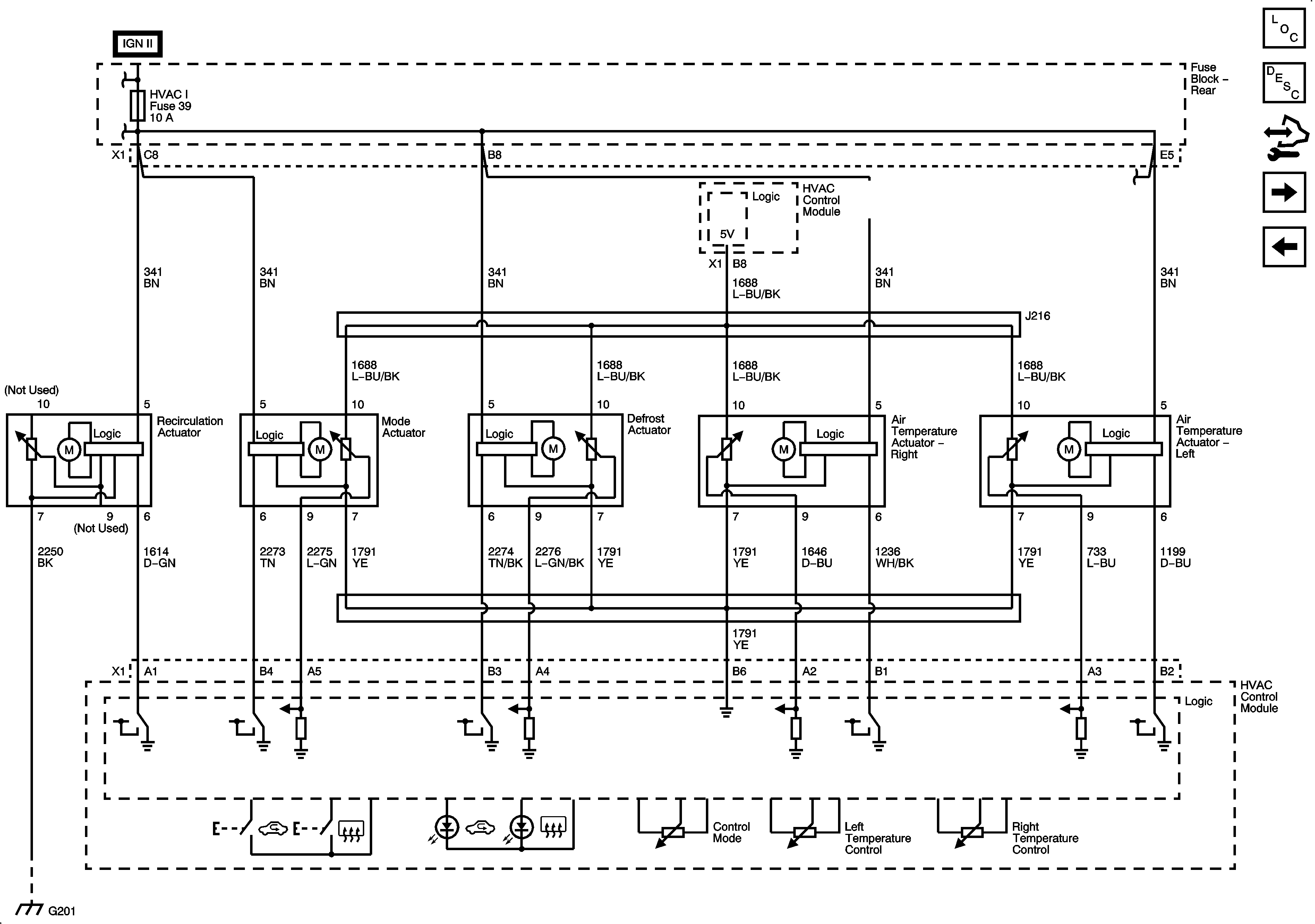
Figure 3:

Air Delivery/Temperature Actuators


Object Number: 1923479  Size: FS
Master Electrical Component List
Air Temperature Description and Operation
Control Module References
Rear Mode Controls
Compressor Controls
Figure 4:

Rear Mode Controls


Object Number: 1923481  Size: FS
Master Electrical Component List
Air Delivery Description and Operation
Control Module References
Air Delivery/Temperature Actuators