GM Service Manual Online
For 1990-2009 cars only
Makes
🢒
Isuzu
🢒
2003
🢒
Ascender - 4WD
🢒 AUX PWR 2, RRHVAC, AUX PWR 1, TBC 2, TBC 3, TBC 4 Fuses
AUX PWR 2, RRHVAC, AUX PWR 1, TBC 2, TBC 3, TBC 4 Fuses
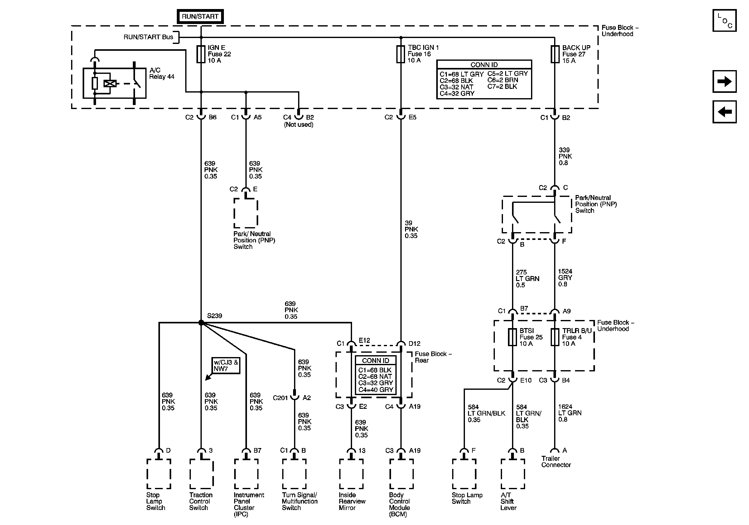
IGN E, TBC IGN 1 and BACK UP, BTSI and TRLR B/U Fuses
Master Electrical Component List
PCM I Fuse (4.2L Engine)
TBC 5, LT DOORS, DDM;, PDM, RT DOORS Fuses
PCM I Fuse (4.2L Engine)