GM Service Manual Online
For 1990-2009 cars only
Makes
🢒
Isuzu
🢒
2003
🢒
Ascender - 4WD
🢒 TBC 5, LT DOORS, DDM;, PDM, RT DOORS Fuses
TBC 5, LT DOORS, DDM;, PDM, RT DOORS Fuses
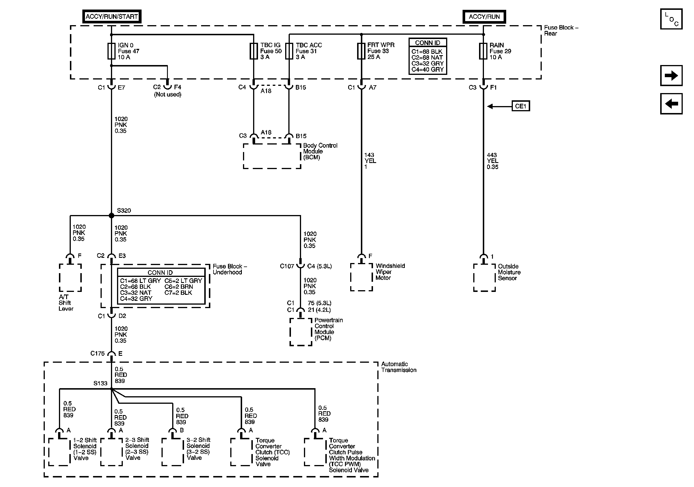
IGN 0, TBC IG, TBC ACC, FRT WPR and RAIN Fuses
Master Electrical Component List
AUX PWR 2, RRHVAC, AUX PWR 1, TBC 2, TBC 3, TBC 4 Fuses
TRL L TRN, TRL R TRN, LT TURN and RT TURN Fuses