GM Service Manual Online
For 1990-2009 cars only
Makes
🢒
Isuzu
🢒
2003
🢒
Ascender - 4WD
🢒 Interior Lamps Controls
Interior Lamps Controls
Interior Lamps Controls
Master Electrical Component List
Interior Lighting Systems Description and Operation
Cargo Lamp, Vanity Mirror Lamps, Courtesy/Reading Lamps
Cargo Lamp, Vanity Mirror Lamps, Courtesy/Reading Lamps
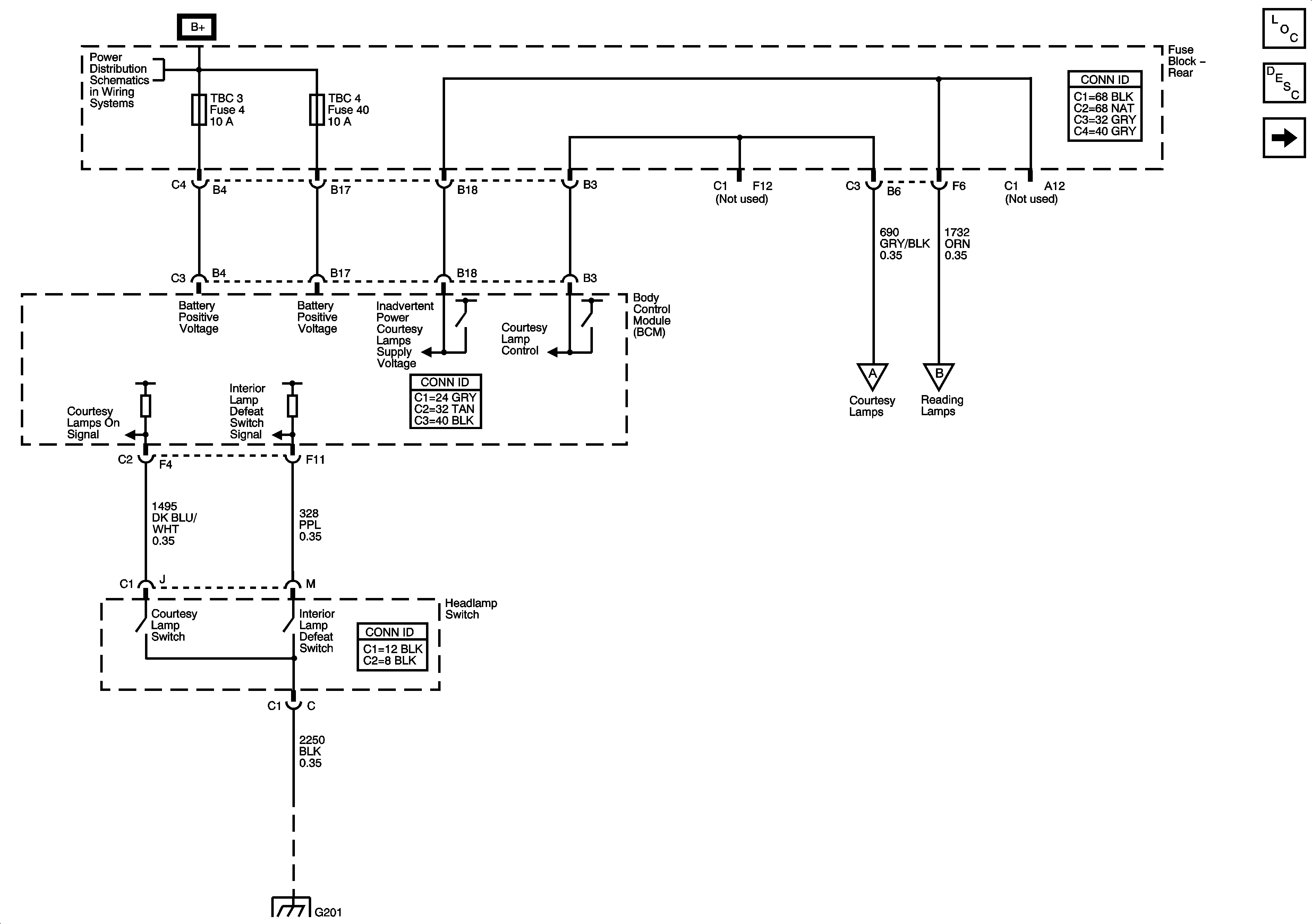
G201, 1 of 2
TRLR-E BRK,STOP, BLOWER, CIGAR, W/S WASH, A/C, FOG LAMP, PCM B Buses) Fuses