GM Service Manual Online
For 1990-2009 cars only
Makes
🢒
Isuzu
🢒
2003
🢒
Ascender - 4WD
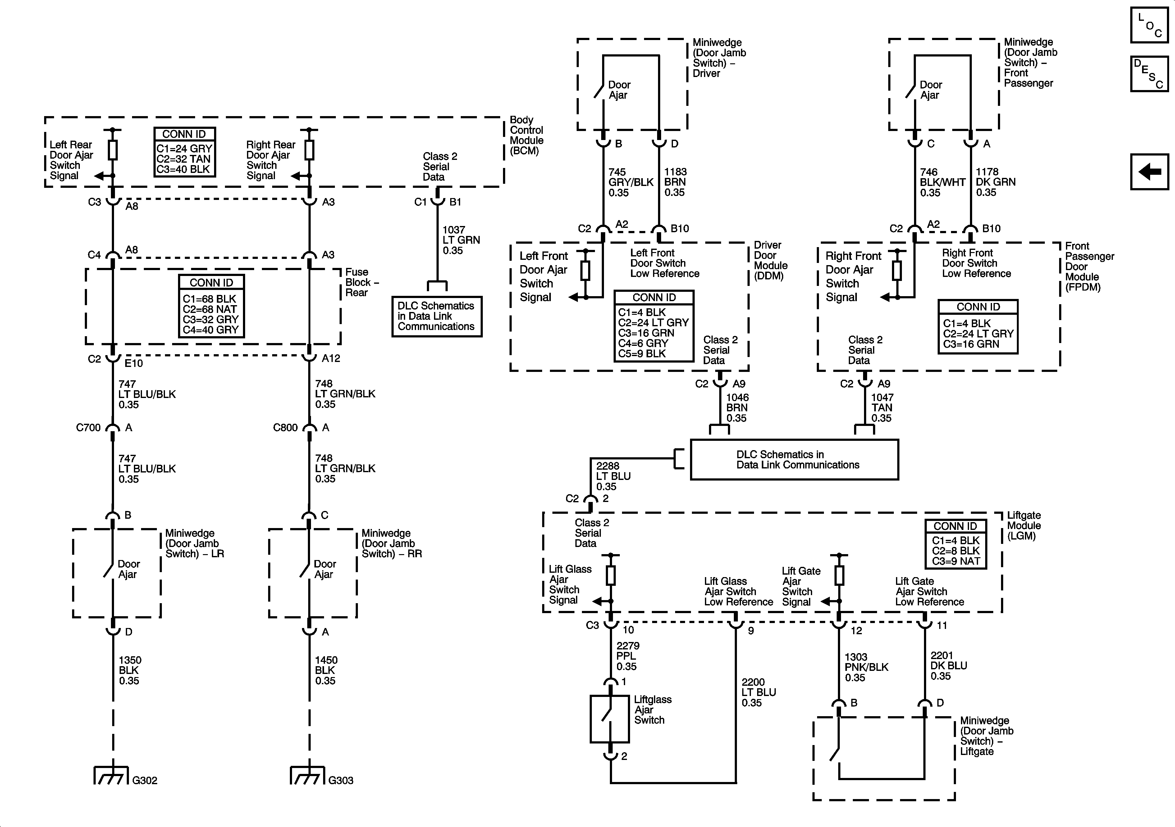
🢒 Liftgate and Door Switches
Liftgate and Door Switches
Liftgate and Door Switches
Master Electrical Component List
Interior Lighting Systems Description and Operation
Cargo Lamp, Vanity Mirror Lamps, Courtesy/Reading Lamps