GM Service Manual Online
For 1990-2009 cars only
Makes
🢒
Isuzu
🢒
2003
🢒
Ascender - 4WD
🢒 Charging System
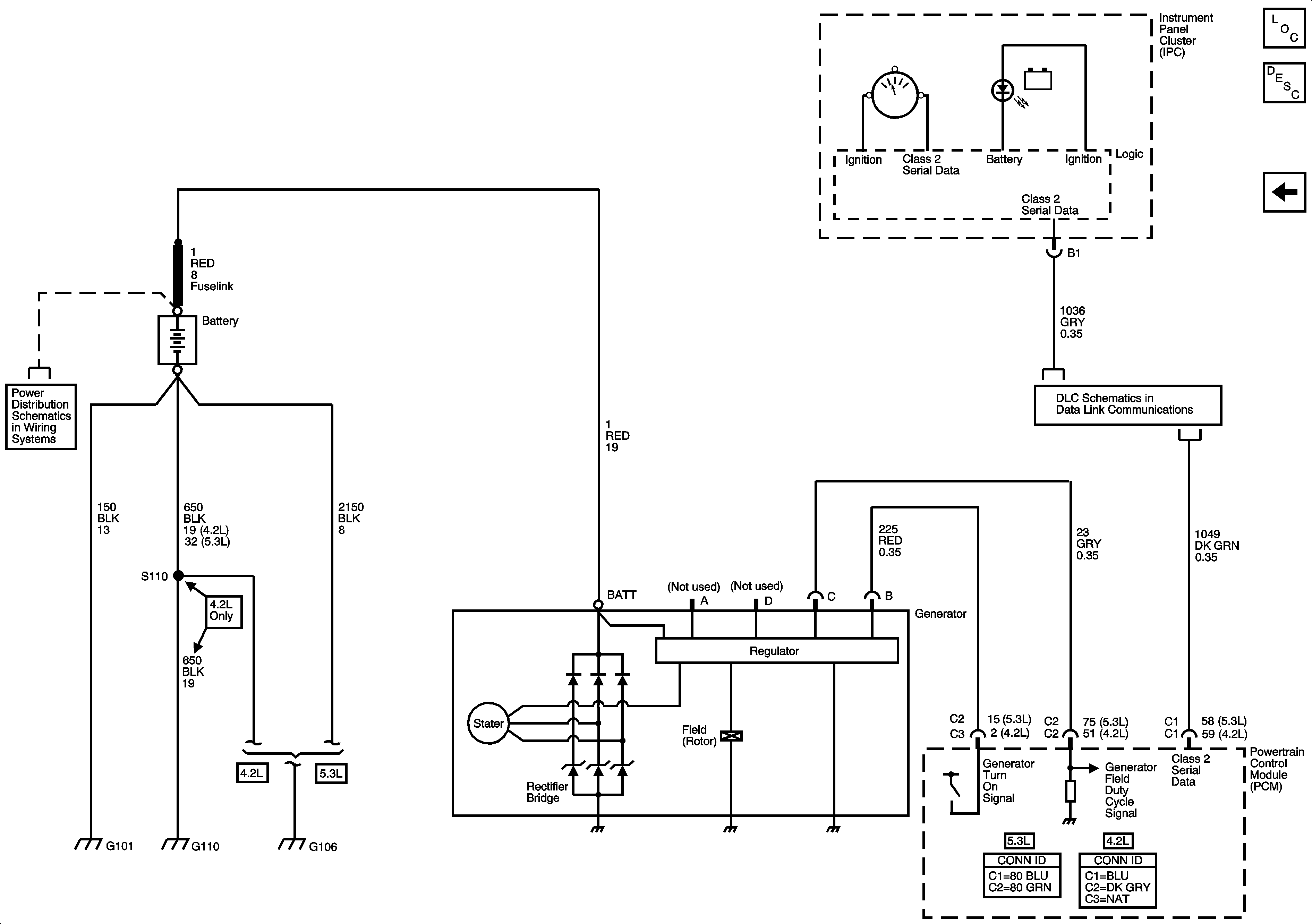
Charging System
Charging System
Master Electrical Component List
Charging System Description and Operation
Data Link Connector
I/P BATT, TRAILER ABS, HORN IGN A, IGN B, ATC Fuses