GM Service Manual Online
For 1990-2009 cars only
Makes
🢒
Isuzu
🢒
2003
🢒
Ascender - 4WD
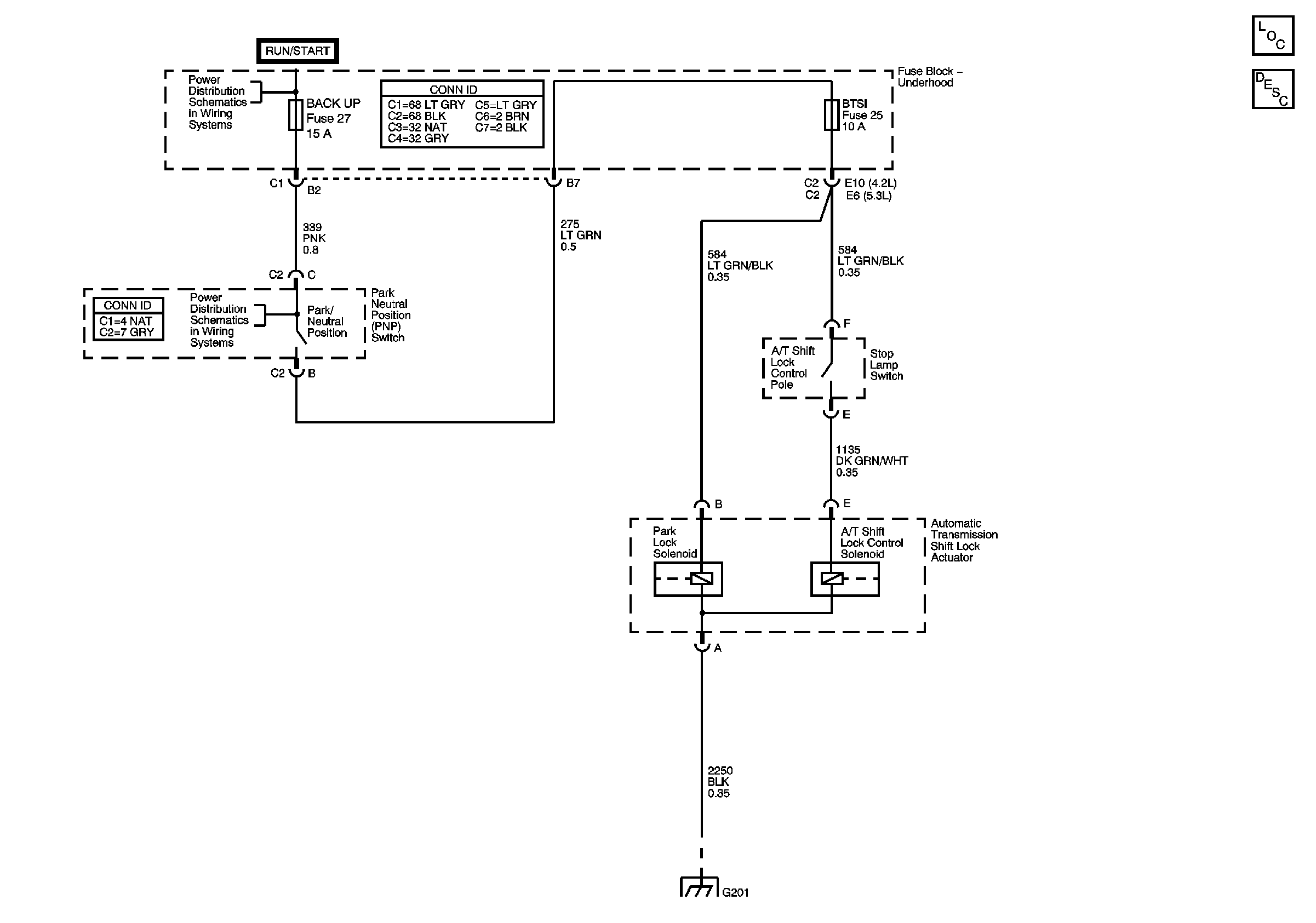
🢒 Shift Lock Control
Shift Lock Control
Master Electrical Component List
Automatic Transmission Shift Lock Control Description and Operation
G201, 1 of 2
AUX PWR 2, RRHVAC, AUX PWR 1, TBC 2, TBC 3, TBC 4 Fuses