GM Service Manual Online
For 1990-2009 cars only
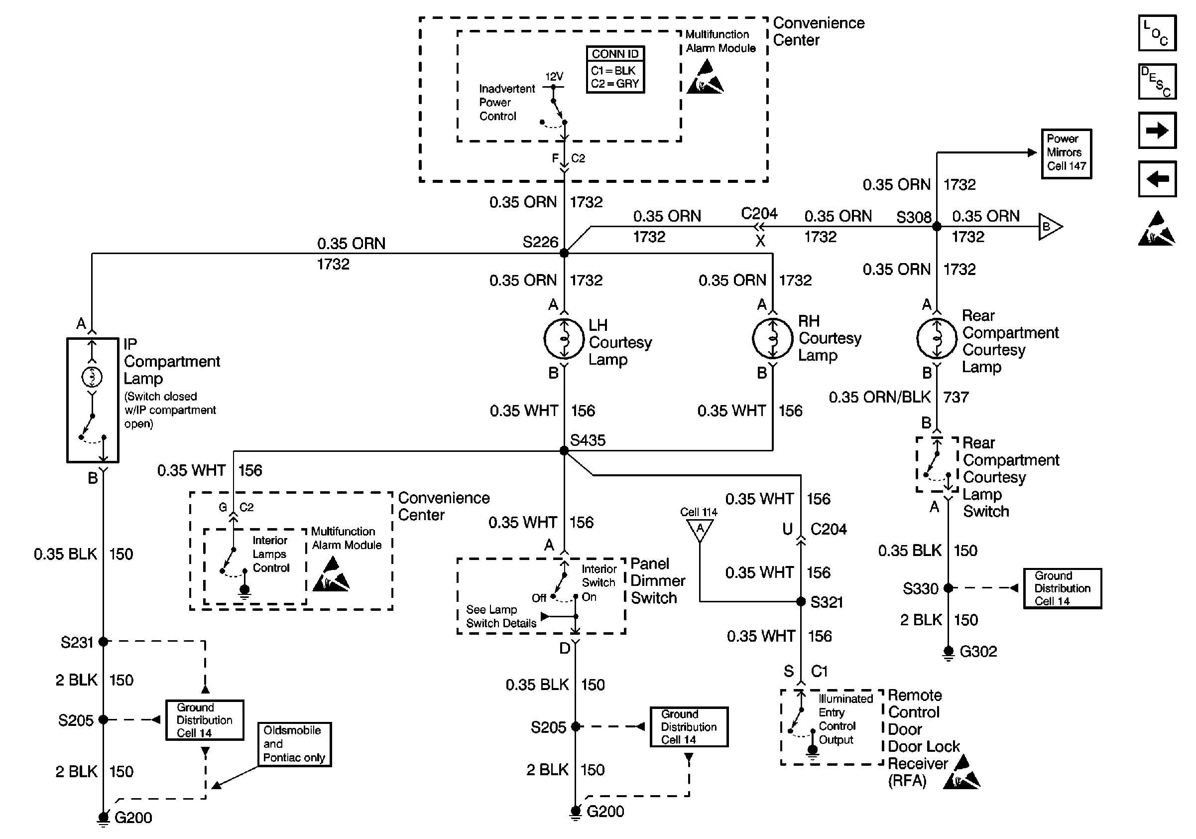
Figure 1:

Cell 114: Illuminated Entry


Object Number: 529024  Size: FS
Lighting Systems Components
Interior Lighting System Description
Cell 114: IP Compartment/Courtesy/Luggage Compartment
Handling ESD Sensitive Parts Notice
Handling ESD Sensitive Parts Notice
Ground Distribution Schematics
Ground Distribution Schematics
Fuse Block Schematics
Ground Distribution Schematics
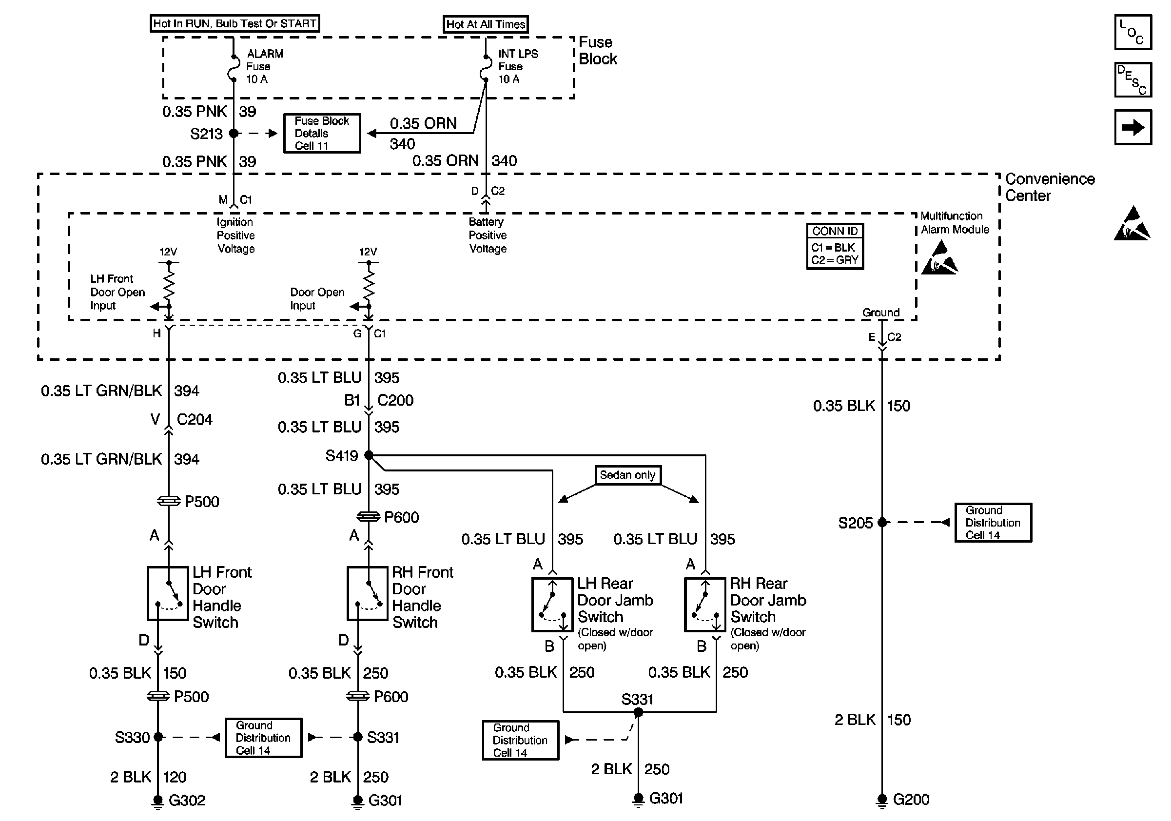
Figure 2:

Cell 114: IP Compartment/Courtesy/Luggage Compartment


Object Number: 529031  Size: FS
Lighting Systems Components
Interior Lighting System Description
Cell 114: IP Courtesy/Reading/Vanity (Uplevel)
Cell 114: Illuminated Entry
Handling ESD Sensitive Parts Notice
Handling ESD Sensitive Parts Notice
Outside Rearview Mirror Schematics
Handling ESD Sensitive Parts Notice
Handling ESD Sensitive Parts Notice
Ground Distribution Schematics
Ground Distribution Schematics
Ground Distribution Schematics
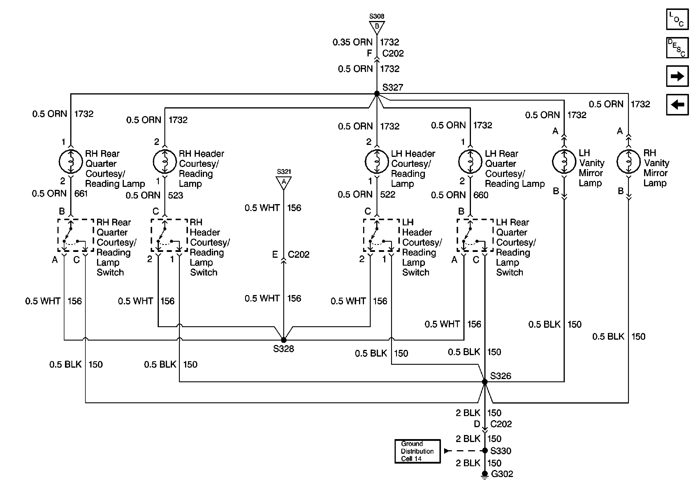
Figure 3:

Cell 114: IP Courtesy/Reading/Vanity (Uplevel)


Object Number: 529037  Size: FS
Lighting Systems Components
Interior Lighting System Description
Cell 114: Courtesy Base
Cell 114: IP Compartment/Courtesy/Luggage Compartment
Ground Distribution Schematics
Figure 4:

Cell 114: Courtesy Base


Object Number: 529041  Size: FS
Cell 114: IP Courtesy/Reading/Vanity (Uplevel)
Interior Lighting System Description
Lighting Systems Components