GM Service Manual Online
For 1990-2009 cars only
Makes
🢒
Oldsmobile
🢒
1998
🢒
Achieva
🢒
Body and Accessories
🢒
Doors
🢒 Door Lock/Indicator Schematics
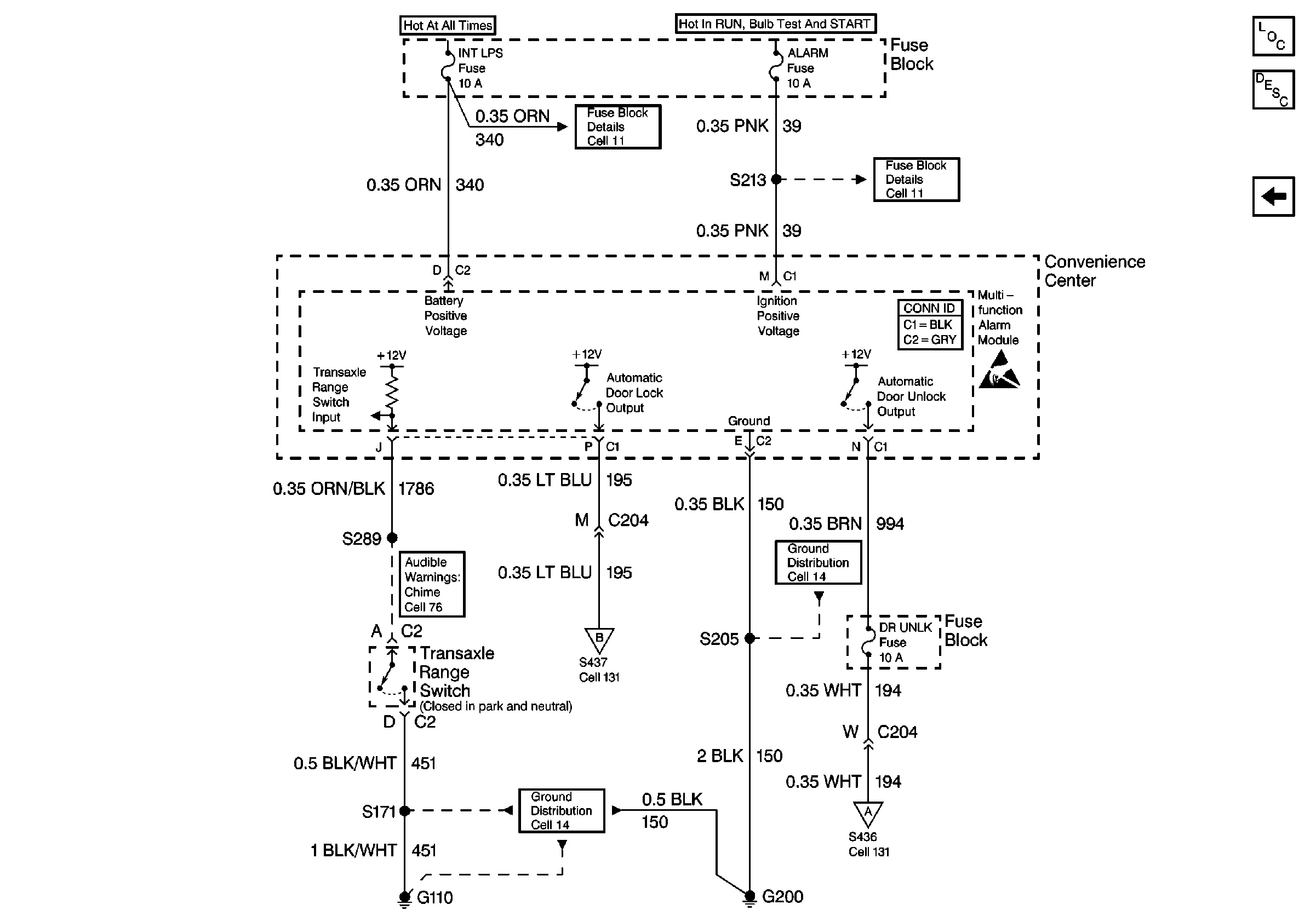
Figure
1:
Cell 131: 1 of 2
Power Door Systems Components
Power Door Locks Circuit Description
Cell 131: 2 of 2
Fuse Block Schematics
Ground Distribution Schematics
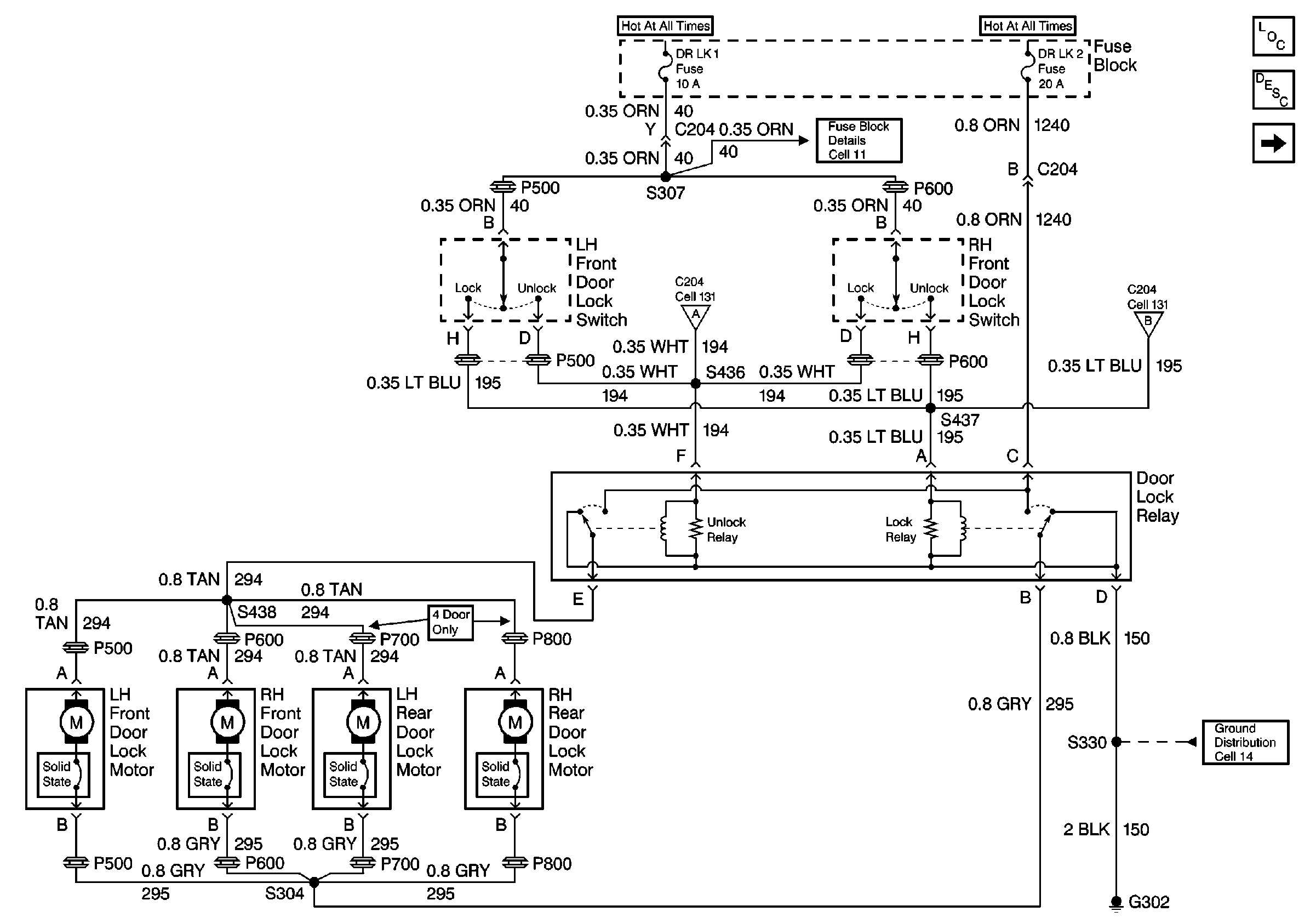
Figure
2:
Cell 131: 2 of 2
Power Door Systems Components
Power Door Locks Circuit Description
Cell 131: 1 of 2
Fuse Block Schematics
Handling ESD Sensitive Parts Notice
Ground Distribution Schematics
Audible Warnings Schematics
Ground Distribution Schematics
Fuse Block Schematics