GM Service Manual Online
For 1990-2009 cars only
Makes
🢒
Oldsmobile
🢒
1998
🢒
Achieva
🢒
Body and Accessories
🢒
Roof
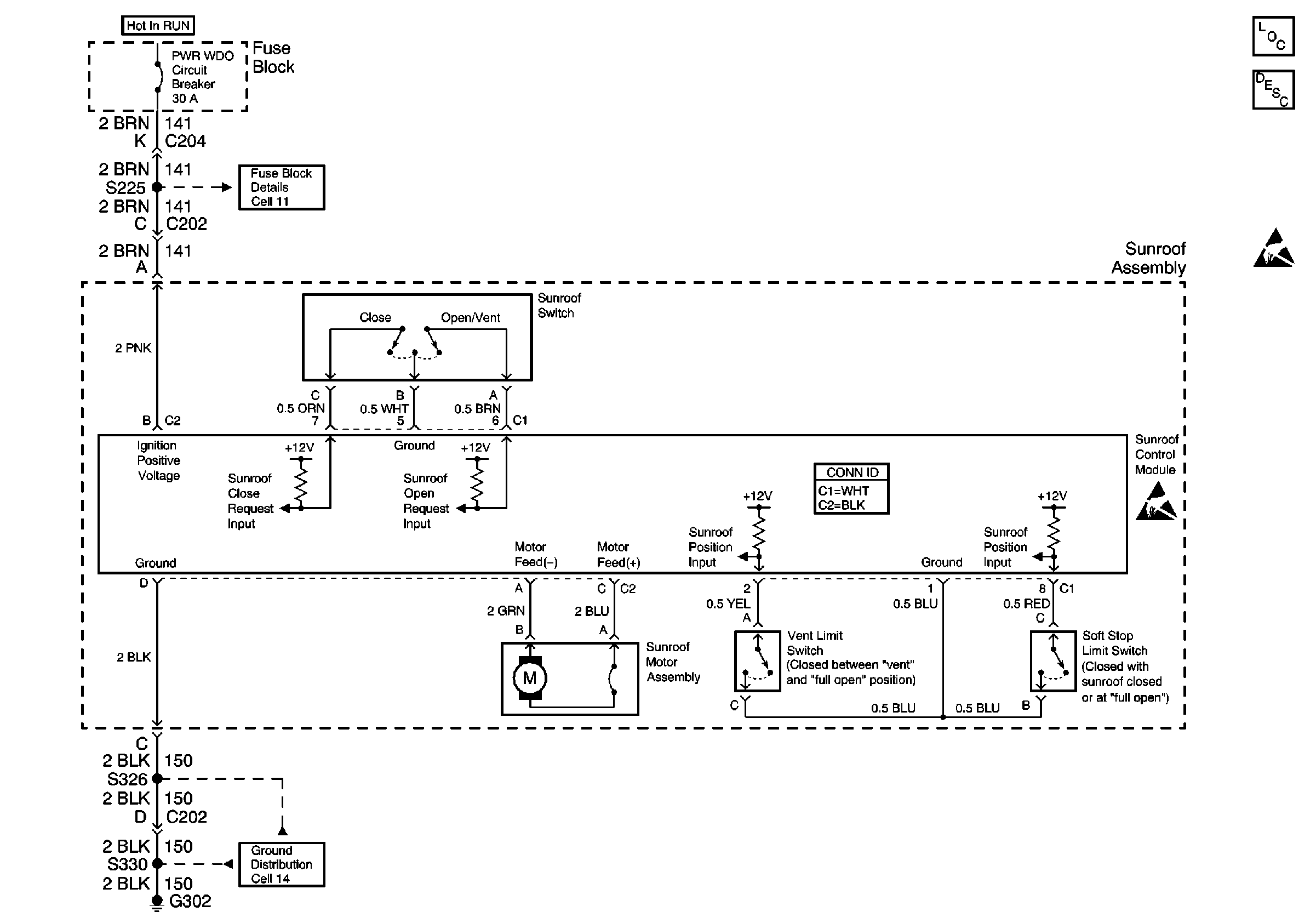
🢒 Sunroof Schematics
Cell 122
Power Roof Systems Components
Power Sunroof Circuit Description
Handling ESD Sensitive Parts Notice
Handling ESD Sensitive Parts Notice
Ground Distribution Schematics
Fuse Block Schematics