GM Service Manual Online
For 1990-2009 cars only
Makes
🢒
Oldsmobile
🢒
1999
🢒
Aurora
🢒
Body and Accessories
🢒
Lighting Systems
🢒 Fog Lights Schematics
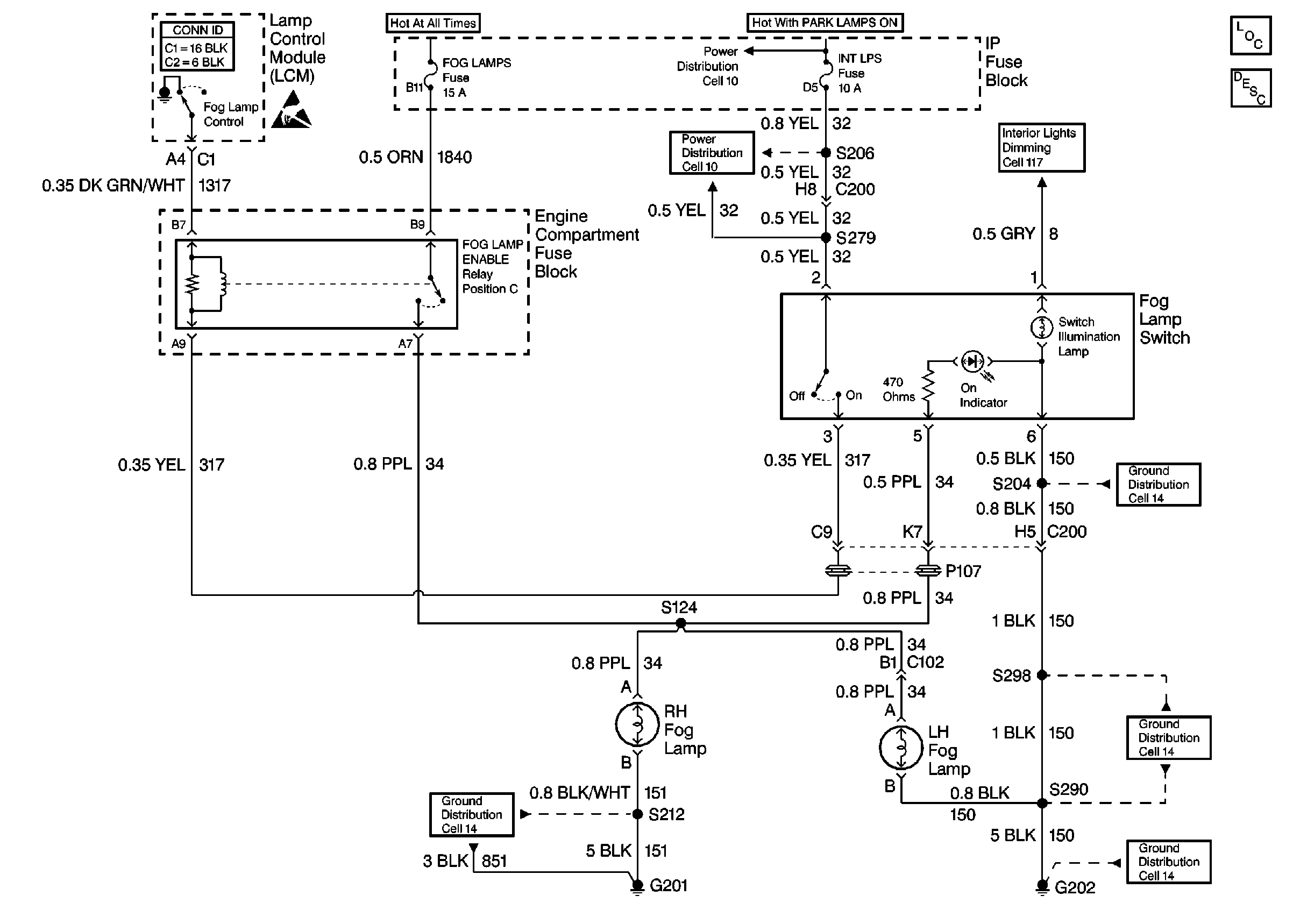
Fog Lights Schematics Oldsmobile
Cell 103
Lighting Systems Components
Fog Lights Circuit Description Oldsmobile
Ground Distribution Schematics
Ground Distribution Schematics
Ground Distribution Schematics
Ground Distribution Schematics
Power Distribution Schematics
Power Distribution Schematics
Cell 117: Instrument Panel and Console Lamps
Handling ESD Sensitive Parts Notice
Lighting Systems Connector End Views