GM Service Manual Online
For 1990-2009 cars only
Makes
🢒
Oldsmobile
🢒
1999
🢒
Aurora
🢒 Cell 117: Door Lamps
Cell 117: Door Lamps
Cell 117: Door Lamps
Lighting Systems Components
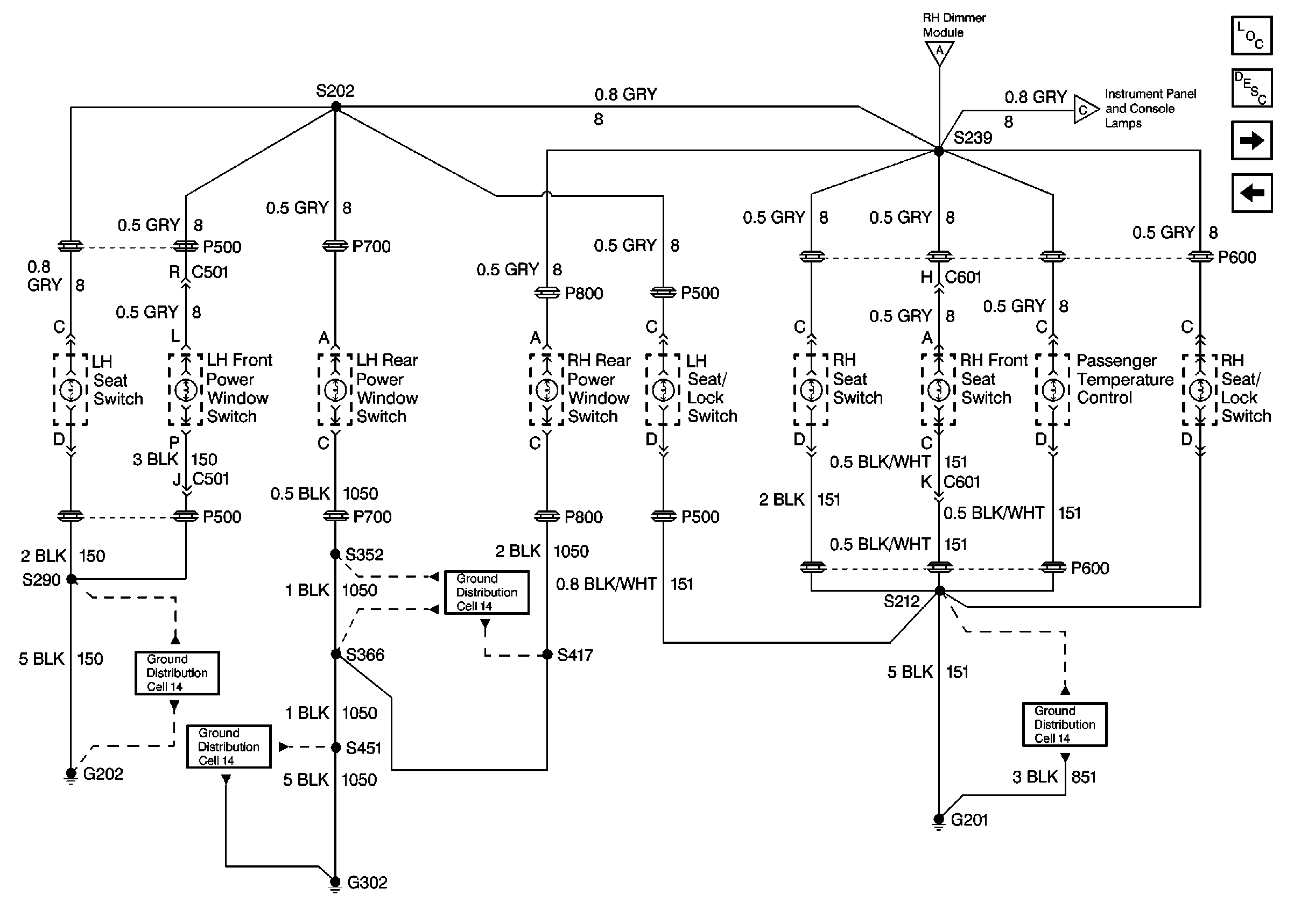
Interior Lights Dimming Circuit Description
Cell 117: Instrument Panel and Console Lamps
Cell 117: Heater and A/C Control, Steering Wheel Controls, Radio, and Instrument Cluster
Ground Distribution Schematics
Ground Distribution Schematics
Ground Distribution Schematics
Ground Distribution Schematics
Cell 117: Dimming Control
Cell 117: Instrument Panel and Console Lamps