GM Service Manual Online
For 1990-2009 cars only
Makes
🢒
Oldsmobile
🢒
2001
🢒
Aurora
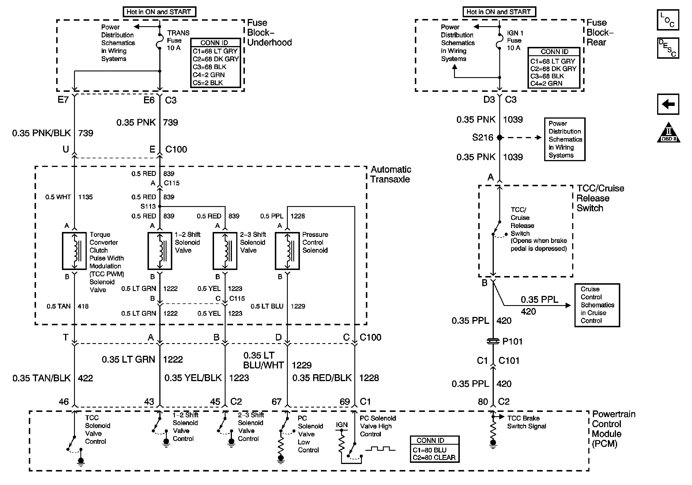
🢒 Transmission Controls
Transmission Controls
Transmission Controls
Master Electrical Component List
Electronic Component Description
Internal Mode Switch Inputs
Transmission Inputs
TRANS, PCM IGN, CR CONT Fuses and Start 1, HVAC SOL Relays (Fuse Block-Underhood)
IGN-1, VENT SOL, SIR Fuses and IGN 1 Relay (Fuse Block-Rear)
Cruise Control Switch, CCM Power and Grounds