GM Service Manual Online
For 1990-2009 cars only
Makes
🢒
Oldsmobile
🢒
2001
🢒
Aurora
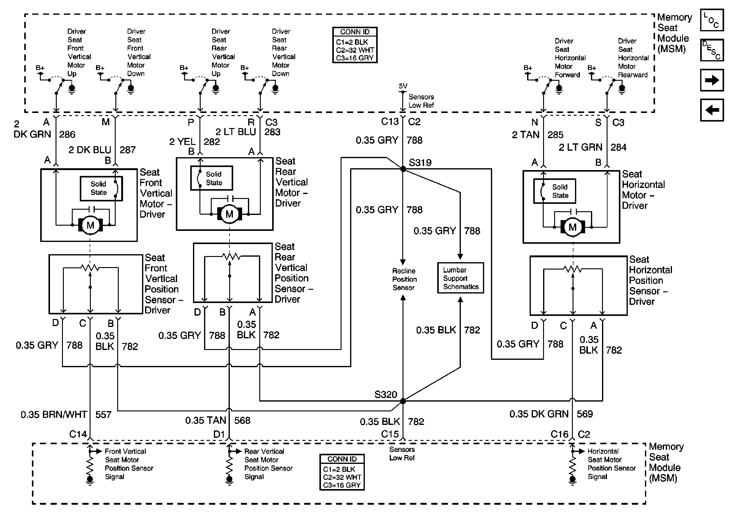
🢒 Driver Seat Vertical and Horizontal Motors and Sensors
Driver Seat Vertical and Horizontal Motors and Sensors
Driver Seat Vertical and Horizontal Motors and Sensors
Master Electrical Component List
Memory Seats Description and Operation
Driver Seat Recline Motor and Sensor
Memory Function Switch
Driver Seat Lumbar (w/ A45)